Запчасти Case IH 784 (14-01) - SUSPENSION, ADJUSTABLE FRONT AXLE, STRAIGHT, 52 INCH TO 77 INCH TREAD UTILITY TRACTORS Suspension

Схема запчастей Case IH 784 - (14-01) - SUSPENSION, ADJUSTABLE FRONT AXLE, STRAIGHT, 52 INCH TO 77 INCH TREAD UTILITY TRACTORS Suspension
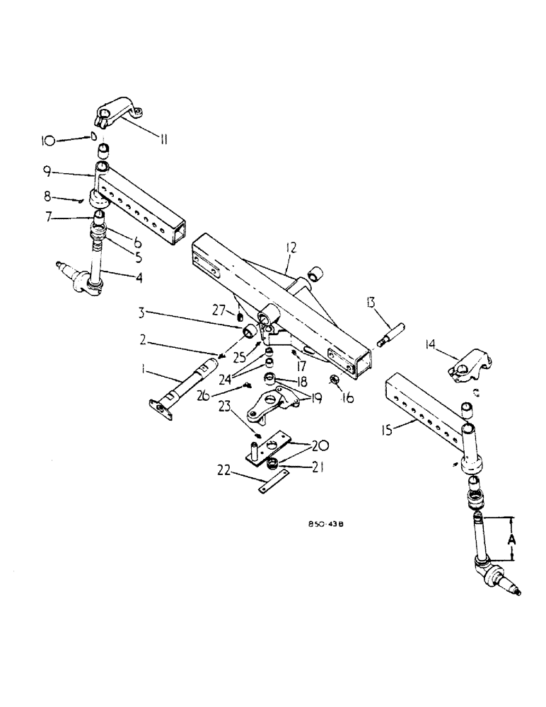
11
25
23
13
14
4
15
10
9
3
16
17
2
8
a
20
21
18
6
22
12
19
27
5
26
7
24
1
FIT
1:1
100%

Артикул

Название

Примечание

Количество

1

3121254R1

SHAFT ASSY.

SHAFT ASSY, front axle pivot

1шт.

179883

BOLT,Hex, 1/2" - 13 x 1 1/4", Gr 5

2шт.

1251958C1

WASHER,13mm ID x 25.40mm OD x 1.367mm, HTS

hardened

2шт.

2

273352

SCREW

FITTING, 1/8-27 PTF 90 deg angle lub

1шт.

3

405570R1

BUSHING,50.95mm ID x 54.15mm OD x 47.63mm L

pivot

2шт.

4

3121261R91

KNUCKLE,RH

ASSY, steering, high spindle, A dimension is 11.22 in.

2шт.

4

3121270R91

KNUCKLE

ASSY, steering, low spindle, A dimension is 8.32 in.

2шт.

5

15943DA

SEALING WASHER,60.33mm ID x 72.23mm OD x 4.76mm Thk

Steering knuckle felt

2шт.

6

185106C91

BEARING ASSY,44.2mm ID x 70.1mm OD x 19.05mm W

BEARING, steering knuckle thrust

2шт.

7

376099R1

BUSHING

4шт.

8

86504104

LUBE NIPPLE,1/4" x .56" lg, Drive

FITTING, 1/4 drive type str lub, hitch spindle

2шт.

8

20605R1

LUBE NIPPLE,45 Degree, 3/16" x .62" lg, Drive

FITTING, 1/4 drive type 45 deg angle, lub, low spindle

2шт.

9

3121257R91

EXTENSION ASSY.

EXTENSION ASSY, front axle RH, low spindle

1шт.

10

117997

WOODRUFF KEY,#25, 5/16" x 1 1/2", HT

2шт.

11

3121264R1

ARM

steering knuckle R.H.

1шт.

179895

BOLT,Hex, 1/2" - 13 x 3 1/2", Gr 5

1/2 x 3-1/2 pln type 5

1шт.

102637

NUT,1/2"-13, G5

1шт.

12

3121242R92

CENTER AXLE

AXLE ASSY, center, straight, on orders for 3121242R1, furnish 3125306R1, pin 3125305R1 and bushing 3125304R1

1шт.

13

3121252R1

BOLT,3/4" - 16 x 1 27/32"

axle extension shoulder

4шт.

14

3121263R1

ARM

steering knuckle LH

1шт.

179894

BOLT,Hex, 1/2" - 13 x 3 1/4", Gr 5

1шт.

102637

NUT,1/2"-13, G5

1шт.

15

3121256R91

EXTENSION ASSY.

EXTENSION ASSY, front axle LH, high spindle

1шт.

15

3121267R91

EXTENSION ASSY.

EXTENSION ASSY, front axle LH, low spindle

1шт.

16

3121253R1

SPECIAL NUT

front axle

4шт.

17

443567

LUBE NIPPLE,1/4" x .56 lg, Drive

FITTING, 1/4 drive type str lub, brg tube and pivot spacer

1шт.

18

379748R1

BUSHING

power steering center arm

1шт.

19

67499C91

ARM ASSY.

ARM ASSY, power steering center

1шт.

20

405580R11

BAR ASSY.

BAR ASY, power steering cylinder

1шт.

21

379748R1

BUSHING

1шт.

22

67976C1

PLATE, LOCKING

STRIP, steering center arm bolt lock

1шт.

17985

BOLT, 1/2 x 1-1/2 pln type 5

2шт.

23

125617

LUBE NIPPLE,3/16" x .61 lg, Drive

FITTING, 3/16 drive type str lub

2шт.

24

405574R1

BUSHING

cylinder mounting bracket

2шт.

25

443567

LUBE NIPPLE,1/4" x .56 lg, Drive

FITTING, 1/4 drive type str lub

1шт.

26

219-53

LUBE NIPPLE,65 Degree Elbow, 3/16" NPTF

FITTING, 3/16 65 deg. angle drive

1шт.

27

3125304R1

BUSHING

spring steel

1шт.

Выбрано товаров: 37