Запчасти Case IH 806 (E-38) - FUEL SYSTEM, ETHER STARTING, DIESEL ENGINE TRACTORS (02) - FUEL SYSTEM

Схема запчастей Case IH 806 - (E-38) - FUEL SYSTEM, ETHER STARTING, DIESEL ENGINE TRACTORS (02) - FUEL SYSTEM
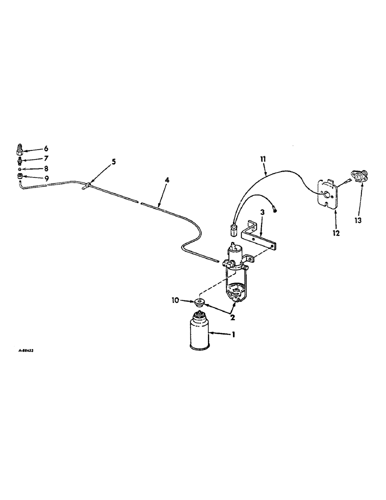
11
8
12
1
6
2
10
4
13
7
9
5
3
FIT
1:1
100%

Артикул

Название

Примечание

Количество

395016R91

KIT

PARTS ACCESSORY, ether starting, replaces 385063R93

1шт.

1

385064R91

FLUID

ether starting, 12 oz. can

1шт.

2

393719R91

NO LONGER SERVICED

SOLENOID ASSY, ether injection

1шт.

19803R1

BOLT,Hex, 1/4" - 20 x 7/8", Gr 2

SCREW, 1/4-20 x 7/8 C-Z hex-hd

2шт.

120375

NUT,Hex, 1/4" - 20, Gr 5

2шт.

492-11025

LOCK WASHER,1/4"

WASHER, LOCK, 1/4"

2шт.

3

395072R1

SUPPORT

BRACKET, solenoid mounting

1шт.

179879

BOLT,Hex, 1/2" - 13 x 3/4", Gr 5

1шт.

103323

LOCK WASHER,1/2"

WASHER, LOCK, 1/2"

1шт.

4

395075R1

TUBE

starting fluid

1шт.

388922R1

NO LONGER SERVICED

CLIP, starting fluid pipe

1шт.

5

384555R1

CLIP

ether starting cable

1шт.

6

269635R91

NOZZLE CAP

NOZZLE, starting fluid

1шт.

7

140285

X

CONNECTOR, tube

1шт.

8

121322

SLEEVE,Ball Type, 1/8" tube

tube connector

1шт.

9

121220

TUBE NUT

NUT, tube connector

1шт.

10

395686R1

GASKET

ether starting solenoid

1шт.

11

395076R1

CABLE

ASSY, ether starting

1шт.

12

395073R1

PANEL

ether starting push button switch

1шт.

13

397940R92

IGNITION SWITCH

SWITCH ASSY, ether starting push button

1шт.

436750

SCREW,Slotted Pan Hd, #10-32 x 1/2"

10-32 x 1/2 C-Z pan-hd-sltd mach

2шт.

120217

LOCK WASHER,#10

WASHER, LOCK, #10

2шт.

10611

NUT, no. 10-32 C-Z sq

2шт.

395077R1

CABLE

ASSY, push button switch

1шт.

Выбрано товаров: 24