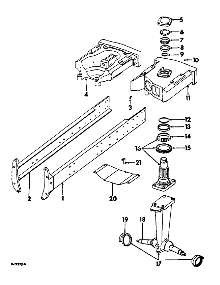
Запчасти Case IH 806 (A-04) - CHASSIS, RADIATOR & SHEET METAL, FRONT CHANNELS AND BOLSTERS Chassis, Radiator & Sheet Metal
№
Артикул
Название
Примечание
Количество
1
379398R11
CHANNEL ASSY, RH front frame, carbureted engine tractors
1шт.
525841R1
BOLT,Hex, 5/8" - 11 x 1 1/2", Gr 8
SCREW, 5/8-11 x 1-1/2 hex-hd cap
4шт.
271564
BOLT,Hex, 5/8" - 11 x 2 1/2", Gr 5
SCREW, 5/8-11 x 2-1/2 hex-hd cap
2шт.
361313R1
SCREW, 3/4-10 x 2-1/2 hex-hd cap
4шт.
1
379400R11
CHANNEL ASSY, RH front frame, diesel engine tractors
1шт.
525841R1
BOLT,Hex, 5/8" - 11 x 1 1/2", Gr 8
SCREW, 5/8-11 x 1-1/2 hex-hd cap
4шт.
271568
PIPE FITTING,Hex, 5/8" - 11 x 3 1/2", Gr 5
SCREW, 5/8-11 x 3-1/2 hex-hd cap
2шт.
379401R1
SCREW, 3/4-1- x 3-1/4 hex-hd cap
4шт.
2
379397R11
CHANNEL ASSY, LH front frame, carbureted engine tractors
1шт.
525841R1
BOLT,Hex, 5/8" - 11 x 1 1/2", Gr 8
SCREW, 5/8-11 x 1-1/2 hex-hd cap
4шт.
NLS
NO LONGER SERVICED
SCREW, 5/8-11 x 2-1/2 hex-hd cap
2шт.
361313R1
SCREW, 3/4-10 x 2-1/2 hex-hd cap
2шт.
396843R1
SCREW, 3/4-10 x 2-1/2 12 PT cap
2шт.
2
379399R11
CHANNEL ASSY, LH front frame, diesel engine tractors
1шт.
525841R1
BOLT,Hex, 5/8" - 11 x 1 1/2", Gr 8
SCREW, 5/8-11 x 1-1/2 hex-hd cap
4шт.
271568
PIPE FITTING,Hex, 5/8" - 11 x 3 1/2", Gr 5
SCREW, 5/8-11 x 3-1/2 hex-hd cap
2шт.
379401R1
SCREW, 3/4-10 x 3-1/4 hex-hd cap
2шт.
396842R1
12 PT SCREW,Flg, 3/4" - 10 x 3 1/4"
SCREW, 3/4-10 x 3-1/4 12 PT cap
2шт.
3
219-53
LUBE NIPPLE,65 Degree Elbow, 3/16" NPTF
FITTING, 3/16 65 deg angle drive type lub
1шт.
4
367057R51
BOLSTER, upper, International Tractors
1шт.
399972R1
BUSHING,25.44mm ID x 28.59mm OD x 28.83mm L
pivot pin
1шт.
5
378648R1
COVER
upper bolster pivot shaft, Farmall tractors
1шт.
179883
BOLT,Hex, 1/2" - 13 x 1 1/4", Gr 5
4шт.
6
374248R1
NUT
upper bolster pivot shaft, Farmall tractors
1шт.
7
ST2086
BEARING ASSY,44.45mm ID x 29.9mm W
upper bolster pivot shaft upper cone, Farmall tractors
1шт.
8
13207D
BEARING CUP,95.28mm OD x 22.35mm W
BEARING, upper bolster pivot shaft upper cup, Farmall tractors
1шт.
9
259246R1
O-RING,0.139" Thk x 3.859" ID, -241, Cl 5, 75 Duro
3-7/8 x 4-1/8 x 1/8, Farmall tractors
1шт.
10
384803R1
PLUG, upper bolster, Farmall tractors
1шт.
11
397478R11
SPARE PART
BOLSTER W/BEARING, 13207D, bearing, ST981 & plug, 384803R1, upper replaces 367056R41, Farmall tractors
1шт.
12
252734R1
O-RING,0.21" Thk x 2.725" ID, -335, Cl 5, 75 Duro
2-3/4 x 3-1/8 x 3/16, Farmall tractors
1шт.
13
BEARING CONE,112.71mm OD x 19.05mm W
BEARING, upper bolster pivot shaft lower cup, Farmall tractors
1шт.
14
ST2087
TAPERED BEARING,2.7815" ID x 4.4385" OD x 1.014"
BEARING, upper bolster pivot shaft lower cone, Farmall tractors
1шт.
15
369380R91
OIL SEAL
upper bolster pivot shaft oil, Farmall tractors
1шт.
16
379363R21
SHAFT
ASSY, upper bolster pivot, Farmall tractors
1шт.
17
379989R11
BOLSTER ASSY, lower, Farmall tractors
1шт.
384195R1
12 PT SCREW,Flg, 3/4" - 10 x 2 1/4"
SCREW, 3/4-10 x 2-1/4 12 point cap
4шт.
18
370253R1
AXLE, front, Farmall tractors
1шт.
19794R1
RIVET, 5/8 x 3-3/4 rd-hd
1шт.
427645
SLOTTED NUT,7/8"-14, G5
NUT, 7/89-14 slt hex.
2шт.
108643
COTTER PIN,5/32" x 1 3/8"
Pin, Split (Cotter), 5/32" x 1 3/8"
2шт.
19
48701D
SHIELD
front wheel dust, Farmall tractors
2шт.
20
381714R1
SHIELD
fan pulley, Farmall tractors
1шт.
256873
BOLT,Hex Serr, 5/16" - 18 x 1/2", 5SPL, Full Thd
4шт.
21
381715R1
BRACKET, fan pulley shield, Farmall carbureted engine tractors
1шт.
9635082
NUT,5/16" - 18, Gr 5
5/16-18 hex.
1шт.
369222R1
BOLT,Hex Wshr Hd, 5/16" - 18 x 5/8"
SCREW, 5/16-18 x 5/8 hex-washer-hd cap
1шт.
Выбрано товаров: 46