Запчасти Case IH 824 (276) - SEALING COMPONENTS, VERSION WITHOUT HYDRAULIC LIFT (08) - HYDRAULICS

Схема запчастей Case IH 824 - (276) - SEALING COMPONENTS, VERSION WITHOUT HYDRAULIC LIFT (08) - HYDRAULICS
8
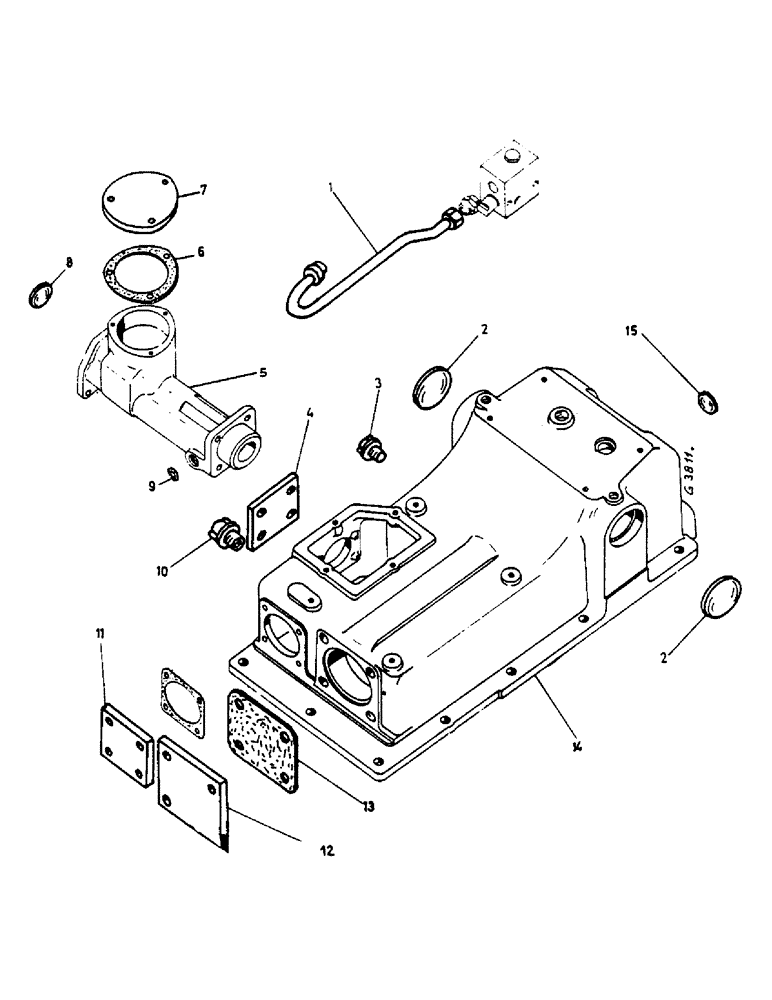
2
13
11
3
15
1
5
12
2
14
7
4
6
9
10
FIT
1:1
100%

Артикул

Название

Примечание

Количество

1

3131897R1

LINE

PIPE, return to control shaft bearing

1шт.

Version with additional control valves

1шт.

2

3131892R1

PLUG

expansion

2шт.

3

933786R1

PLUG,Hex Hd, M26 x 1.5

1шт.

4

3131876R1

BEARING COVER

without control shaft bearing

1шт.

13-510

BOLT,Hex, 5/16" - 18 x 5/8", Gr 5, Full Thd

4шт.

103320

LOCK WASHER,5/16"

4шт.

5

3058900R3

FLANGED BEARING

BEARING, control shaft

1шт.

Version with additional control valves

1шт.

6

3058905R1

GASKET

1шт.

Version with additional control valves

1шт.

7

3048906R1

COVER

1шт.

Version with additional control valves

1шт.

413-414

BOLT,Hex, 1/4" - 20 x 7/8", Gr 5

3шт.

103319

LOCK WASHER,1/4"

3шт.

8

3137708R1

PLUG

expansion

1шт.

9

3058907R1

O-RING,2.5mm Thk x 18.5mm ID

1шт.

10

716954R1

PLUG,Hex, M22 x 1.5

1шт.

11

3131893R2

COVER

1шт.

13-510

BOLT,Hex, 5/16" - 18 x 5/8", Gr 5, Full Thd

4шт.

103320

LOCK WASHER,5/16"

4шт.

12

3131894R1

COVER

1шт.

NLS

NO LONGER SERVICED

4шт.

103325

LOCK WASHER,5/8"

4шт.

13

3131895R1

GASKET

1шт.

14

3057065R3

SPARE PART

1шт.

15

3131890R1

PLUG

expansion

1шт.

Выбрано товаров: 27