Запчасти Case IH 826 (10-26) - HYDRAULICS, DRAFT CONTROL, FARMALL TRACTORS W/ S/N 13354 & BELOW, INTL TRACTORS W/S/N 7664 & BELOW (07) - HYDRAULICS

Схема запчастей Case IH 826 - (10-26) - HYDRAULICS, DRAFT CONTROL, FARMALL TRACTORS W/ S/N 13354 & BELOW, INTL TRACTORS W/S/N 7664 & BELOW (07) - HYDRAULICS
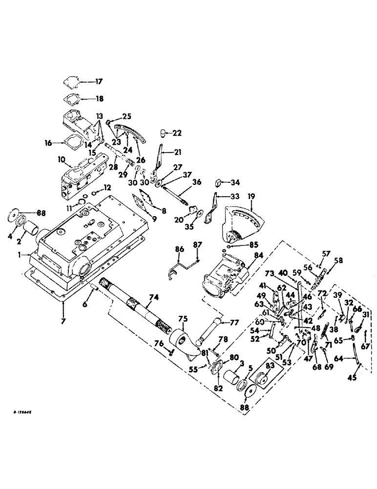
35
34
32
38
70
48
71
6
45
46
10
3
9
15
29
88
19
56
43
61
59
72
83
41
27
65
1
85
22
73
30
84
13
81
54
76
58
36
88
7
67
26
74
4
39
40
75
16
21
66
2
23
30
12
50
55
37
80
86
87
42
28
31
62
25
8
11
64
69
78
14
18
17
20
47
51
24
33
52
57
60
63
68
5
49
77
53
82
44
FIT
1:1
100%

Артикул

Название

Примечание

Количество

1

398353R91

COVER W/TWO BEARINGS AND BUSHING, rear frame, gear drive tractors

1шт.

1

528195R92

COVER

W/TWO BEARINGS AND BUSHING, rear frame, hydrostatic drive tractors

1шт.

20203R1

BOLT,Hex, 5/8" - 11 x 3 7/8", Gr 5

SCREW, 5/8-11 x 3-7/8 hex-hd. cap

16шт.

444776

PLUG,Sq Soc, 1/4"-18 NPTF

1/4-18 sq-soc. pipe

1шт.

2

382774R2

BUSHING,70.78mm ID x 76.2mm OD x 80.26mm L

BEARING, rockshaft LH

1шт.

3

382775R2

BUSHING,76.85mm ID x 81.28mm OD x 80.26mm L

BEARING, rockshaft RH

1шт.

4

382776R91

OIL SEAL

rockshaft oil LH

1шт.

5

382778R91

OIL SEAL

rockshaft oil RH

1шт.

6

382798R1

BUSHING

eccentric shaft position control

1шт.

7

380264R2

GASKET

rear frame cover

1шт.

8

382415R1

COVER

valve adj. opening

1шт.

179814

SPACER

6шт.

9

382416R1

GASKET

valve adj. opening cover

1шт.

10

399601R94

SUPPORT ASSY, seat RH, for components see list of parts under details of seat and hydraulic component support, section 13

1шт.

179841

BOLT,Hex, 3/8" - 16 x 1 1/4", Gr 5

3/8-16 x 1-1/4 hex-hd. cap

2шт.

279991R1

SCREW

W/PELLET INSERT, 1/2-13 x 1-1/2 hex-hd. cap

1шт.

103321

LOCK WASHER,3/8"

WASHER, LOCK, 3/8"

2шт.

103323

LOCK WASHER,1/2"

WASHER, LOCK, 1/2"

1шт.

1017989R1

PLUG

7/8-14 self aligning

4шт.

11

384377R1

O-RING,0.103" Thk x 2.55" ID, -141, Cl 6, 90 Duro

2-5/16 x 2-1/2 x 3/32, hyd. component housing large

1шт.

12

381884R1

O-RING,0.103" Thk x 0.987" ID, -120, Cl 6, 90 Duro

1 x 1-3/16 x 3/32, hyd. component housing small

1шт.

12

386867R1

O-RING,0.103" Thk x 1.11" ID, -122, Cl 6, 90 Duro

1-1/8 x 1-5/16 x 3/32, hyd. component housing

1шт.

13

382792R11

SUPPORT ASSY.

SUPPORT ASSY, draft control quadrant

1шт.

138250

SCREW, 3/8-16 x 3 hex-soc-hd. cap

2шт.

280161

BOLT,Hex, 3/8" - 16 x 3", Gr 5

2шт.

103321

LOCK WASHER,3/8"

WASHER, LOCK, 3/8"

2шт.

14

401836R1

BUSHING, quadrant support

1шт.

15

383133R91

SEAL

quadrant support oil

1шт.

16

382793R1

GASKET

quadrant support opening

1шт.

17

382794R1

COVER

quadrant support

1шт.

179791

BOLT,Hex, 1/4" - 20 x 1/2", Gr 5

3шт.

413-414

BOLT,Hex, 1/4" - 20 x 7/8", Gr 5

SCREW, 1/4-20 x 7/8 hex-hd. cap

1шт.

18

382795R1

GASKET

quadrant support cover

1шт.

19

399384R1

SECTOR

control quadrant

1шт.

186270

BOLT,Hex, 5/16" - 18 x 3 1/2", Gr 5

3шт.

103320

LOCK WASHER,5/16"

WASHER, LOCK, 5/16"

3шт.

20

398354R1

BEARING, sensitivity control shaft

1шт.

21

398355R1

HANDLE

ASSY, position control

1шт.

22

382801R1

BALL

KNOB, position control handle

1шт.

23

378619R11

GUIDE

ASSY, position control handle

1шт.

88542

BOLT,Hex, 1/4"-20 x 1/2", Gr 5

SCREW, 1/4-20 x 1/2 cd or zn-pltd. hex-hd. cap

2шт.

492-11025

LOCK WASHER,1/4"

WASHER, LOCK, 1/4"

2шт.

24

371599R2

LARGE PIN

PIN, adjustable stop

1шт.

25

371600R2

HANDLE

KNOB, adjustable stop pin

1шт.

26

378620R1

STOP

position control handle

1шт.

144417H

NUT,1/4"-28, GB

1/4-28 cd pltd. ESNA stop

1шт.

27

376056R1

DISC

position handle friction

1шт.

28

382802R11

SHAFT

ASSY, position control

1шт.

29

378067R1

SPRING

position control handle friction

1шт.

30

376063R1

NUT

position control handle friction spring

2шт.

103346

WASHER

13/16 x 1-1/2 x .134

1шт.

31

382803R2

LEVER, position control

1шт.

32

378066R1

SNAP RING,#X74, .616" Dia, E-Type

RING, retaining, , position control shaft #X74, .616" Dia, E-Type

2шт.

33

398357R1

HANDLE

ASSY, sensitivity control

1шт.

34

382805R1

KNOB

sensitivity control handle

1шт.

35

380421R1

FRICTION WASHER

DISC, sensitivity control handle friction

1шт.

36

384602R91

SHAFT

ASSY, sensitivity control lever

1шт.

114503

JAM NUT,Jam, 3/8"-16, G5

2шт.

376066R1

BELLEVILLE WASHER

Belleville

2шт.

Q1597

WASHER

13/32 x 3/4 x 16 ga.

1шт.

37

355967R1

O-RING,0.364" ID x 0.003" Width

3/8 x 1/2 x 1/16, sensitivity control shaft

1шт.

38

110668R1

CIRCLIP,#37, .300" Dia, E-Type

Ring, Retaining, #37, .300" Dia., E-Type, sensitivity control shaft

1шт.

39

382807R11

LEVER ASSY, sensitivity control

1шт.

40

110668R1

CIRCLIP,#37, .300" Dia, E-Type

Ring, Retaining, , sensitivity control lever pin #37, .300" Dia, E-Type

1шт.

41

384511R91

SUPPORT

ASSY, position control stop pivot

1шт.

179840

BOLT,Hex, 3/8" - 16 x 1 1/8", Gr 5

SCREW, 3/8-16 x 1-1/8 hex-hd. cap

1шт.

413-622

BOLT,Hex, 3/8" - 16 x 1-3/8", Gr 5

3/8-16 x 1-3/8 hex-hd. cap

1шт.

103321

LOCK WASHER,3/8"

WASHER, LOCK, 3/8"

2шт.

42

384513R11

LEVER

ASSY, draft control stop

1шт.

43

381478R1

SNAP RING,#X43, .375" Dia, E-Type

RING, retaining, , draft control stop lever #X43, .375" Dia, E-Type

1шт.

44

382825R11

LEVER

BELLCRANK ASSY, position control

1шт.

45

110668R1

CIRCLIP,#37, .300" Dia, E-Type

Ring, Retaining, , position control bellcrank #37, .300" Dia, E-Type

1шт.

46

204502R1

SNAP RING,#43, Ext

Position control bellcrank #43, Ext

1шт.

47

382828R91

LEVER

ECCENTRIC ASSY, draft control

1шт.

48

110668R1

CIRCLIP,#37, .300" Dia, E-Type

Ring, Retaining, , draft control eccentric shaft #37, .300" Dia, E-Type

1шт.

49

370290R1

SNAP RING,#50, .392" Dia, E-Type

RING, retaining, , draft control eccentric #50, .392" Dia, E-Type

1шт.

50

384399R91

ECCENTRIC

ASSY, position control

1шт.

51

355967R1

O-RING,0.364" ID x 0.003" Width

3/8 x 1/2 x 1/16, eccentric shaft

1шт.

52

110668R1

CIRCLIP,#37, .300" Dia, E-Type

Ring, Retaining, , position control eccentric pin #37, .300" Dia, E-Type

1шт.

53

971043R1

SNAP RING,#50, Ext

Eccentric shaft #50, Ext

1шт.

54

382838R1

LINK

, Serial Range: eccentric-rockshaft

1шт.

55

110668R1

CIRCLIP,#37, .300" Dia, E-Type

Ring, Retaining, , eccentric to rockshaft link #37, .300" Dia, E-Type

1шт.

56

384515R12

LINK ASSY, walking, Serial Range: beam-valve

1шт.

57

382841R1

PIN

walking, Serial Range: beam-valve

1шт.

58

110668R1

CIRCLIP,#37, .300" Dia, E-Type

Ring, Retaining, , valve pin #37, .300" Dia, E-Type

1шт.

59

382842R1

SCREW,Shldr, Hex, 5/16" - 18 x 0.65", W/ Nylon Pellet

shoulder

1шт.

60

382843R11

BEAM

ASSY, follow-up walking

1шт.

61

110668R1

CIRCLIP,#37, .300" Dia, E-Type

Ring, Retaining, , follow-up walking beam #37, .300" Dia, E-Type

1шт.

62

382845R1

LINK

walking, Serial Range: beam-bellcrank

1шт.

63

104977R1

SNAP RING,#X31, .243" Dia, E-Type

RING, RETAINING, , Walking beam to bellcrank #X31, .243" Dia, E-Type

1шт.

64

382846R1

ROD

position control, lower

1шт.

65

382847R1

TURNBUCKLE

position control rod

1шт.

114503

JAM NUT,Jam, 3/8"-16, G5

1шт.

66

382848R21

ROD

ASSY, position control, upper

1шт.

67

110668R1

CIRCLIP,#37, .300" Dia, E-Type

Ring, Retaining, , position control rod pin #37, .300" Dia, E-Type

1шт.

68

382787R1

ROD

ARM, draft control sensing pick-up

1шт.

69

382788R1

PIN

sensing pick-up arm

1шт.

70

110668R1

CIRCLIP,#37, .300" Dia, E-Type

Ring, Retaining, , sensing pick-up arm pin #37, .300" Dia, E-Type

1шт.

71

387413R1

SPRING

sensing arm return

1шт.

72

387414R1

ANCHOR

spring, part of cylinder and valve, 382596R93

1шт.

73

382786R1

LEVER

LINK, draft control eccentric to sensing lever

1шт.

74

388573R2

ROCKSHAFT

hyd. draft control

1шт.

75

382810R2

ROD

BELLCRANK, rockshaft

1шт.

76

382811R1

SET SCREW,Hex, 3/8" - 16, Lok-Thd x 1 1/2", Cone Pt

rockshaft bellcrank lok-thread set

1шт.

77

382812R4

ROD

piston connecting

1шт.

78

398314R2

PIN,6.35mm OD x 76.2mm L

piston connecting rod

1шт.

103384

COTTER PIN,1/8" x 3/4"

Pin, Split (Cotter), 1/8" x 3/4"

1шт.

16558R1

WASHER

17/64 x 5/8 x .049

1шт.

79

NSS

NOT SOLD SEPARAT

(Not used in this application)

1шт.

80

384518R11

CAM

ASSY, rockshaft actuating hub

1шт.

81

376057R1

BUCKET TOOTH KEY

KEY, rockshaft actuating hub cam

1шт.

82

382816R1

SET SCREW

rocksahft actuating hub cam set

1шт.

83

NSS

NOT SOLD SEPARAT

(Not used in this application

1шт.

84

NSS

NOT SOLD SEPARAT

CYLINDER AND VALVE ASSY, draft control, for components see list of parts under details of draft control cylinder and valve

1шт.

271560

PANEL,Hex, 5/8" - 11 x 1 3/4", Gr 5

5/8-11 x 1-3/4 hex-hd cap

2шт.

413-1060

BOLT,Hex, 5/8" - 11 x 3-3/4", Gr 5

SCREW, 5/8-11 x 3-3/4 hex-hd. cap

2шт.

85

387926R2

RING

seal, Serial Range: cylinder-cover

2шт.

86

385942R91

TUBE

ASSY, cylinder lub

1шт.

179816

BOLT,Hex, 5/16" - 18 x 3/4", Gr 5

1шт.

103320

LOCK WASHER,5/16"

WASHER, LOCK, 5/16"

1шт.

87

19984R1

TUBE NUT,7/16"-24

NUT, 7/16-24 hi-duty tube fitting for 1/4 tube, optional with 19898D

1шт.

87

222-502

TUBE NUT,7/16"-24

NUT, 7/16-24 hi-duty tube fitting for 1/4 tube, optional with 19984R1

1шт.

88

388574R1

WASHER,16.51mm ID x 82.55mm OD x 4.78mm Thk

rockshaft arm retainer

2шт.

271556

WHEEL CYLINDER,Hex, 5/8" - 11 x 1 1/4", Gr 5

SCREW, 5/8-11 x 1-1/4 hex-hd. cap

2шт.

Выбрано товаров: 124