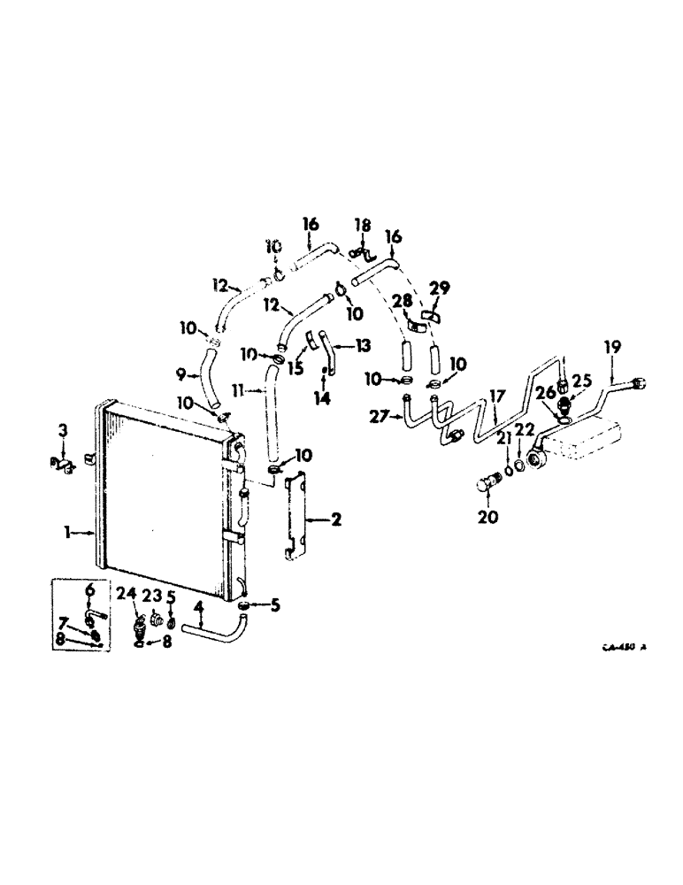
Запчасти Case IH 826 (06-02) - COOLING, OIL COOLER, HYDROSTATIC DRIVE TRACTORS Cooling

Схема запчастей Case IH 826 - (06-02) - COOLING, OIL COOLER, HYDROSTATIC DRIVE TRACTORS Cooling
10
10
5
11
4
10
21
27
12
25
2
23
16
9
3
12
29
10
1
13
15
14
10
8
18
10
22
17
26
10
16
7
28
10
19
8
20
5
6
24
FIT
1:1
100%

Артикул

Название

Примечание

Количество

1

530284R1

COOLER ASSY.

COOLER ASSY, for service replacement on Farmall tractors w/serial no. 9305 and below, also order ref. nos. 9, 11, 23 and 24

1шт.

1

406043R1

COOLER ASSY, oil, International tractors

1шт.

127859H1

SPACER, oil cooler, International 2826 tractors

3шт.

2

406048R1

BRACKET ASSY, oil cooler mtg hinge

1шт.

L418C

HEADED PIN,5/16" x 2 3/8"

PIN, 5/16 x 2-3/8 headed

2шт.

103373

COTTER PIN,3/32" x 3/4"

Pin, Split (Cotter), 3/32" x 3/4"

2шт.

217911

SCREW

3/8-16 x 7/8 hex-soc-hd cap

2шт.

61-33820

HEX SOC SCREW,3/8"-16 x 1 1/4"

SCREW, 3/8-16 x 1-1/4 hex-soc-hd. cap, International 2826 tractors

2шт.

Q1597

WASHER

13/32 x 3/4 x 16 ga.

2шт.

3

406050R1

BRACKET ASSY, oil cooler mtg.

1шт.

129-419

WING NUT,5/16"-18

NUT, 5/16-18 wing

1шт.

179839

BOLT,Hex, 3/8" - 16 x 1", Gr 5

1шт.

179841

BOLT,Hex, 3/8" - 16 x 1 1/4", Gr 5

3/8-16 x 1-1/4 hex-hd. cap, International 2826 tractors

1шт.

103321

LOCK WASHER,3/8"

WASHER, LOCK, 3/8"

1шт.

95-11034

WASHER,1/4"

11/32 x 11/16 x .051

1шт.

4

406052R1

HOSE, oil cooler to pivot shaft cover, Farmall tractors

1шт.

5

279025R91

HOSE CLAMP,#06, .44/.78 Type F Worm

Farmall tractors #06, .44/.78 Type F Worm

2шт.

6

406053R1

TUBE

ASSY, relief, Farmall tractors w/serial no. 9305 and below

1шт.

7

9410202

HYD CONNECTOR,9/16"-18, 37 Degree x 9/16"-18, O-Ring

UNION, 9/16-18 87 deg. hyd. flared tube short swivel, Farmall tractors w/serial no. 9305 and below

1шт.

8

364839R1

O-RING,0.078" Thk x 0.468" ID, -906, Cl 6, 90 Duro

6-1, 90 Duro, .468" ID x .078" Thk, Farmall tractors

1шт.

9

530921R1

HOSE, oil cooler supply, replaces 406054R1

1шт.

10

274085R91

HOSE CLAMP,#10, 0.56/1.06 Type F Worm

CLAMP, hose

8шт.

11

397493R2

HYDRAULIC HOSE,0.63" ID x 17.00"

HOSE, oil cooler return, replaces 401511R1

1шт.

12

406056R2

PIPE CLAMP

TUBE, oil cooler front

2шт.

13

406059R1

SUPPORT, oil cooler tube

1шт.

179816

BOLT,Hex, 5/16" - 18 x 3/4", Gr 5

1шт.

14

351549R1

WASHER

SPACER, oil cooler tube support

1шт.

15

406057R1

CLAMP, oil cooler tube

1шт.

109084

NUT,1/4"-20, G5

1шт.

179798

BOLT,Hex, 1/4" - 20 x 1 1/8", Gr 5

1шт.

103319

LOCK WASHER,1/4"

WASHER, LOCK, 1/4"

1шт.

16

530923R1

HOSE, oil cooler, carbureted engine tractors

2шт.

16

530922R1

HOSE, oil cooler, diesel engine tractors

2шт.

17

532273R2

TUBE ASSY, oil cooler inlet

1шт.

18

533926R1

GUIDE, oil cooler hose, diesel and LP gas engine tractors

1шт.

179812

GEAR

SCREW, 5/16-18 x 1/2 hex-hd. cap

1шт.

18

120849H

COLLAR CLAMP

GUIDE, oil cooler hose, gasoline engine tractors

1шт.

256873

BOLT,Hex Serr, 5/16" - 18 x 1/2", 5SPL, Full Thd

1шт.

19

532270R1

TUBE ASSY, multi-valve inlet

1шт.

20

378169R1

SCREW,Hex, 7/8" - 14 x 1.62"

PLUG, inlet union

1шт.

21

364885R1

O-RING,0.097" Thk x 0.755" ID, -910, Cl 6, 90 Duro

3/4 x 15/16 x 3/32

1шт.

22

384376R1

O-RING,0.07" Thk x 0.926" ID, -21, Cl 6, 90 Duro

15/16 x 1-1/16 x 1/16

1шт.

23

531893R1

TUBE ASSY, relief, Farmall tractors w/serial no. 9306 and above

1шт.

24

9411104

ELBOW,45 Degree, 9/16"-18, 37 Degree x 9/16"-18, O-Ring

9/16-18 37 deg. hyd. flare tube adj str thd. 45 deg, Farmall tractors w/serial no. 9306 and above

1шт.

25

9410204

HYD CONNECTOR,7/8"-14, 37 Degree x 7/8"-14, O-Ring

UNION, 7/8-14 37 deg. hyd. flared tube short swivel

1шт.

26

364885R1

O-RING,0.097" Thk x 0.755" ID, -910, Cl 6, 90 Duro

3/4 x 15/16 x 3/32

1шт.

27

529421R1

TUBE ASSY, oil cooler return

1шт.

28

529422R1

CLAMP ASSY, oil cooler tubes

1шт.

29

406057R1

CLAMP, oil cooler tubes

1шт.

179797

BOLT,Hex, 1/4" - 20 x 1", Gr 5

1шт.

103319

LOCK WASHER,1/4"

WASHER, LOCK, 1/4"

1шт.

Выбрано товаров: 51