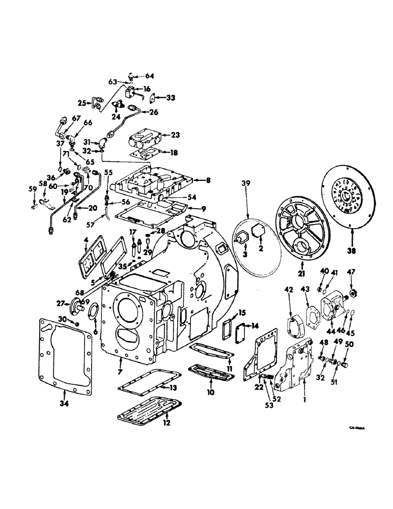
Запчасти Case IH 826 (07-02) - DRIVE TRAIN, HYDROSTATIC HOUSING, COVERS, DRIVE PLATE, HYD. PUMPS, MULT. CONTROL VALVE & CONNECTIONS (04) - Drive Train

Схема запчастей Case IH 826 - (07-02) - DRIVE TRAIN, HYDROSTATIC HOUSING, COVERS, DRIVE PLATE, HYD. PUMPS, MULT. CONTROL VALVE & CONNECTIONS (04) - Drive Train
68
1
16
60
59
63
46
10
21
51
58
19
20
70
26
13
22
9
69
4
38
45
47
30
24
3
34
12
49
11
65
41
42
14
29
5
40
61
56
53
62
44
54
50
36
35
23
18
32
39
43
57
71
8
52
31
48
66
28
67
37
7
32
27
64
33
25
17
55
2
15
FIT
1:1
100%

Артикул

Название

Примечание

Количество

1

NSS

NOT SOLD SEPARAT

VALVE ASSY, multiple control, for components see list of parts under details of multiple control valve listing, this section

1шт.

179845

BOLT,Hex, 3/8" - 16 x 1 3/4", Gr 5

SCREW, 3/8-16 x 1-3/4 hex-hd. cap

5шт.

186277

BOLT,Hex, 3/8" - 16 x 2 3/8", Gr 5

SCREW, 3/8-16 x 2-3/8 hex-hd. cap

11шт.

413-1036

BOLT,Hex, 5/8" - 11 x 2-1/4", Gr 5

SCREW, 5/8-11 x 2-1-4 hex-hd cap

2шт.

2

380073R1

COVER, engine timing pointer

1шт.

179791

BOLT,Hex, 1/4" - 20 x 1/2", Gr 5

2шт.

103319

LOCK WASHER,1/4"

WASHER, LOCK, 1/4"

2шт.

3

380072R1

POINTER, engine timing

1шт.

4

396041R3

BLOCK ASSY.

BLOCK, left side cover

1шт.

NLS

NO LONGER SERVICED

6шт.

116103

COPPER WASHER,10.31mm ID x 20.63mm OD x 1.65mm Thk

WASHER, 3/8 copper

5шт.

5

396042R1

GASKET

left side cover block

1шт.

6

396796R1

GASKET

cam pivot shaft housing

1шт.

7

406335R92

HOUSING ASSY, drive composed of (1) bearing 876871R91, (1) bushing 396024R1, (4) cork 104940, (1) cork 104941, (6) cork 104942, (1) housing (NSS) 406336R2, (1) oil seal 376022R91, (2) pin 19904R1, (1) seat 381611R1

1шт.

19904R1

DOWEL,1/2" x 1"

PIN, 1/2 x 1 dowel

2шт.

20975R1

DRAIN PLUG,Sq Soc, 1 1/4"-11 1/2, NTPF

PLUG, 1-1/4 sq-soc-hd. pipe, drive housing

2шт.

413-828

BOLT,Hex, 1/2" - 13 x 1-3/4", Gr 5

SCREW, 1/2-13 x 1-3/4 hex-hd. cap, Diesel engine tractors

2шт.

179889

BOLT,Hex, 1/2" - 13 x 2", Gr 5

SCREW, 1/2-13 x 2 hex-hd. cap, carbureted engine tractors

2шт.

103323

LOCK WASHER,1/2"

WASHER, LOCK, 1/2"

2шт.

271562

SHIELD,Hex, 5/8" - 11 x 2", Gr 5

SCREW, 5/8-11 x 2 hex-hd. cap

2шт.

TC132

CATALOG REVISION

SCREW, 5/8-11 x 2-1/4 hex-hd. cap, 6 for Farmall tractors, 8 for International tractors

1шт.

103325

LOCK WASHER,5/8"

WASHER, LOCK, , 8 for Farmall tractors, 10 for International tractors 5/8"

1шт.

8

406337R2

COVER

drive housing top

1шт.

375362R1

PIN,12.69mm OD x 34.8mm L

1/2 x 1-3/8 dowel

2шт.

179840

BOLT,Hex, 3/8" - 16 x 1 1/8", Gr 5

SCREW, 3/8-16 x 1-1/8 hex-hd. cap

6шт.

179844

BOLT,Hex, 3/8" - 16 x 1 5/8", Gr 5

SCREW, 3/8-16 x 1-5/8 hex-hd. cap

1шт.

179846

LEVER

3шт.

179847

BOLT,Hex, 3/8" - 16 x 2", Gr 5

2шт.

9

406495R2

GASKET

drive housing top

1шт.

10

406497R1

COVER

bottom front

1шт.

445686

PLUG

3/8-18 auto sq-hd. pipe

1шт.

179838

BOLT,Hex, 3/8" - 16 x 7/8", Gr 5, Full Thd

3/8-16 x 7/8 hex-hd cap

10шт.

11

406498R1

GASKET

bottom front

1шт.

12

406499R2

COVER ASSY

COVER, bottom rear

1шт.

445686

PLUG

3/8-18 auto sq-hd. pipe

1шт.

20953R1

DRAIN PLUG,Sq Hd, 1 1/4"-11 1/2 NPTF

PLUG, 1-1/4-11-1/2 auto. sq-hd. pipe

1шт.

179838

BOLT,Hex, 3/8" - 16 x 7/8", Gr 5, Full Thd

3/8-16 x 7/8 hex-hd cap

15шт.

13

406500R1

GASKET

bottom rear cover

1шт.

14

406501R1

COVER

right side

1шт.

179835

BOLT,Hex, 3/8" - 16 x 5/8", Gr 5, Full Thd

3шт.

179837

BOLT,Hex, 3/8" - 16 x 3/4", Gr 5

1шт.

15

406502R1

GASKET

right side cover

1шт.

16

406503R1

BLOCK

ASSY, lub

1шт.

179822

BOLT,Hex, 5/16" - 18 x 1 1/2", Gr 5

2шт.

17

406546R1

UNION

7/16-20 37 deg. bulk head tube to drive housing

2шт.

18

406548R1

GASKET

multi-valve body

1шт.

19

406549R1

TUBE

ASSY, power steering return

1шт.

20

406616R1

TUBE

ASSY, power steering pressure

1шт.

21

406649R1

COVER

front brg. support

1шт.

179883

BOLT,Hex, 1/2" - 13 x 1 1/4", Gr 5

8шт.

22

406716R2

GASKET

multiple control valve, heavy

1шт.

22

406717R2

GASKET

multiple control valve, light

1шт.

23

NSS

NOT SOLD SEPARAT

BODY ASSY, multiple valve, for components see list of parts under details of multiple valve body listing, this section

1шт.

179848

BOLT,Hex, 3/8" - 16 x 2 1/4", Gr 5

5шт.

179849

BOLT,Hex, 3/8" - 16 x 2 1/2", Gr 5

2шт.

24

529388R1

CROSS, lubrication

1шт.

25

529395R1

TUBE

ASSY, lub, front section

1шт.

26

529396R1

TUBE

ASSY, lub, rear section

1шт.

27

406706R11

HUB CAP

HOUSING ASSY, cam pivot shaft

1шт.

19969

PIN, 3/4 x 2-1/4 dowel

1шт.

179818

BOLT,Hex, 5/16" - 18 x 1", Gr 5

2шт.

382221R1

WASHER, sealing

2шт.

28

376022R91

OIL SEAL

SEAL, oil

1шт.

29

396024R1

BUSHING,12.72mm ID x 19.11mm OD x 38.1mm L

cam actuating rod

1шт.

30

381611R1

SEAT

valve

1шт.

31

9410978

ELBOW,90 Degree, 7/8"-14, 37 Degree x 7/8"-14, O-Ring

7/8-14 37 deg. hyd. flared tube adj std thd. 90 deg.

1шт.

32

364885R1

O-RING,0.097" Thk x 0.755" ID, -910, Cl 6, 90 Duro

3/4 x 15/16 x 3/32

2шт.

33

406506R1

GASKET

lub block

1шт.

34

406507R1

GASKET

drive housing to rear frame

1шт.

35

369384R1

O-RING,0.072" Thk x 0.414" ID, -905, Cl 6, 90 Duro

5-1, 90 Duro, .414" ID x .072" Thk, 5/16 OD tube

2шт.

36

9410203

HYD CONNECTOR,3/4"-16, 37 Degree x 3/4"-16, O-Ring

UNION, 3/4-16 37 deg. hyd. flared tube

1шт.

37

570828R1

O-RING,0.087" Thk x 0.644" ID, -908, Cl 6, 90 Duro

1/2 OD tube

1шт.

38

406036R91

PACKAGE

drive plate service, includes plate assy, six screws, 321964R1 and six washers, 406579R1

1шт.

321964R1

BOLT

SCREW W/NYLON PELLET INSERT, 1/2-13 x 7/8 hex-hd. cap

6шт.

406579R1

WASHER

17/32 x 7/8 x 16 ga.

6шт.

39

23072R1

O-RING,11.975" ID x 12.525" OD x 0.275"

12 x 12-1/2 x 1/4

1шт.

40

406712R1

TUBE

ASSY, pump suction

1шт.

41

252483R1

O-RING,-218, 70 Duro, 1.234" ID x .139" Thk

1-1/4 x 1-1/2 x 1/8 pump suction port

1шт.

42

378865R92

PUMP

ASSY, hydraulic gear, 4.5 gpm, Thompson, optional w/378866R92, for components see list of parts under details of hydraulic pump listing this section

1шт.

179849

BOLT,Hex, 3/8" - 16 x 2 1/2", Gr 5

4шт.

42

378866R92

HYDRAULIC PUMP

PUMP ASSY, hydraulic gear, 4.5 gpm, Cessna, optional w/378865R92, for components see list of parts under details of hydraulic pump listing, this section

1шт.

42

1949294C1

REMAN-HYD PUMP

Remanufactured Hydraulic Pump

1шт.

42

1949295C1

CORE-HYDRAULIC PUMP

Return Number, Hydraulic Pump

1шт.

179848

BOLT,Hex, 3/8" - 16 x 2 1/4", Gr 5

4шт.

43

371543R2

GASKET

hydraulic pump

1шт.

44

373964R94

PUMP

ASSY, hydraulic gear, 12 gpm, Cessna, optional w/374483R96, for components see list of parts under details of hydraulic pump listing, section 10

1шт.

44

374483R96

PUMP

ASSY, hydraulic gear, 12 gpm, Thompson, optional w/373964R94, for components see list of parts under details of hydraulic pump listing, section 10

1шт.

44

1949296C1

REMAN-HYD PUMP

Remanufactured Hydraulic Pump

1шт.

44

1949297C1

CORE-HYDRAULIC PUMP

Return Number, Hydraulic Pump

1шт.

179861

BOLT,Hex, 7/16" - 14 x 1 3/8", Gr 5

SCREW, 7/16-14 x 1-3/8 hex-hd. cap

2шт.

179864

BOLT,Hex, 7/16" - 14 x 1 3/4", Gr 5

SCREW, 7/16-14 x 1-3/4 hex-hd. cap

2шт.

52999D

WASHER

WASHER, pump mounting bolt sealing

4шт.

45

254691R1

O-RING,-211, 70 Duro, .796" ID x .139" Thk

13/16 x 1-1/16 x 1/8, pump pressure port large

1шт.

46

352221R1

O-RING,0.103" Thk x 0.549" ID, -113, Cl 5, 75 Duro

9/16 x 3/4 x 3/32, pump pressure port small

1шт.

47

406714R1

GEAR WHEEL

GEAR, hydraulic pump drive, 22T

1шт.

19263R1

LOCK NUT,Hex, 5/8" - 18

NUT, 5/8-18 znp nylon insert

1шт.

48

406718R1

SCREEN

ASSY, strainer

1шт.

49

406721R1

UNION

PLUG, strainer

1шт.

50

9410356

PLUG

7/16-20 str thd o-ring boss

1шт.

51

369751R1

O-RING,0.072" Thk x 0.351" ID, -904, Cl 6, 90 Duro

4-1, 90 Duro, .351" ID x .072" Thk

1шт.

52

531542R1

VALVE SPRING

SPRING, power steering return check valve, replaces 382334R1

1шт.

53

354057R2

VALVE

power steering return check

1шт.

54

9410360

PLUG

7/8-14 str. thd. o-ring boss

1шт.

364885R1

O-RING,0.097" Thk x 0.755" ID, -910, Cl 6, 90 Duro

3/4 x 15/16 x 3/32

1шт.

55

157221

CONECTOR, threaded sleeve

1шт.

56

114963

SLEEVE, small hex, threaded

1шт.

57

406496R1

TUBE

motor lubrication

1шт.

58

401116R1

BRACKET

ASSY, power steering return tube

1шт.

179818

BOLT,Hex, 5/16" - 18 x 1", Gr 5

1шт.

59

531133R1

HOSE, power steering return tube bracket

1шт.

60

531817R1

BRACKET, tube support

1шт.

17444R1

SCREW, 1/4-20 x 1-1/4 hex-hd. cap

1шт.

61

369785R1

CLAMP, power steering tube

1шт.

62

369758R11

CLAMP ASSY, power steering tubes

1шт.

63

364839R1

O-RING,0.078" Thk x 0.468" ID, -906, Cl 6, 90 Duro

6-1, 90 Duro, .468" ID x .078" Thk

1шт.

64

9410202

HYD CONNECTOR,9/16"-18, 37 Degree x 9/16"-18, O-Ring

UNION, 9/16-18 37 deg. hyd. flared tube short swivel

1шт.

65

369751R1

O-RING,0.072" Thk x 0.351" ID, -904, Cl 6, 90 Duro

4-1, 90 Duro, .351" ID x .072" Thk

1шт.

66

9410974

ELBOW,90 Degree, 7/16"-20, 37 Degree x 7/16"-20, O-Ring

7/16-20 37 deg. hyd. flared tube adj. str thd. 90 deg.

1шт.

67

530818R1

TUBE ASSY, pump lubrication

1шт.

68

406508R1

PLUG

hollow hex

1шт.

69

307915R1

O-RING,0.118" Thk x 1.475" ID, -920, Cl 6, 90 Duro

1-15/32 x 1-11/16 x 7/64

1шт.

70

9410202

HYD CONNECTOR,9/16"-18, 37 Degree x 9/16"-18, O-Ring

UNION, 9/16-18 37 deg. hyd. flare tube short swivel

1шт.

71

364839R1

O-RING,0.078" Thk x 0.468" ID, -906, Cl 6, 90 Duro

6-1, 90 Duro, .468" ID x .078" Thk

1шт.

Выбрано товаров: 123