Запчасти Case IH 826 (07-11) - DRIVE TRAIN, CENTER SECTION BODY, HYDROSTATIC DRIVE TRACTORS (04) - Drive Train

Схема запчастей Case IH 826 - (07-11) - DRIVE TRAIN, CENTER SECTION BODY, HYDROSTATIC DRIVE TRACTORS (04) - Drive Train
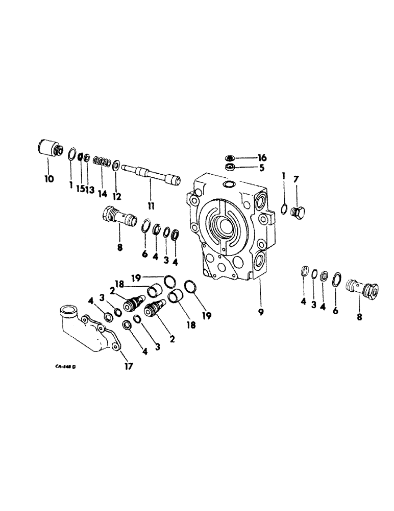
8
8
4
3
5
3
6
9
4
2
7
18
13
3
14
19
4
4
1
2
15
1
18
4
4
3
11
10
19
17
16
6
12
FIT
1:1
100%

Артикул

Название

Примечание

Количество

1

368269R1

O-RING,0.116" Thk x 0.924" ID, -912, Cl 6, 90 Duro

59/64 x 1-1/16 x 7/64, shuttle valve retaining plugs

2шт.

2

528778R1

CHECK VALVE

VALVE ASSY, check, optional w/528345R1

2шт.

2

528345R1

CHECK VALVE

VALVE ASSY, check, optional w/528778R1

2шт.

3

20947R1

O-RING,0.103" Thk x 0.799" ID, -117, Cl 6, 90 Duro

13/16 x 1 x 3/32, check relief valves

1шт.

4

393887R1

BACK-UP RING

WASHER, back-up, check and relief valve o-rings

6шт.

5

528404R1

PLUG, orifice

1шт.

6

297459R1

O-RING,0.116" Thk x 1.048" ID, -914, Cl 6, 90 Duro

1-3/64 x 1-7/32 x 7/64

2шт.

7

405512R1

PLUG

shuttle valve

1шт.

8

531770R1

VALVE

ASSY, relief

2шт.

9

406374R2

BODY ASSY, center section, includes ref nos 1, 5, 7, 10 thru 16

1шт.

10

396067R1

PLUG

shuttle valve spring retainer

1шт.

11

406379R1

VALVE

center section shuttle, see code A

1шт.

11

406380R1

VALVE

center section shuttle, see code B

1шт.

11

406381R1

VALVE

center section shuttle, see code C

1шт.

11

406382R1

VALVE

center section shuttle, see code D

1шт.

11

406383R1

VALVE

center section shuttle, see code E

1шт.

11

406384R1

VALVE

center section shuttle, see code F

1шт.

12

396063R1

WASHER

shuttle valve inner

1шт.

13

396064R1

WASHER

shuttle valve outer

1шт.

14

531079R1

SPRING

shuttle valve centering

1шт.

15

396066R1

SNAP RING,#46, .433", Ext

RING, shuttle valve snap

1шт.

16

529376R1

STRAINER ELEMENT

SCREEN, orifice

1шт.

17

406340R1

MANIFOLD

check valve

1шт.

560164R1

SCREW,Hex, 3/8"-16 x 7/8", G8, Full Thd

3/8-16 x 7/8 hex-hd. cap type 4

2шт.

20841R1

BOLT,Hex, 3/8" - 16 x 2 5/8", Gr 8

SCREW, 3/8-16 x 2-5/8 hex-hd. cap type 4

1шт.

18

406991R2

SPACER

Check valve

2шт.

19

406657R1

RING

check valve sealing

2шт.

393885R91

GASKET KIT

PACKAGE, relief valve seal, consists of o-ring, 20947R1, o-ring, 297459R1 and two rings, 393887R1

1шт.

Выбрано товаров: 28