Запчасти Case IH 830-SERIES (290) - STANDARD CLUTCH PARTS, STANDARD CLUTCH DRIVE, GENERAL PURPOSECLUTCH SHAFT (06) - POWER TRAIN

Схема запчастей Case IH 830-SERIES - (290) - STANDARD CLUTCH PARTS, STANDARD CLUTCH DRIVE, GENERAL PURPOSECLUTCH SHAFT (06) - POWER TRAIN
31
9
3
2
22
11
30
26
5
20
28
25
32
10
1
8
12
29
14
33
21
4
23
7
24
27
15
6
13
FIT
1:1
100%

Артикул

Название

Примечание

Количество

1

A7687

X

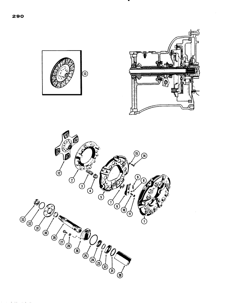
CLUTCH ASSY. - pressure plate (incl. ref. 2 - 11)

1шт.

2

A7674

LARGE PLATE

PLATE, LARGE PLATE - pressure

1шт.

3

A11045

VALVE SPRING

SPRING - pressure (pink)

12шт.

4

A7680

CUP

CUP - spring seat

12шт.

5

A7686

SPARE PART PLATE - back

1шт.

6

A7685

LEVER

LEVER - clutch release

3шт.

7

A7678

SPRING

SPRING - torsion, lever

3шт.

8

A7677

PIN

PIN - pivot, lever

3шт.

9

132-25

COTTER PIN,3/32" x 5/8"

Pin, Split (Cotter), 3/32" x 5/8"

3шт.

10

A7676

ADJUSTMENT SCREW,7/16" - 20 x 15/16"

SCREW - adjusting, lever

3шт.

11

A31129

NUT

NUT - lock, adj. screw

3шт.

12

A34277

PLATE

PLATE - drive (w/button type facing)

1шт.

12

1997842C1R

REMAN-CLUTCH DISC

Remanufactured Clutch Disc, 12 in., 16Tooth hub, 4 paddle, No damper assembly

1шт.

12

1997842C1C

CORE-CLUTCH DISC

Return Part Number

1шт.

13

A33484

X

PLATE - drive (w/disc type facing) Order A34277 when depleted

1шт.

A33485

KIT

FACING KIT - replacement (for A33484)

1шт.

14

13-816

BOLT,Hex, 1/2" - 13 x 1", Gr 5, Full Thd

BOLT, , Clutch to flywheel Hex, 1/2"-13 x 1", G5, Full Thd

6шт.

15

92-8

LOCK WASHER,1/2"

LOCK WASHER, 1/2"

6шт.

20

A28154

SPARE PART COUPLING - clutch shaft to range shaft

1шт.

21

A7142

RING, SNAP

SPARE PART RING - snap, rear bearing, clutch shaft

1шт.

22

G13075

BEARING, BALL

BEARING - rear, clutch shaft

1шт.

23

A7147

SNAP RING,#177, Ext

RING, snap, , front bearing, clutch shaft #177, Ext

1шт.

24

A7146

OIL SEAL

SEAL - oil, rear, clutch shaft

1шт.

25

A27994

O-RING,0.139" Thk x 3.234" ID, -236, Cl 5, 75 Duro

"O" RING - bearing carrier (3-1/4" I.D.), clutch shaft

1шт.

26

A7141

CARRIER

CARRIER - bearing, clutch shaft

1шт.

27

13-614

BOLT,Hex, 3/8" - 16 x 7/8", Gr 5, Full Thd

BOLT, , Clutch shaft Hex, 3/8"-16 x 7/8", G5, Full Thd

3шт.

28

92-6

LOCK WASHER,3/8"

LOCK WASHER, , clutch shaft 3/8"

3шт.

29

A7138

SPARE PART SHAFT - clutch

1шт.

30

A57479

OIL SEAL

SEAL - oil, front (Replaces A7144), clutch shaft

1шт.

31

A7145

RETAINER

RETAINER - oil seal, clutch shaft

1шт.

32

A28318

O-RING,0.139" Thk x 2.484" ID, -230, Cl 5, 75 Duro

"O" RING - retainer (2-1/2" I.D.), clutch shaft

1шт.

33

A28237

BALL BEARING,34.99mm ID x 62mm OD x 14mm W

BEARING - pilot (in flywheel), clutch shaft

1шт.

Выбрано товаров: 32