Запчасти Case IH 830-SERIES (070) - AIR CLEANER, 251 AND 284 SPARK IGNITION ENGINES, FRONT MOUNTED, 1ST USED TRAC. S/N 8201146 (02) - ENGINE

Схема запчастей Case IH 830-SERIES - (070) - AIR CLEANER, 251 AND 284 SPARK IGNITION ENGINES, FRONT MOUNTED, 1ST USED TRAC. S/N 8201146 (02) - ENGINE
31
36
2
33
7
12
34
18
15
19
8
4
3
17
35
6
14
9
11
30
22
5
2
6
26
10
20
32
16
24
21
13
7
1
25
23
27
FIT
1:1
100%

Артикул

Название

Примечание

Количество

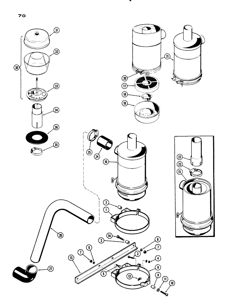
1

A16504

BAND ASSY. - upper, air cleaner

1шт.

2

C3692S

SPACER - air cleaner support

4шт.

3

75-424

SCREW

- mach., 1/4 x 1-1/2" N.C. rd. hd.

2шт.

4

25-224

SQUARE NUT,Sq, 1/4"-20

- 1/4" N.C. sq.

2шт.

5

13-630

BOLT,Hex, 3/8" - 16 x 1-7/8", Gr 5

- 3/8 x 1-7/8" N.C. hex

4шт.

6

92-6

LOCK WASHER,3/8"

6шт.

7

25-106

NUT,3/8"-16, G5

- 3/8" N.C. hex

6шт.

8

A24308

BAND ASSY. - lower, air cleaner

1шт.

9

C3690S

SPACER - front, lower band

1шт.

10

175-442

SCREW,Phil Truss Hd, 1/4" - 20 x 1 3/4"

- 1/4 x 3/4" N.C. truss hd. Phillips

1шт.

11

193-73

LOCK WASHER,Ext-Int Tooth, 1/4"

WASHER - lock, 1/4" int.-ext. Shakeproof

1шт.

12

131-114

SPRING NUT,Rtnr, 1/4" - 20, 0.25" High

NUT - speed, 1/4" N.C.

1шт.

13

A23805

SUPPORT - lower band, air cleaner

1шт.

14

13-612

BOLT,Hex, 3/8" - 16 x 3/4", Gr 5, Full Thd

2шт.

15

A24311

AIR CLEANER - (w/short stack) Order A24567

1шт.

16

A24567

AIR CLEANER - (w/3-3/4" stack) (incl. ref. 17 - 21)

1шт.

17

A8295

SCREEN

1шт.

18

A8298

CLAMP - screen

1шт.

19

A8296

CUP - oil

1шт.

20

A8297

CLAMP

- oil cup

1шт.

21

NSS

NOT SOLD SEPARAT

BODY (Order A24567)

1шт.

22

A24437

EXTENSION

- (for air cleaner w/short stack only)

1шт.

23

216-262

CLAMP - extension

1шт.

24

A20197

HOSE ASSY.

HOSE -, Serial Range: cleaner-tube

1шт.

25

214-262

HOSE CLAMP,#44, 2.31" - 3.25", Type F Worm

CLAMP - hose

4шт.

26

A24309

TUBE

- air, Serial Range: cleaner-carburetor

1шт.

27

A24310

HOSE

-, Serial Range: tube-carburetor

1шт.

30

A24439

CLEANER

PRE-CLEANER ASSY. (incl. ref. 31 - 33)

1шт.

31

73187

COVER

1шт.

32

365413R1

BOWL

BODY - (plastic)

1шт.

33

NSS

NOT SOLD SEPARAT

BASE (Order A24439)

1шт.

34

A24437

EXTENSION

- (2-1/4" O.D. x 5")

1шт.

35

214-260

HOSE CLAMP,#36, 1.81" - 2.75", Type F Worm

- extension #36, 1.81/2.75 Type F Worm

1шт.

36

A24438

SHIELD

- extension

1шт.

Выбрано товаров: 34