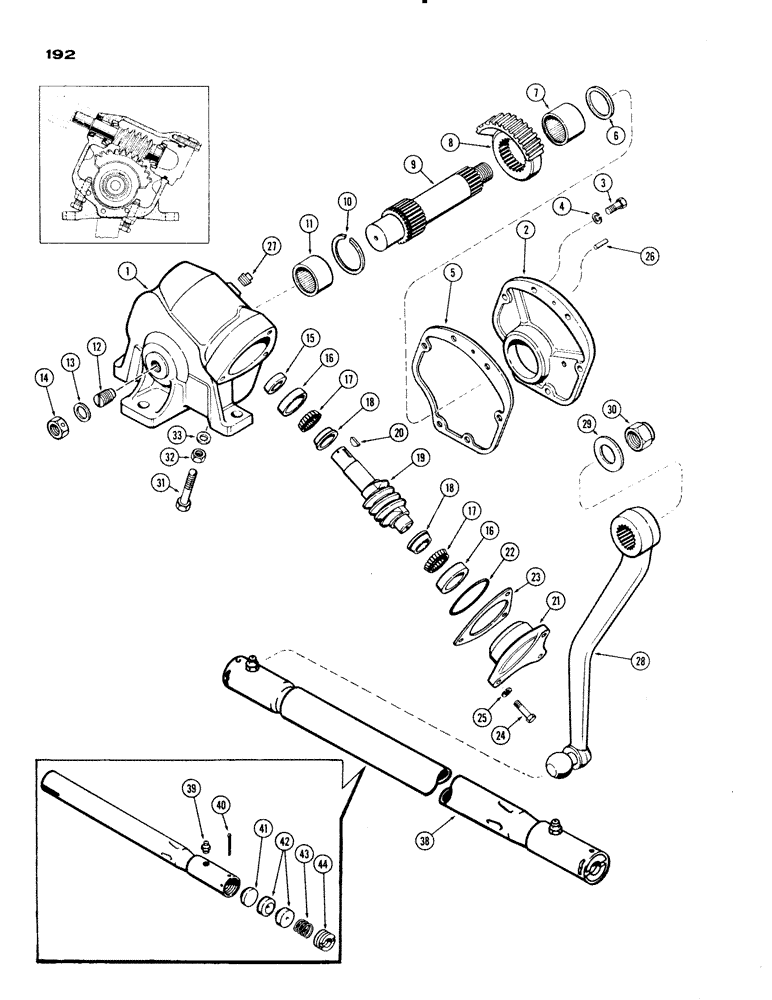
Запчасти Case IH 830-SERIES (192) - STEERING GEAR, MECHANICAL STD. FOUR WHEEL, DRAG LINK (05) - STEERING

Схема запчастей Case IH 830-SERIES - (192) - STEERING GEAR, MECHANICAL STD. FOUR WHEEL, DRAG LINK (05) - STEERING
7
16
8
15
19
16
13
39
24
1
20
26
17
30
21
42
38
14
3
17
5
18
6
22
29
4
33
23
12
32
9
43
27
40
41
18
31
25
28
11
44
10
2
FIT
1:1
100%

Артикул

Название

Примечание

Количество

A9435

HOUSING ASSY. - steering gear, complete (incl. ref. 1 - 33)

1шт.

1

A20974

HOUSING ASSY. - gear (incl. ref. 2 - 4)

1шт.

2

NSS

NOT SOLD SEPARAT

COVER - (Order A20974)

1шт.

3

13-618

BOLT,Hex, 3/8" - 16 x 1-1/8", Gr 5

Cover Hex, 3/8"-16 x 1 1/8", G5, Full Thd

5шт.

4

92-6

LOCK WASHER,3/8"

5шт.

5

A8135

GASKET

-, Serial Range: cover-housing

1шт.

6

A27564

OIL SEAL

- oil, steering arm shaft

1шт.

7

A28213

NEEDLE BEARING,1.5" ID x 1.875" OD x 1.25"

BEARING - needle, outer

1шт.

8

A8763

GEAR - sector

1шт.

9

A9004

SHAFT - steering arm & gear

1шт.

10

A27089

SNAP RING,2.36mm Thk, Ext

RING - snap, Serial Range: gear-shaft

1шт.

11

A7851

NEEDLE BEARING,Needle, 38.09mm ID x 47.64mm OD x 25.4mm W

BEARING - needle, inner

1шт.

12

A57173

ADJUSTMENT SCREW,3/4" - 16 x 1.406"

- adjusting, gear

1шт.

13

G10964

WASHER

- copper, adj. screw

1шт.

14

A57174

NUT - lock (3/4" N.F. spec.)

1шт.

15

A28317

SEAL

SEAL - oil, worm shaft

1шт.

16

A27172

BEARING, CUP,49.21mm OD x 15.88mm W

CUP - bearing, worm shaft

2шт.

17

A27170

BEARING, ROLLER, CYL,25.4mm ID x 11.15mm W

CONE - bearing, worm shaft

2шт.

18

A27171

CONE

RACE - bearing, worm shaft

2шт.

19

A8136

SHAFT - worm

1шт.

20

126-19

WOODRUFF KEY,#11, 3/16" x 7/8"

KEY - worm shaft (#11 Woodruff)

1шт.

21

A8785

CARRIER - bearing, worm shaft

1шт.

22

A28318

O-RING,0.139" Thk x 2.484" ID, -230, Cl 5, 75 Duro

"O" RING - carrier (2-1/2 x 2-3/4" x 1/8")

1шт.

23

A8723

SHIM,.003" Thk

Carrier .003" Thk

1шт.

23

A8724

SHIM - carrier (.005")

1шт.

23

A8725

SHIM,.010" Thk

Carrier .010" Thk

1шт.

24

13-624

BOLT,Hex, 3/8" - 16 x 1-1/2", Gr 5

- carrier, 3/8 x 1-1/2" N.C. hex

3шт.

25

92-6

LOCK WASHER,3/8"

3шт.

26

A20976

PIN - locating, cover (1/4 x 3/4")

2шт.

27

221-1014

DRAIN PLUG,Sq Hd, 1/2"-14 NPTF

PLUG - housing, 1/2" P.T. sq. hd.

1шт.

28

A9437

ARM - drop, steering

1шт.

29

195-53

WASHER,1" x 2" x .134"

- plain (1-1/16 x 2 x 9/64")

1шт.

30

131-300

NUT - arm 1" N.F. locking

1шт.

31

A20687

X

BOLT - gear adj. (1/2 x 2-1/2" N.C. spec.)

1шт.

32

131-805

LOCK NUT,Spcl, Hex, 1/2" - 13 x 0.4375" Thk, Gr A, Pellet

NUT - lock, 1/2" N.C. hex

1шт.

33

A11557

GASKET

WASHER - copper (33/64 x 7/8 x 3/64")

1шт.

38

A11384

DRAG LINK - (48-5/16" lg.) Std. 4 wheel & west. spec. (incl. ref. 39 - 44)

1шт.

38

A10233

TIE-ROD

DRAG LINK - (66-9/16" lg.) (730 Grove) (incl. ref. 39 - 44)

1шт.

39

219-1

LUBE NIPPLE,1/8" - 27 NPTF

FITTING - grease, 1/8" P.T. str., drag link

2шт.

39

219-55

LUBE NIPPLE,90 Degree Elbow, 1/8" - 27 NPTF

NIPPLE, LUBE, (Grove only), drag link 90º, 1/8" NPT x .84" lg

1шт.

41

A26767

SEAT

- bearing, drag link

2шт.

42

A26629

BEARING

- ball seat, drag link

4шт.

43

A26630

VALVE SPRING

SPRING - bearing, pressure, drag link

2шт.

44

A26628

ADJUSTMENT SCREW,5/16" - 18 x 3/4"

SCREW - pressure adjusting, drag link

2шт.

40

132-56

COTTER PIN,Ext Prong Sq Cut, 1/8" x 2"

Pin, Split (Cotter), , Drag link 1/8" x 2"

2шт.

Выбрано товаров: 45