Запчасти Case IH 844S (10-08) - STEERING CONTROL VALVE, "ZF" (07) - HYDRAULICS

Схема запчастей Case IH 844S - (10-08) - STEERING CONTROL VALVE, "ZF" (07) - HYDRAULICS
4
3
13
7
18
20
12
10
1
3
19
11
16
21
22
5
9
23
24
14
17
15
6
8
2
FIT
1:1
100%

Артикул

Название

Примечание

Количество

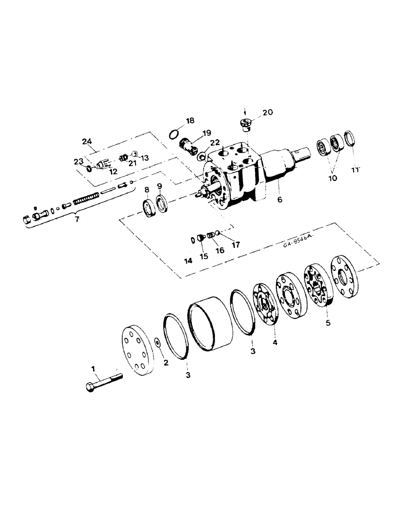
3221623R94

VALVE, CONTROL

STEERING - FOR 844S AND FOR 2-WHEEL DRIVE W/FRONT AXLE 3232212R91 -

1шт.

3147931R96

VALVE, CONTROL

STEERING FOR APL-3052 AND 844S 2 WHEEL DRIVE CANADA ONLY

1шт.

2230108R91

VALVE, STEERING CONTROL FOR APL-1351 AND FOR 2 WHEEL DRIVE W/FRONT

1шт.

1

3221627R1

BOLT

BOLT, FOR VALVE 3221623R94

7шт.

1

3216069R1

BOLT

BOLT, FOR VALVE 3147931R96

7шт.

1

3230112R1

BOLT

SPARE PART FOR VALVE 3230108R91

7шт.

2

3216070R1

WASHER

1шт.

3

3225273R1

O-RING

2шт.

4

3216072R1

PLATE

CAM

1шт.

5

3221626R1

ROTOR

SET FOR 3221623R94

1шт.

5

3216073R1

ROTOR

SPARE PART SET, FOR 3147931R96 -

1шт.

5

3230111R1

ROTOR

SET FOR 3230108R91 -

1шт.

6

3221625R1

HOUSING

W/SPOOLS FOR 3221623R94 AND 3230108R91 - - CONSISTS OF ITEMS 6-11 -

1шт.

6

3216074R1

HOUSING

W/SPOOLS FOR 3147931R96 - CONSISTS OF ITEMS 6-11 -

1шт.

7

3216081R1

VALVE

SAFETY

1шт.

8

3216082R3

SEAL

OIL

1шт.

9

3216083R1

WASHER

BACK-UP

1шт.

10

3139062R91

BEARING, NEEDLE,Needle, 22.21mm ID x 31.88mm OD x 9.53mm W

2шт.

11

3216084R1

SEAL

OIL

1шт.

12

3224366R1

PLATE, LOCKING

GUIDE, BALL

2шт.

13

934018R1

BALL

2шт.

14

3216075R3

O-RING

AS REQUIRED

1шт.

15

3216076R1

PLUG

2шт.

16

3216419R1

SPRING

2шт.

17

934017R1

BALL,8mm OD, Gr 28

2шт.

18

3135107R3

O-RING,2mm Thk x 15mm ID

1шт.

19

3221624R3

VALVE, PRESSURE RELI

EF FOR 3221623R94

1шт.

19

3216078R3

VALVE, PRESSURE RELI

EF FOR 3230108R91 AND 3147931R96 -

1шт.

20

3216080R1

VALVE

NON RETURN

1шт.

21

3224369R1

SPRING

2шт.

22

3217266R1

FILTER

1шт.

23

3224368R1

WASHER

2шт.

24

3225861R91

HYDRAULIC VALVE

WITH 12, 13, 21, 23 - AS REQUIRED

1шт.

Выбрано товаров: 33