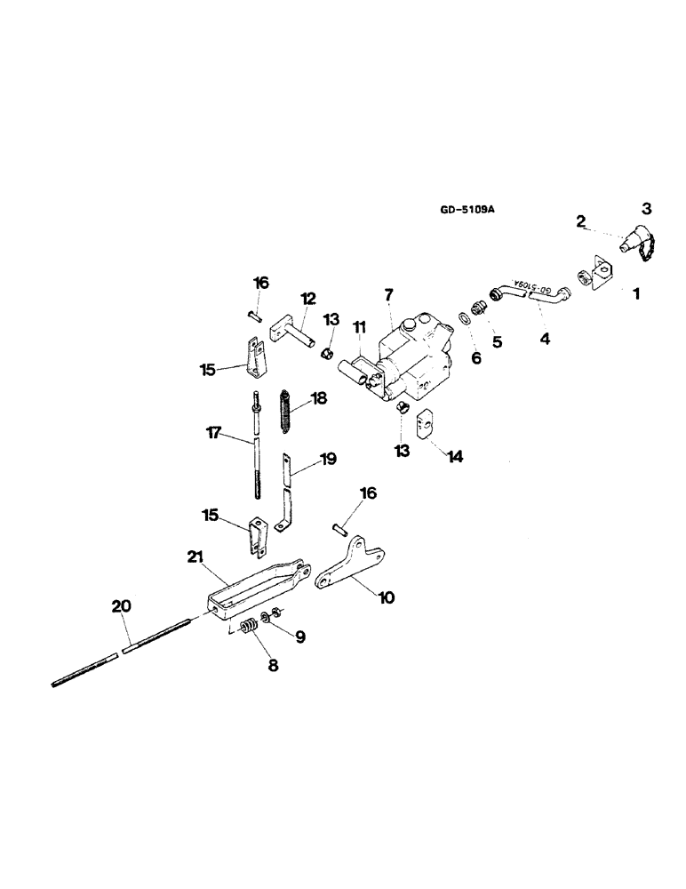
Запчасти Case IH 844S (10-80) - HYDRAULIC TRAILER BRAKE (07) - HYDRAULICS

Схема запчастей Case IH 844S - (10-80) - HYDRAULIC TRAILER BRAKE (07) - HYDRAULICS
16
20
4
7
18
3
14
13
9
16
17
8
15
10
5
13
12
21
6
19
11
2
15
1
FIT
1:1
100%

Артикул

Название

Примечание

Количество

1

3145495R1

BRACKET

1шт.

179885

BOLT,Hex, 1/2" - 13 x 1 1/2", Gr 5

1шт.

2

3131463R91

QUICK MALE COUPLING

WITH ITEM 3

1шт.

3

3147728R1

PLUG

CAP, COUPLING BREAK-AWAY

1шт.

4

3145496R1

TUBE

1шт.

5

3058449R1

HYD CONNECTOR,M16 x 1.5 x M18 x 1.5

1шт.

6

933155R1

SEALING RING,M16 x 20 x 1.5

1шт.

7

3145791R92

VALVE

BRAKE - WITH ITEM 11 - - SEE BRAKE VALVE -

1шт.

930980R1

BOLT,Hex, M8 x 1.25 x 60mm, Cl 8.8

1шт.

930911R1

BOLT,Hex, M8 x 1.25 x 100mm, Cl 8.8

1шт.

930805R1

BOLT,Hex, M8 x 1.25 x 110mm, Cl 8.8

2шт.

930915R1

BOLT,Hex, M8 x 1.25 x 140mm, Cl 8.8

1шт.

930916R1

BOLT,Hex, M8 x 1.25 x 150mm, Cl 8.8

2шт.

931083R1

BOLT,Hex, M8 x 1.25 x 175mm, Cl 8.8

1шт.

930917R1

BOLT,Hex, M8 x 1.25 x 190mm, Cl 8.8

2шт.

931082R1

BOLT,Hex, M8 x 1.25 x 230mm, Cl 8.8

2шт.

103320

LOCK WASHER,5/16"

As Required

1шт.

3078483R1

O-RING,2.5mm Thk x 15mm ID

1шт.

8

787785R1

SPRING

1шт.

9

50793H

WASHER

1шт.

10

3145803R1

PLATE ASSY.

LEVER, BRAKE

1шт.

786461R1

BOLT,Hex, 3/8" x 31mm

BOLT, 3/8 X 37 MM

1шт.

114494

NUT,Jam, 3/8"-24, G5

1шт.

933435R1

LOCK WASHER

1шт.

11

3145792R1

SUPPORT

1шт.

12

3145795R91

PIN

1шт.

13

3145798R1

BUSHING

2шт.

14

3145799R1

LEVER

1шт.

102437R1

BOLT, 1/4 X 44 MM

1шт.

114501

JAM NUT,Jam, 1/4"-20, G5

1шт.

932329R1

COTTER PIN,3.5mm OD x 24mm L, Slotted

1шт.

932756R1

LOCK PIN,M6 x 24, Slotted

1шт.

15

3145805R1

YOKE

UNIVERSAL JOINT YOKE CLEVIS, ADJUSTING

2шт.

16

427-5094

CLEVIS PIN,7.92mm OD x 23.88mm L

2шт.

192422

PIN, COTTER 7/64 X 13 MM

2шт.

17

3145809R1

ROD

1шт.

9635082

NUT,5/16" - 18, Gr 5

1шт.

25-285

SQUARE NUT,Sq, 5/16"-18

5/16 SQUARE

1шт.

17265R1

JAM NUT

5/16 LH THREAD/PAS A GAUCHE/LINKSGEWINDE -

1шт.

26582R1

SQUARE NUT

5/16 LH THREAD SQUARE

1шт.

18

3052054R1

SPRING

1шт.

19

3145806R1

ANGLE

1шт.

20

3145800R92

ROD

1шт.

102635

NUT,3/8"-16, G5

1шт.

105606

NUT

3/8 SQUARE

1шт.

21

3145802R1

YOKE

UNIVERSAL JOINT YOKE CLEVIS ADJUSTING

1шт.

103496

CLEVIS PIN,3/8" x 1.060"

1шт.

103373

COTTER PIN,3/32" x 3/4"

1шт.

Выбрано товаров: 48