Запчасти Case IH 844S (07-108) - PROPELLER SHAFT (04) - Drive Train

Схема запчастей Case IH 844S - (07-108) - PROPELLER SHAFT (04) - Drive Train
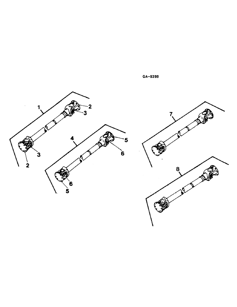
2
1
3
4
7
6
3
8
2
5
6
5
FIT
1:1
100%

Артикул

Название

Примечание

Количество

1

3223350R91

PROPELLER SHAFT

1370-1430 MM - APL-3502 - - 743/745S -

1шт.

1

3223354R91

PROPELLER SHAFT

1530-1590 MM - APL-3052 - - 844SI -

1шт.

713608R91

LUBE NIPPLE,90 Degree, M8 x 1

2шт.

933781R1

LUBE NIPPLE,M10 x 1

1шт.

2

3221118R1

FLANGE

SPARE PART

2шт.

3

3133521R1

SPIDER ASSY.

2шт.

4

3223351R91

SHAFT

PROPELLER 1370-1430 MM - APL-3052 - - 743/745S -

1шт.

4

3223355R91

SHAFT

PROPELLER - 1530-1590 MM - APL 3052 - - 844S -

1шт.

713608R91

LUBE NIPPLE,90 Degree, M8 x 1

2шт.

933781R1

LUBE NIPPLE,M10 x 1

1шт.

5

3148652R1

FLANGE

2шт.

6

3148651R1

SPIDER ASSY.

2шт.

7

3230175R91

PROPELLER SHAFT

1040-1475 MM - APL-1351 - - 743/745S -

1шт.

7

3230177R91

PROPELLER SHAFT

1208-1635 MM - APL-1351 - - 844S -

1шт.

8

3232019R91

PROPELLER SHAFT 1475 MM - APL-1351- - 743/745S -

1шт.

8

3232018R91

SHAFT HOUSING PROPELLER - 1201 - 1635 MM - APL-1351 - - 844S -

1шт.

Выбрано товаров: 0