Запчасти Case IH 856 (F-38) - HYDRAULICS SYSTEM, HYDRAULIC SEAT ATTACHMENT, HYDRAULIC PIPING AND CONNECTIONS (07) - HYDRAULIC SYSTEM

Схема запчастей Case IH 856 - (F-38) - HYDRAULICS SYSTEM, HYDRAULIC SEAT ATTACHMENT, HYDRAULIC PIPING AND CONNECTIONS (07) - HYDRAULIC SYSTEM
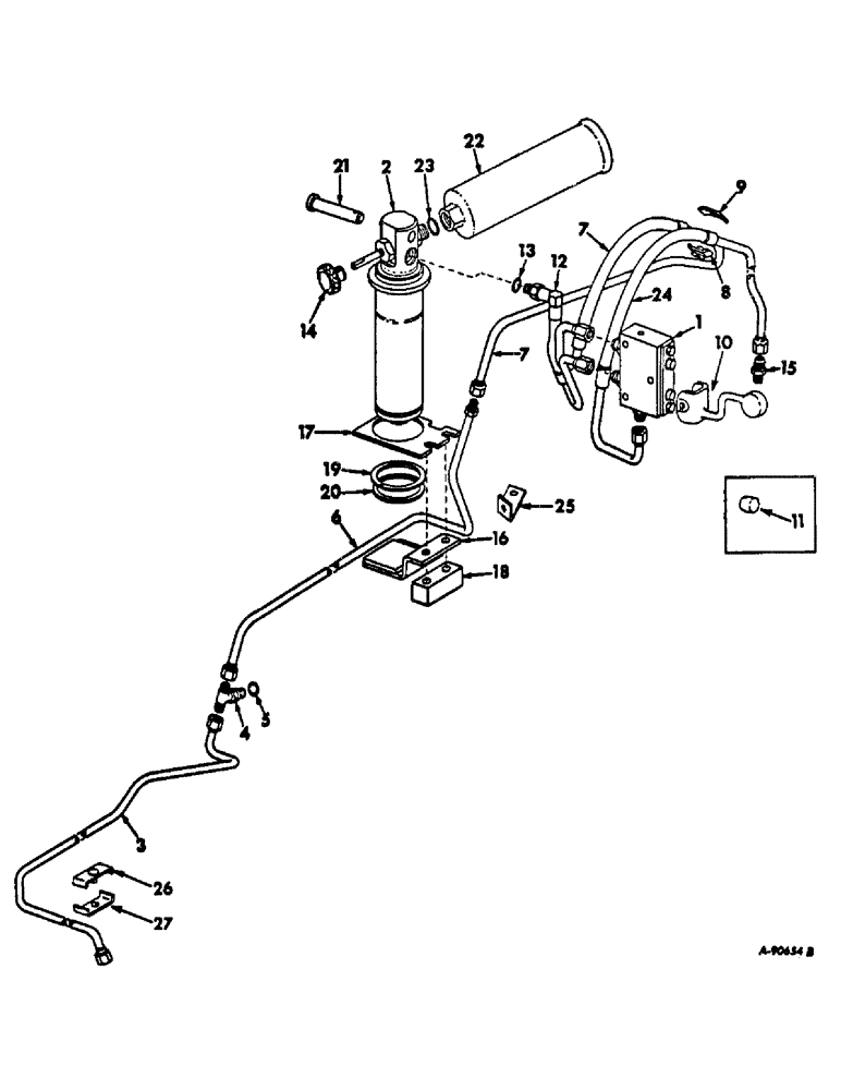
6
1
17
15
22
20
21
23
10
25
18
27
7
3
11
12
5
19
16
4
7
9
2
13
14
24
8
26
FIT
1:1
100%

Артикул

Название

Примечание

Количество

1

399088R92

VALVE

ASSY, hyd seat control, for components see list of parts under details of hydraulic seat valve

1шт.

27480R1

CARRIAGE BOLT,5/16" x 2", Gr 5

BOLT, 5/16 x 2 sq-nk crg

2шт.

9635082

NUT,5/16" - 18, Gr 5

5/16-18 hex.

2шт.

2

399093R92

HYDRAULIC CYLINDER

CYLINDER ASSY, single acting ram hyd, for components see list of parts under details of hydraulic seat cylinder

1шт.

3

399083R1

TUBE

ASSY, hyd brake pressure

1шт.

4

9411117

TEE,9/16"-18, 37 Degree x 9/16"-18, O-Ring Br

9/16-18 C-Z 37 deg hyd flared tube adj str thd

1шт.

5

364839R1

O-RING,0.078" Thk x 0.468" ID, -906, Cl 6, 90 Duro

6-1, 90 Duro, .468" ID x .078" Thk, hydraulic brake pressure tube tee

1шт.

6

399085R3

HYD TUBE

TUBE ASSY, hyd seat pressure lower

1шт.

7

399087R2

HYD TUBE

TUBE ASSY, hyd seat pressure upper

1шт.

8

384891R11

CLAMP

ASSY, hyd seat pressure tube upper

1шт.

9

384891R1

CLAMP

hyd seat pressure tube upper

1шт.

86505867

BOLT,Hex, 1/4" - 20 x 1", Gr 5

1шт.

10

539584R1

LEVER

ASSY, seat control valve, replaces 399089R1

1шт.

52893H

CLEVIS PIN,3/8" x 1.781"

PIN, 3/8 x 25/32 rod end

1шт.

103373

COTTER PIN,3/32" x 3/4"

Pin, Split (Cotter), 3/32" x 3/4"

1шт.

95-11041

WASHER,3/8"

13/32 x 1 flat

1шт.

11

611976R1

KNOB, seat control valve lever, used only w/lever, 399089R1

1шт.

12

399092R1

HYDRAULIC HOSE

& HOSE ASSY, Serial Range: valve-cylinder

1шт.

13

364839R1

O-RING,0.078" Thk x 0.468" ID, -906, Cl 6, 90 Duro

6-1, 90 Duro, .468" ID x .078" Thk

1шт.

14

399094R1

KNOB

seat ride control

1шт.

15

9402708

HYD CONNECTOR,9/16"-18, 37 Degree x 1/4"-18, NPTF

CONNECTOR, 9/16-18 X 1/4 NPTF 37 deg flared tubed

1шт.

16

399095R1

BRACE ASSY, cylinder base

1шт.

Q3641

WASHER

13/32 x 3/4 x .024

1шт.

17

399098R1

BAR, hyd cyl mounting bracket

1шт.

179845

BOLT,Hex, 3/8" - 16 x 1 3/4", Gr 5

SCREW, 3/8-16 x 1-3/4 hex-hd cap

2шт.

120394

WASHER,3/8", SAE

WASHER, 13/32 x 13/16 x .065

2шт.

18

399099R1

BAR, cyl mounting spacer

1шт.

19

633090R1

WASHER

2.28 x 2.75 x .06 flat

1шт.

20

644771R1

SNAP RING,#225, Ext

Ring, Snap, , hyd cylinder #225, Ext

1шт.

21

90560H

CLEVIS PIN,1/2" x 2.766"

PIN, 1/2 x 2-49/64 headed

1шт.

103385

COTTER PIN,1/8" x 1"

PIN, SPLIT (COTTER), 1/8" x 1"

1шт.

22

399100R1

SHOCK ABSORBER

ABSORBER, hyd accumulator

1шт.

23

570828R1

O-RING,0.087" Thk x 0.644" ID, -908, Cl 6, 90 Duro

.644 x .818 x .087

1шт.

24

399101R2

TUBE

HOSE AND TUBE ASSY, Serial Range: valve-sump

1шт.

25

Not used in this application

1шт.

26

Not used in this application

1шт.

27

Not used in this application

1шт.

Выбрано товаров: 37