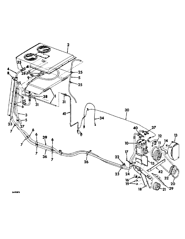
Запчасти Case IH 856 (N-27) - PARTS ACCESSORIES AND ATTACHMENTS, TRACTOR CAB AIR CONDITIONER AND CONNECTIONS, ALLEN CABS Accessories & Attachments

Схема запчастей Case IH 856 - (N-27) - PARTS ACCESSORIES AND ATTACHMENTS, TRACTOR CAB AIR CONDITIONER AND CONNECTIONS, ALLEN CABS Accessories & Attachments
20
6
26
22
23
7
32
8
35
31
19
30
25
9
15
37
12
33
27
5
39
6
29
6
31
36
24
42
4
21
11
41
7
10
2
6
16
28
34
38
7
40
25
18
13
3
6
17
14
7
25
5
1
25
FIT
1:1
100%

Артикул

Название

Примечание

Количество

1

395419R91

SPARE PART EVAPORATOR ASSY, pre-charged unit, for components see list of parts under details of evaporator

1шт.

2

398742R91

SPARE PART CONDENSER ASSY, pre-charged unit, for components see list of parts under details of condenser

1шт.

120376

NUT,5/16"-18, G5

NUT, 5/16"-18, G5

2шт.

21533R1

BOLT

SCREW, 5/16-18 x 5/8 cdp hex-hd cap

4шт.

180078

BOLT,Hex, 5/16" - 18 x 7/8", Gr 5

SCREW, 5/16-18 x 7/8 C-Z hex-hd cap

9шт.

120393

BEARING WASHER,5/16", SAE

WASHER, 11/32 x 11/16 x .065 C-Z

4шт.

80681

LOCK WASHER,5/16"

WASHER, LOCK, 5/16"

2шт.

405122R1

SPARE PART WASHER, condenser screw seal

11шт.

3

395417R3

SPARE PART HOSE ASSY, suction, composed of, (1) coupling 154701C91, (1) hose 399422R2, (1) valve 302812C91

1шт.

4

395416R3

HOSE

HOSE ASSY, discharger,composed of (1) coupling 154699C91, (1) hose 399423R2, (1) valve 302811C91

1шт.

5

HOSE, drain, use 50 inches from a 50 ft roll marked, 665181R1

2шт.

6

120530

CLIP

CLAMP, 1 inch C-Z closed

5шт.

7

120529

CLIP

CLAMP, 7/8 inch C-Z closed

4шт.

120375

NUT,Hex, 1/4" - 20, Gr 5

NUT, 1/4"-20, G5

4шт.

137138

SCREW,Sl Truss Hd, 1/4" - 20 x 3/4"

SCREW, 1/4-20 x 3/4 C-Z slt truss-hd mach

4шт.

492-11025

LOCK WASHER,1/4"

WASHER, LOCK, 1/4"

4шт.

8

395434R1

SPARE PART COVER, hose

1шт.

120375

NUT,Hex, 1/4" - 20, Gr 5

NUT, 1/4"-20, G5

12шт.

137138

SCREW,Sl Truss Hd, 1/4" - 20 x 3/4"

SCREW, 1/4-20 x 3/4 C-Z slt truss-hd mach

8шт.

272519

SCREW

CLOTHING, HAT SCREW, 1/4-20 x 1 slt truss head mach

4шт.

492-11025

LOCK WASHER,1/4"

WASHER, LOCK, 1/4"

12шт.

120392

WASHER,1/4", SAE

WASHER, 9/32 x 5/8 x .065 C-Z

4шт.

9

123548H

GROMMET

GROMMET, rubber, roof cable harness

1шт.

10

406836R91

COMPRESSOR

COMPRESSOR W/CAP, air conditioned, Tecumseh Products Co., order compressor, 417888C92, only serviceable items are

1шт.

406838R1

SPARE PART FLINGER, dust cap

1шт.

406839R91

SPARE PART KIT, seal service

1шт.

10

527541R91

AIRCOND. COMPRESSOR

COMPRESSOR W/CAP, air conditioner, Tecumseh Products Co., order compressor, 417888C92, only serviceable items are

1шт.

10

417888C93

AIRCOND. COMPRESSOR

Compressor Assy., A/C

1шт.

10

1924004C2

REMAN-A/C COMPRESSOR

Remanufactured COMPRESSOR

1шт.

10

1924005C1

CORE-A/C COMPRESSOR

Return Number

1шт.

406838R1

SPARE PART FLINGER, dust cap

1шт.

527733R1

GASKET

GASKET, rotalock

2шт.

527731R1

SPARE PART HEAD, rotalock valve type cylinder

1шт.

302810C91

SPARE PART KIT, air conditioner compressor gasket

1шт.

527624R91

SEAL KIT

KIT, seal service

1шт.

527732R91

SPARE PART KIT, valve plate

1шт.

527730R1

SPARE PART SCREW, 5/16-24 x 1-3/8 12 pt head cap

4шт.

10

417888C92

COMPRESSOR

COMPRESSOR ASSY, air conditioner, York, for components see list of parts under details of compressor

1шт.

11

400549R91

CLUTCH

CLUTCH ASSY, sheave, 6.00 OD, order clutch assy, 65338C91, carbureted engine tractors

1шт.

11

400550R91

SPARE PART CLUTCH ASSY, sheave, 7.00 O.D., diesel engine tractors, for components see list of parts under details of sheave clutch

1шт.

11

65338C91

CLUTCH

CLUTCH ASSY, sheave, 6.00 OD, serviced only as in assy

1шт.

366460R1

CABLE CLIP

CLIP, clutch coil lead

1шт.

12

395435R1

SPARE PART BRUSH AND BRACKET ASSY, lead

1шт.

13

395436R91

SPARE PART SHIELD ASSY

1шт.

113-206

BOLT,Hex, 3/8" - 16 x 3/4", Gr 5, Full Thd

BOLT, 3/8-10 x 3/4 C-Z hex-hd cap

3шт.

120382

LOCK WASHER,Helical Spring, 3/8"

WASHER, LOCK, 3/8"

3шт.

14

395441R1

SPARE PART BRACE, shield strap, diesel engine tractors

1шт.

14

395481R1

SPARE PART BRACE, shield strap, carbureted engine tractors

1шт.

120376

NUT,5/16"-18, G5

NUT, 5/16"-18, G5

1шт.

180075

BOLT,Hex, 5/16" - 18 x 5/8", Gr 5

SCREW, 5/16-18 x 5/8 C-Z hex-hd cap

1шт.

120379

WASHER, 5/16 C-Z med lock

1шт.

15

395442R1

SPARE PART BRACKET, compression support

1шт.

19431R1

BOLT

BOLT, 3/8 x 1-1/8 C-Z sq-nk crg

4шт.

120377

NUT,3/8" - 16, Gr 5

NUT, 3/8"-16, G5

4шт.

180121

BOLT,Hex, 3/8" - 16 x 7/8", Gr 5

SCREW, 3/8-16 x 7/8 C-Z hex-hd cap

4шт.

120382

LOCK WASHER,Helical Spring, 3/8"

WASHER, LOCK, 3/8"

4шт.

20382R1

WASHER, 13/32 x 1 x 11 ga C-Z

4шт.

16

395443R93

SPARE PART BRACKET ASSY, tightener

1шт.

17

395446R2

SPARE PART BOLT, adjusting

1шт.

18

395448R92

SPARE PART SUPPORT ASSY, compressor, carbureted engine tractors

1шт.

18

395455R92

SPARE PART SUPPORT ASSY, compressor, diesel engine tractors

1шт.

189334

SCREW,Hex, 3/8" - 24 x 4 1/2", Gr 5

SCREW, 3/8-24 x 4-1/2 C-Z hex-hd

1шт.

85960R1

WASHER

WASHER, .406 x .75 x .25 spacer

2шт.

120394

WASHER,3/8", SAE

WASHER, 13/32 x 13/16 x .051 C-Z

1шт.

189330

SPARE PART SCREW, 3/8-24 x 3-3/4 C-Z hex-hd cap

1шт.

120369

NUT,3/8"-24, G5

NUT, 3/8"-24, G5

1шт.

395458R2

SPARE PART BOLT, mounting special

1шт.

120377

NUT,3/8" - 16, Gr 5

NUT, 3/8"-16, G5

1шт.

19

361473R1

SPARE PART SPACER

2шт.

20

530262R1

SPARE PART Compressor drive, Carburated engine tractors 0.59" W x 62.00" L

1шт.

20

530263R1

BELT,0.59" W x 74.00" L

Compressor drive, Diesel engine tractors

1шт.

21

395473R1

PULLEY

PULLEY ASSY, idler, diesel engine tractors

1шт.

583496R1

SPACER

SPACER, 21/32 x 7/8 x 1/2

1шт.

395474R1

SPARE PART BOLT, 5/8-11 x 2-1/4 C-Z sq-nk crg

1шт.

280374

NUT,Hex, 5/8" - 11, Gr 5

NUT, 5/8-11 C-Z hex.

1шт.

492-11062

BEARING WASHER,5/8"

WASHER, LOCK, 5/8"

1шт.

22

39114H

CLAMP

CLAMP, hose, carbureted engine tractors

1шт.

23

395466R1

SPARE PART CLIP, hose, carbureted engine tractors

1шт.

24

394271R1

CLIP

CLIP, hose

2шт.

25

120517

CLIP

CLAMP, 11/16 inch C-Z closed

4шт.

120375

NUT,Hex, 1/4" - 20, Gr 5

NUT, 1/4"-20, G5

4шт.

137138

SCREW,Sl Truss Hd, 1/4" - 20 x 3/4"

SCREW, 1/4-20 x 3/4 C-Z slt truss-hd mach

4шт.

492-11025

LOCK WASHER,1/4"

WASHER, LOCK, 1/4"

4шт.

120392

WASHER,1/4", SAE

WASHER, 9/32 x 5/8 x .065 C-Z

4шт.

26

395467R2

CLIP

CLIP, hose

4шт.

120376

NUT,5/16"-18, G5

NUT, 5/16"-18, G5

2шт.

180077

BOLT,Hex, 5/16" - 18 x 3/4", Gr 5

SCREW, 5/16-18 x 3/4 C-Z hex-hd cap

2шт.

80681

LOCK WASHER,5/16"

WASHER, LOCK, 5/16"

2шт.

27

395468R1

SPARE PART GROMMET, suction hose cab back

1шт.

28

395469R1

SPARE PART GROMMET, liquid hose cab roof

1шт.

29

395476R1

SPARE PART GUIDE, compressor belt, carbureted engine tractors

1шт.

18508R1

CARRIAGE BOLT,Short Nk, 3/8" - 16 x 3/4", Gr 2, Full Thd

BOLT, 3/8-16 x 3/4 C-Z sq-nk crg

1шт.

18692R1

CARRIAGE BOLT,Sq Nk, 3/8"-16 x 6", Gr 2

BOLT, 3/8-16 x 6 C-Z sq-nk crg

1шт.

120377

NUT,3/8" - 16, Gr 5

NUT, 3/8"-16, G5

2шт.

120382

LOCK WASHER,Helical Spring, 3/8"

WASHER, LOCK, 3/8"

2шт.

29

395475R1

SPARE PART GUIDE, compressor belt, Farmall diesel engine tractors

1шт.

18508R1

CARRIAGE BOLT,Short Nk, 3/8" - 16 x 3/4", Gr 2, Full Thd

BOLT, 3/8-16 x 3/4 C-Z sq-mk crg

2шт.

120382

LOCK WASHER,Helical Spring, 3/8"

WASHER, LOCK, 3/8"

2шт.

120377

NUT,3/8" - 16, Gr 5

NUT, 3/8"-16, G5

2шт.

30

395472R1

SPARE PART CABLE ASSY, compressor clutch control

1шт.

31

362121R1

CLIP

CLIP, evaporator cable harness

2шт.

441201

SPARE PART SCREW, 12-24 x 1/2 C-Z slt-pan-hd tapping

2шт.

32

632947R1

SPARE PART SHEAVE, compressor drive, carbureted engine tractors

1шт.

180126

BOLT,Hex, 3/8" - 16 x 1 1/2", Gr 5

SCREW, 3/8-16 x 1-1/2 C-Z hex-hd cap

4шт.

120382

LOCK WASHER,Helical Spring, 3/8"

WASHER, LOCK, 3/8"

4шт.

413-422

BOLT,Hex, 1/4" - 20 x 1-3/8", Gr 5

SCREW, 1/4-20 x 1-3/8 C-Z hex-hd cap

4шт.

33

394134R1

SEAL

STRIP, cushion

1шт.

34

397398R1

SPARE PART CABLE ASSY, relay harness connector to solenoid switch battery terminal

1шт.

35

154699C91

SPARE PART COUPLING, 1/2 female

1шт.

36

399423R2

SPARE PART HOSE AND FITTING ASSY, 1/2 male 1/2 female

1шт.

37

399419R1

VALVE

VALVE ASSY, service

1шт.

38

154701C91

SPARE PART COUPLING, 5/8 female

1шт.

39

399422R2

SPARE PART HOSE AND FITTING ASSY, 5/8 male 5/8 female

1шт.

40

399418R1

VALVE

VALVE ASSY, service

1шт.

41

399436R1

SPARE PART CABLE HARNESS ASSY

1шт.

42

395453R1

SPARE PART BRACE, compressor support strap, carbureted engine tractors

1шт.

120377

NUT,3/8" - 16, Gr 5

NUT, 3/8"-16, G5

1шт.

120376

NUT,5/16"-18, G5

NUT, 5/16-24 C-Z hex.

1шт.

181608

BOLT,Hex, 5/16" - 24 x 1", Gr 5

SCREW, 5/16-21 x 1 C-Z hex-hd cap

1шт.

180122

BOLT,Hex, 3/8" - 16 x 1", Gr 5

BOLT, 3/8-16 x 1 C-Z hex-hd cap

1шт.

80681

LOCK WASHER,5/16"

WASHER, LOCK, 5/16"

1шт.

120382

LOCK WASHER,Helical Spring, 3/8"

WASHER, LOCK, 3/8"

1шт.

Выбрано товаров: 122