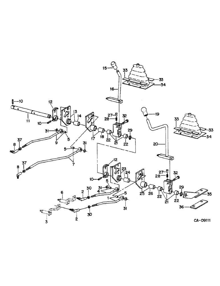
Запчасти Case IH 884 (07-34) - TRANSMISSION CONTROLS, EXTERNAL, H PATTERN SHIFT (04) - Drive Train

Схема запчастей Case IH 884 - (07-34) - TRANSMISSION CONTROLS, EXTERNAL, H PATTERN SHIFT (04) - Drive Train
27
22
17
8
15
10
5
35
5
20
37
29
34
37
21
10
30
21
4
12
31
34
32
31
22
5
33
11
7
12
1
33
28
6
30
25
13
31
33
22
22
19
5
31
14
28
24
3
26
33
9
2
29
10
32
27
36
8
23
18
16
2
FIT
1:1
100%

Артикул

Название

Примечание

Количество

1

3129228R91

ROD ASSY.

ROD ASSY, range shift front, Includes: Ref. 5

1шт.

Subs to 1536648C1 you must also sub over the balljoint P/N 1500497C1 and jamnut P/N 1500536C1. Both measure 7/16"

1шт.

2

653867C1

BALL JOINT

JOINT, 3/8 C-Z type G-4 ball

2шт.

3

ARM ASSY, range shift outer front, see gear shift mechanism, range

1шт.

4

3129232R91

ROD ASSY.

ROD ASSY, range shift rear, Includes: Ref. 5

1шт.

5

3129156R1

BUSHING,9.58mm ID x 12.79mm OD x 12.7mm L

rod end eye

4шт.

6

ARM ASSY, range shift outer rear, see gear shift mechanism, range

1шт.

7

3129226R91

ROD ASSY.

ROD ASSY, speed shift, 3rd/4th, fast speed

1шт.

7

3129244R91

ROD ASSY, speed shift, 3rd/4th, slow speed, Includes: Ref.5

1шт.

8

1500497C1

BALL JOINT

JOINT, ball, includes nut

2шт.

231-4617

LOCK NUT,7/16"-20, GB

NUT, 7/16-NF cad p/t lock type 5

2шт.

9

3129222R91

ROD ASSY.

ROD ASSY, speed shift 1st/2nd, Includes: Ref. 5

1шт.

10

617940R1

PIN,5/16" x 1 3/4", Coiled

3шт.

11

3129155R2

SHAFT

range trans. shift lever idle

1шт.

12

3129218R2

PLATE

GATE ASSY, shift

2шт.

13

3129211R91

LEVER ASSY.

LEVER ASSY, speed shift 1st/2nd, Includes: Ref 14

1шт.

103373

COTTER PIN,3/32" x 3/4"

Pin, Split (Cotter), 3/32" x 3/4"

1шт.

14

3129207R1

BUSHING,22.25mm ID x 25.48mm OD x 30mm L

lever

1шт.

15

1265215C1

BALL KNOB

KNOB, speed shift lever, Replaces: 3129267R1

1шт.

16

3129265R2

LEVER

speed shift

1шт.

17

3129217R91

LEVER ASSY.

LEVER ASSY, speed shift, 3rd/4th fast speed

1шт.

17

3129216R91

LEVER ASSY.

LEVER ASSY, speed shift, 3rd/4th slow speed, Includes: Ref 18

1шт.

103373

COTTER PIN,3/32" x 3/4"

Pin, Split (Cotter), 3/32" x 3/4"

1шт.

18

3129207R1

BUSHING,22.25mm ID x 25.48mm OD x 30mm L

lever

1шт.

19

1265216C1

BALL KNOB

KNOB, range shift lever Replaces: 3129267R1

1шт.

20

3129268R2

LEVER ASSY.

LEVER ASSY, range shift

1шт.

21

3129214R92

HOUSING ASSY.

HOUSING ASSY, selector arm, Includes: Ref. 22

2шт.

22

530815R1

BUSHING,22.27mm ID x 25.46mm OD x 22.23mm L

4шт.

23

3129210R91

LEVER ASSY.

LEVER ASSY, range rear, Includes: Ref. 24

1шт.

103373

COTTER PIN,3/32" x 3/4"

Pin, Split (Cotter), 3/32" x 3/4"

1шт.

24

3129207R1

BUSHING,22.25mm ID x 25.48mm OD x 30mm L

lever

1шт.

25

3129209R91

LEVER ASSY.

LEVER ASSY, range front, Includes: Ref. 26

1шт.

103373

COTTER PIN,3/32" x 3/4"

Pin, Split (Cotter), 3/32" x 3/4"

1шт.

26

3129207R1

BUSHING,22.25mm ID x 25.48mm OD x 30mm L

lever

1шт.

27

22938R1

HEADED PIN,5/16" x 1/2"

PIN, HEADED, 5/16" x 1/2"

2шт.

28

71486C1

SPRING

2шт.

29

454331R1

SNAP RING,#87, Ext

2шт.

615192R1

WASHER

.906 x 1.250 x .027 pln

2шт.

30

3048059R91

LOCK NUT

NUT, 3/8 UNF nylon insert lock

2шт.

31

83723R1

WAVE WASHER

wave

4шт.

Q3641

WASHER

.406 x .750 x .021 pln

4шт.

32

23225R1

HEADED PIN,3/8" x 2"

PIN, HEADED, , Selector arm pivot 3/8" x 2", Serial Range: -9267

2шт.

95-11041

WASHER,3/8"

(.406 x .812 x .051 pln) 3/8"

2шт.

103384

COTTER PIN,1/8" x 3/4"

Pin, Split (Cotter), 1/8" x 3/4"

2шт.

32

1282929C1

BOLT,Hex, 3/8" - 16 x 6"

- Selector arm pivot, Start Serial: 9268

2шт.

9413979

LOCK NUT,3/8"-16, GC

NUT, 3/8 PHC P/T lock type 8

2шт.

95-11041

WASHER,3/8"

(.406 x .812 x .051 pln) 3/8"

2шт.

33

1502032C1

STRIP

retaining

4шт.

33

1283389C1

STRIP

retaining

1шт.

1 used on the RH side of the RH boot on tractors w/ ROPS

1шт.

27046R1

SELF-TAP SCREW,Cross Pan Hd, #8 x 7/8"

SCREW, no. 8-18 x 7/8 PHC P/HDCR tap

8шт.

34

1502031C1

BOOT

control lever

2шт.

35

1287659C1

SUPPORT

BRACKET ASSY, shift lever

1шт.

Order for tractors not equipped w/shift lever bracket

1шт.

271547

STUD,Hex, 5/8" - 11 x 1 1/2", Gr 5

5/8 x 1-1/2 type 5

2шт.

Order for tractors not equipped w/shift lever bracket

1шт.

492-11062

BEARING WASHER,5/8"

WASHER, LOCK, 5/8"

2шт.

Order for tractors not equipped w/shift lever bracket

1шт.

36

1287660C1

PLATE

shim utility & all wheel drive tractors

1шт.

Order for tractors not equipped w/shift lever bracket

1шт.

180175

BOLT,Hex, 1/2" - 13 x 1 1/4", Gr 5

1/2 x 1-1/4 type 5

1шт.

Order for tractors not equipped w/shift lever bracket

1шт.

120384

WASHER,1/2"

LOCK, , Thru bracket into 1/2-13 x 1.00 tapped hole in shift lever idler shaft 1/2"

1шт.

Order for tractors not equipped w/shift lever bracket

1шт.

37

1500536C1

JAM NUT

7/16-28 hex jam

2шт.

Выбрано товаров: 65