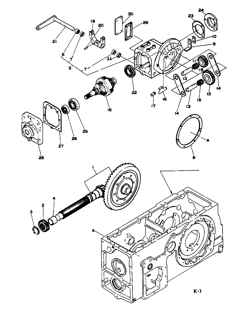
Запчасти Case IH 884 (07-44) - FRONT DRIVE PTO, ALL WHEEL DRIVE, KIMCO AXLE (04) - Drive Train

Схема запчастей Case IH 884 - (07-44) - FRONT DRIVE PTO, ALL WHEEL DRIVE, KIMCO AXLE (04) - Drive Train
24
8
14
5
9
30
15
23
18
22
6
31
26
17
2
28
21
16
25
12
19
10
20
1
3
13
7
7
29
15
4
14
27
11
13
FIT
1:1
100%

Артикул

Название

Примечание

Количество

1

984505C2

SHAFT

SET, bevel gear, consists of: (1) 53T bevel drive gear and (1) shaft

1шт.

GEAR, bevel drive, 53T

1шт.

SHAFT, main, 12T

1шт.

2

1002589C3

GEAR

20T

1шт.

3

1014674C1

RING, SNAP

1шт.

4

1002604C1

SPACER

main shaft

1шт.

5

1004387C91

HOUSING ASSY.

HOUSING ASSY, PTO

1шт.

101896R1

BOLT,Hex, 3/8" - 16 x 1 1/8", Gr 8, Full Thd

5шт.

24840R1

BOLT,Hex, 3/8" - 16 x 1", Gr 8

2шт.

19879R1

SPLIT PIN/SAFETY PIN

PIN, 5/16 x .750 pln hdn dowel

4шт.

6

1004328C1

OIL SEAL

oil

1шт.

7

1002602C1

NEEDLE BEARING,22mm ID x 28mm OD x 12mm

BEARING, needle

2шт.

8

984791C1

GASKET

0.4mm, or

1шт.

8

984106C1

GASKET

0.8mm, or

1шт.

8

1004391C1

GASKET

1.0mm

1шт.

9

1002610C1

STOP

1шт.

25228R1

BOLT,Hex, 5/16" - 18 x 3/4", Gr 8

5/16 x 3/4 phc type 8

2шт.

10

984169C1

SUPPORT

screw lock

1шт.

11

1002611C3

GEAR

19T

1шт.

12

1002984C2

GEAR

27T

1шт.

13

1014837C11

PIN ASSY.

PIN, idler gear

1шт.

14

1002633C1

WASHER

thrust

1шт.

15

1002618C1

NEEDLE BEARING,28mm ID x 40mm OD x 30mm

BEARING, needle

1шт.

16

1002634C1

STOP

idler gear

1шт.

25955R1

BOLT,Hex, 5/16" - 18 x 5/8", Gr 8

5/16 x 5/8 phc type 8

2шт.

17

984169C1

SUPPORT

screw lock

1шт.

18

3129052R91

CLUTCH

ASSY, for components see list of parts under detail of P.T.O. clutch

1шт.

19

1002597C2

FORK

clutch release

1шт.

20

617938R1

PIN,5/16" x 1 3/8", Coiled

2шт.

21

1004319C2

SHAFT ASSY.

SHAFT ASSY

1шт.

22

ST292

BALL BEARING,35 mm ID x 80 mm OD x 21 mm

BEARING, ball

1шт.

23

1002620C1

GASKET

1шт.

24

1002892C1

COVER

rear

1шт.

140483H

BOLT,Hex, 3/8" - 16 x 1 1/4", Gr 8, Full Thd

3шт.

25

ST291

BEARING, BALL,35mm ID x 80mm OD x 21mm W

1шт.

26

984154C1

SEAL

oil

1шт.

27

1002622C1

GASKET

1шт.

28

1002615C2

COVER

front

1шт.

24840R1

BOLT,Hex, 3/8" - 16 x 1", Gr 8

6шт.

29

3129025R1

GASKET

1шт.

30

1002613C1

COVER

side

1шт.

24839R1

BOLT,Hex, 3/8" - 16 x 3/4", Gr 8

4шт.

31

1004324C1

PLUG

1шт.

Выбрано товаров: 0