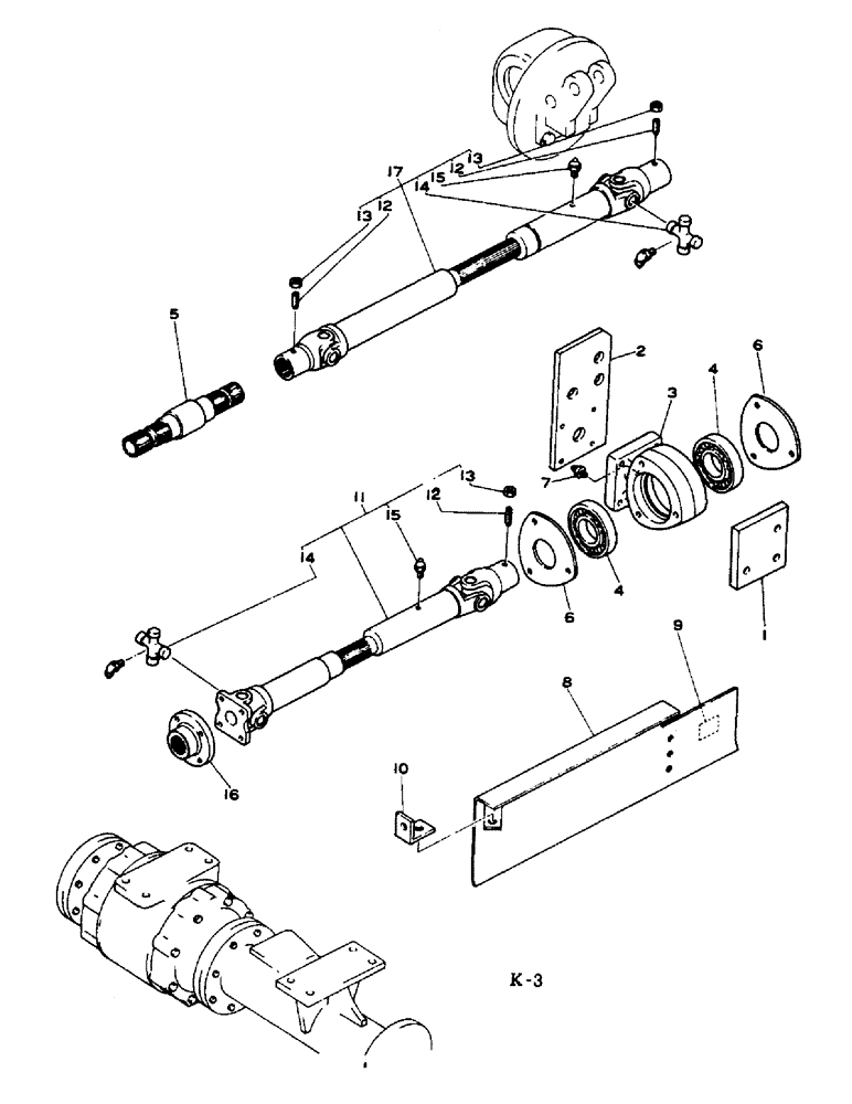
Запчасти Case IH 884 (07-48) - PROPELLER SHAFT, ALL WHEEL DRIVE, KIMCO AXLE (04) - Drive Train

Схема запчастей Case IH 884 - (07-48) - PROPELLER SHAFT, ALL WHEEL DRIVE, KIMCO AXLE (04) - Drive Train
8
1
15
15
16
6
5
12
4
12
6
4
17
7
13
9
10
14
2
14
3
11
12
13
13
FIT
1:1
100%

Артикул

Название

Примечание

Количество

1

3121579R1

SPACER

1шт.

24889R1

BOLT,Hex, 3/4" - 10 x 2 1/4", Gr 8

3шт.

131142

LOCK WASHER,3/4"

WASHER, LOCK, 3/4"

3шт.

2

1004129C1

BRACKET

1шт.

24889R1

BOLT,Hex, 3/4" - 10 x 2 1/4", Gr 8

3шт.

131142

LOCK WASHER,3/4"

WASHER, LOCK, 3/4"

3шт.

3

1002989C1

BLOCK

pillow, Kimco

1шт.

3

3125817R1

BLOCK

pillow, UK fitment

1шт.

25274R1

BOLT,Hex, 1/2" - 13 x 1 1/8", Gr 8

1/2 x 1-1/8 phc type 8

4шт.

4

1014678C1

BEARING ASSY

BEARING, ball

2шт.

5

1002992C1

SHAFT

pillow block

1шт.

6

1002991C1

COVER

pillow block

2шт.

25678R1

BOLT,Hex, 5/16" - 18 x 3 1/4", Gr 8

5/16 x 3-1/4 phc type 8

3шт.

121367

WASHER,5/16"

5/16"

3шт.

25520R1

NUT,5/16"-18, G8

5/16 phc type 8

3шт.

7

973356C1

LUBE NIPPLE

FITTING, grease, Kimco

1шт.

7

109461

LUBE NIPPLE,1/8"-27 x .66 lg

NIPPLE, LUBE, , UK 1/8"-27 x .66 lg

1шт.

8

NOT USED THIS APPLICATION

1шт.

9

1093136R1

PRODUCT GRAPHIC

PRODUCT-GRAPHIC, caution

1шт.

10

NOT USED THIS APPLICATION

1шт.

11

1014638C13

SHAFT ASSY.

SHAFT ASSY, propeller

1шт.

Has: P/N 1014552C1 spider, P/N 1062797C1 spline yoke, P/N 1014555C1 flange yoke.

1шт.

1002113C2

BOLT,Hex, M10 x 1.25 x 35mm

4шт.

12

3125345R1

SET SCREW

SCREW, M8 x 20 mm cone point, setscrew fixing yoke

3шт.

12

1062798C1

BOLT

BOLT, thru bolt fixing yoke

1шт.

12

24866R1

BOLT,Hex, 1/2" - 13 x 2 1/2", Gr 8

Hex, 1/2"-13 x 2 1/2", G8, Through bolt larger dia

1шт.

13

43362

NUT,M8 x 1.25, Cl 10

M8, Cl 10, Setscrew Fixing Yoke

3шт.

13

1062799C1

NUT

thru bolt fixing yoke

2шт.

1062800C1

WASHER

2шт.

9412230

LOCK NUT

1/2 phc P/T lock type 8

6шт.

NLS

NO LONGER SERVICED

.531 x 1.062 x .074

12шт.

14

1014552C1

BEARING ASSY

BEARING, spider

4шт.

1014682C1

FITTING

grease

4шт.

15

109461

LUBE NIPPLE,1/8"-27 x .66 lg

NIPPLE, LUBE, 1/8"-27 x .66 lg

2шт.

16

1014556C1

FLANGE

spline

1шт.

1002113C1

SCREW,7/16" x 1.75, Gr 8

4шт.

980494C1

NUT

4шт.

17

1002644C95

SHAFT ASSY.

SHAFT ASSY, propeller, rear

1шт.

Yokes for this are P/N 1062797C1.

1шт.

Выбрано товаров: 39