Запчасти Case IH 884 (10-08) - AUXILIARY VALVE, SINGLE (07) - HYDRAULICS

Схема запчастей Case IH 884 - (10-08) - AUXILIARY VALVE, SINGLE (07) - HYDRAULICS
17
6
26
2
3
4
30
27
12
20
29
8
13
31
7
14
19
16
15
24
23
1
21
9
28
11
32
25
22
10
34
18
35
5
33
FIT
1:1
100%

Артикул

Название

Примечание

Количество

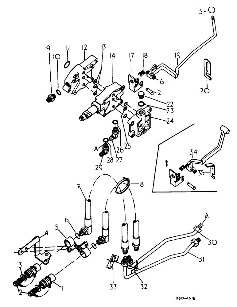
1

395150R91

COUPLING, QUICK, FEM

COUPLING ASSY, self sealing hydraulic

2шт.

2

401757R11

PLUG

ASSY, coupling dust

2шт.

2

373220R1

PLUG

ASSY, coupling dust

2шт.

3

401758R1

WASHER,14.48mm ID x 38.1mm OD x 3.05mm Thk

dust plug

2шт.

4

535298R1

SUPPORT

BRACKET ASSY, rear manifold mounting

1шт.

9635884

BOLT,Hex, 5/16" - 18 1", Full Thd, Gr 5

5/16 x 1 type 5

2шт.

80681

LOCK WASHER,5/16"

WASHER, LOCK, 5/16"

2шт.

120376

NUT,5/16"-18, G5

2шт.

179890

LATCH

1/2 x 2-1/4 pln type 5

2шт.

5

3114106R1

CLAMP

coupling

2шт.

6

364885R1

O-RING,0.097" Thk x 0.755" ID, -910, Cl 6, 90 Duro

5/8 OD tube

2шт.

7

535302R1

HOSE

ASSY, rear outlet

2шт.

8

306132C1

CABLE TIE,14.5" L

STRAP, hose

1шт.

9

9410204

HYD CONNECTOR,7/8"-14, 37 Degree x 7/8"-14, O-Ring

UNION, 7/8-14 37 deg hyd flared tube short swivel

1шт.

10

364885R1

O-RING,0.097" Thk x 0.755" ID, -910, Cl 6, 90 Duro

5/8 OD tube

1шт.

11

379794R1

O-RING,0.103" Thk x 1.237" ID, -124, Cl 5, 75 Duro

1-1/4 x 1-7/16 x 3/32

1шт.

12

123105C1

BLOCK

control valve transfer

1шт.

347756R1

12 PT SCREW,Flg, 3/8"-16 x 1 3/4"

SCREW, 3/8 x 1.750 pln type 8 12 pt flg

3шт.

13

20947R1

O-RING,0.103" Thk x 0.799" ID, -117, Cl 6, 90 Duro

no. 117 class 6

4шт.

14

62464C94

VALVE

ASSY, hyd open center control, for service parts see details listed under control valve

1шт.

15

3123087R1

BUTTON

KNOB, aux valve lever

1шт.

16

120394

WASHER,3/8", SAE

WASHER, .406 x .812 x .051

2шт.

17

114556C1

BRACKET

aux valve control handle

1шт.

180122

BOLT,Hex, 3/8" - 16 x 1", Gr 5

3/8 x 1 type 5

2шт.

103319

LOCK WASHER,1/4"

WASHER, LOCK, 1/4"

2шт.

18

1301D

CHAIN LINK

CHAIN, no. 50 connecting link

1шт.

19

3125863R1

LEVER

ASSY, aux valve

1шт.

20

3125862R1

PLATE

aux hyd valve control handle

1шт.

164603C1

THUMB SCREW,3/8" - 16 x 5/8"

SCREW, adj

1шт.

103319

LOCK WASHER,1/4"

WASHER, LOCK, 1/4"

2шт.

180122

BOLT,Hex, 3/8" - 16 x 1", Gr 5

3/8 x 1 type 5

1шт.

21

46883H

CLEVIS PIN,3/8" x 1 9/16"

PIN, 3/8 x 1-9/16 clevis

1шт.

103373

COTTER PIN,3/32" x 3/4"

Pin, Split (Cotter), 3/32" x 3/4"

1шт.

22

9410360

PLUG

7/8-14 str thd o-ring boss

1шт.

23

364885R1

O-RING,0.097" Thk x 0.755" ID, -910, Cl 6, 90 Duro

5/8 OD tube

1шт.

24

123104C1

COVER

open center control valve

1шт.

280161

BOLT,Hex, 3/8" - 16 x 3", Gr 5

4шт.

25

383219R1

O-RING,0.924" ID x 0.103" Width

no. 119 class 6

2шт.

26

364885R1

O-RING,0.097" Thk x 0.755" ID, -910, Cl 6, 90 Duro

5/8 OD tube

1шт.

27

9411106

ELBOW

7/8-14 37 deg hyd flared

1шт.

28

364885R1

O-RING,0.097" Thk x 0.755" ID, -910, Cl 6, 90 Duro

5/8 OD tube

1шт.

29

9410978

ELBOW,90 Degree, 7/8"-14, 37 Degree x 7/8"-14, O-Ring

7/8-14 37 deg hyd flared tube

1шт.

30

114560C1

TUBE

ASSY, rear outlet, lower

1шт.

31

114559C1

TUBE

ASSY, rear outlet

1шт.

32

535301R1

CLAMP

rear outlet tube

1шт.

180081

BOLT,Hex, 5/16"-18 x 1 1/4", G5

1шт.

80681

LOCK WASHER,5/16"

WASHER, LOCK, 5/16"

1шт.

120376

NUT,5/16"-18, G5

1шт.

33

535300R1

BRACKET

rear outlet tube

1шт.

179889

BOLT,Hex, 1/2" - 13 x 2", Gr 5

1/2 x 2 pln type 5

1шт.

34

114564C1

HANDLE

aux hyd valve control, service only

1шт.

35

114557C1

BAR

aux hyd valve handle lock out

1шт.

180077

BOLT,Hex, 5/16" - 18 x 3/4", Gr 5

5/16 x 3/4 type 5

1шт.

80681

LOCK WASHER,5/16"

WASHER, LOCK, 5/16"

1шт.

120393

BEARING WASHER,5/16", SAE

WASHER, .344 x .688 x .051, service only

1шт.

Выбрано товаров: 55