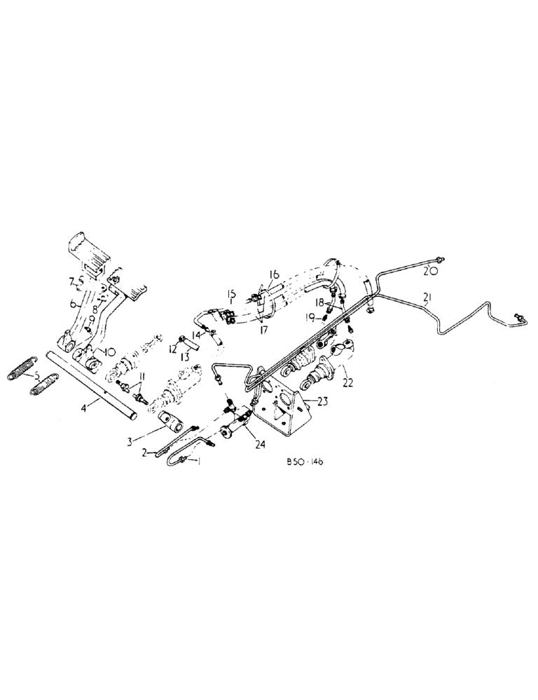
Запчасти Case IH 884 (04-01) - BRAKE CYLINDER AND CONNECTIONS, SERIAL NO. 1028 AND BELOW (5.1) - BRAKES

Схема запчастей Case IH 884 - (04-01) - BRAKE CYLINDER AND CONNECTIONS, SERIAL NO. 1028 AND BELOW (5.1) - BRAKES
11
14
23
24
7
5
22
18
8
19
17
20
10
1
13
4
9
16
2
21
3
12
15
6
FIT
1:1
100%

Артикул

Название

Примечание

Количество

1

530851R2

TUBE

ASSY, equalizer LH

1шт.

2

530852R1

TUBE

ASSY, equalizer RH

1шт.

3

3125228R1

ARM

RH brake pedal

1шт.

617939R1

PIN,5/16" x 1 1/2", Coiled

1шт.

4

3125229R1

SHAFT

pedal support

1шт.

Uses snap ring on Fig. 7-22 Ref. 4.

1шт.

5

3125230R1

SPRING

brake pedal return

2шт.

6

399741R4

PEDAL

RH brake

1шт.

617940R1

PIN,5/16" x 1 3/4", Coiled

1шт.

7

43751DB

LATCH, PEDALS

PLATE, brake pedal lock

1шт.

104087

RIVET,But Hd, 1/4" x 1 1/4"

1/4 x 1-1/4 pln but/hd sol

1шт.

8

51293D

SPRING

brake pedal lock tension

1шт.

9

219-45

LUBE NIPPLE,65 Degree Elbow, 1/4" NPTF

FITTING, 1/4 deg angle drive lube

1шт.

10

3125226R91

PEDAL ASSY.

PEDAL ASSY, LH brake

1шт.

Bushing used to mount pedal is P/N 539834R1

1шт.

11

399744R1

BOLT

BOLT, brake pedal adjusting

2шт.

103026

NUT,3/8"-24, G5

5шт.

103321

LOCK WASHER,3/8"

WASHER, LOCK, 3/8"

1шт.

12

3125239R1

COLLAR

CLAMP, worm drive hose

8шт.

13

66368C2

HYDRAULIC HOSE,0.31" ID x 11.00"

HOSE, brake reservoir supply

1шт.

14

537518R1

SCREEN

AND ORIFICE ASSY

1шт.

15

66369C1

TUBE ASSY.

TUBE ASSY, brake reservoir supply

1шт.

172292

SELF-TAP SCREW,Hex Hd, #8 x 3/8"

SCREW, no. 8 x 3/8 h/hd tap

1шт.

16

289862C1

CABLE TIE,3/16" x 7"

STRAP

2шт.

17

66372C1

HYDRAULIC HOSE,0.31" ID x 25.00"

HOSE, brake reservoir

3шт.

527433R1

CLIP

brake reservoir

1шт.

18

66367C1

TUBE ASSY.,0.31" OD, 2.5" Length

TUBE ASSY, brake cyl supply

2шт.

19

537849R2

SCREEN

AND ORIFICE ASSY, cyl

2шт.

20

66094C1

BRAKE LINE

TUBE ASSY, brake RH

1шт.

21

66093C1

BRAKE LINE

TUBE ASSY, brake LH

1шт.

22

527542R92

CYLINDER

ASSY, brake master

2шт.

22

527542R92GV

BRAKE CYLINDER

Value, Brake, Master Cylinder Assy.

2шт.

(P/N 527542R92) - Seal Kit for Brake Master 3125824R1

1шт.

71925C1

HOSE

master brake cyl retaining

1шт.

71926C1

BELLOWS

INSULATOR, master brake cyl dust

1шт.

3125824R1

SEAL KIT

KIT, seal

1шт.

23

3125224R1

BRACKET

ASSY, brake cyl mounting

1шт.

179837

BOLT,Hex, 3/8" - 16 x 3/4", Gr 5

3шт.

103321

LOCK WASHER,3/8"

WASHER, LOCK, 3/8"

3шт.

181338

BOLT,Hex, 5/16" - 24 x 7/8", Gr 5

4шт.

425-115

NUT,5/16"-24, G5

5/16-NF pln type 5

4шт.

103320

LOCK WASHER,5/16"

WASHER, LOCK, 5/16"

4шт.

24

530374R92

VALVE

ASSY, brake equalizer

1шт.

530373R1

WASHER

equalizer valve

2шт.

9411125

TEE, 1/4 C-Z hyd fld tube adj

2шт.

179793

BOLT,Hex, 1/4" - 20 x 5/8", Gr 5, Full Thd

2шт.

103319

LOCK WASHER,1/4"

WASHER, LOCK, 1/4"

2шт.

68434C93

PACKAGE

equalizer valve o-ring and seal service, consists of check balls, e-ring, o-rings, plug, seals & springs

1шт.

Выбрано товаров: 48