Запчасти Case IH 884 (12-26) - CRANKCASE AND RELATED PARTS Power

Схема запчастей Case IH 884 - (12-26) - CRANKCASE AND RELATED PARTS Power
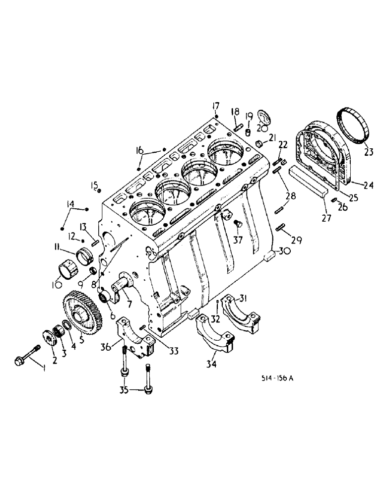
8
18
29
3
35
2
25
33
7
9
36
11
4
1
16
27
20
14
26
10
31
37
12
15
28
5
23
21
13
19
6
17
32
34
24
30
22
FIT
1:1
100%

Артикул

Название

Примечание

Количество

1

3055374R2

BOLT

BOLT, idler gear carrier

1шт.

2

3055372R1

DISC

RING, anti-wear idler gear

1шт.

3

3058816R91

NEEDLE BEARING CAGE,35mm ID x 42mm OD x 17.8mm W

RETAINER, needle

1шт.

3

3136515R91

BEARING

RETAINER, needle

1шт.

4

787656R1

SPACER,35.5mm ID x 41mm OD x 4mm L

RING, distance

1шт.

5

3055043R3

PINION

GEAR, idler

1шт.

6

3058816R91

NEEDLE BEARING CAGE,35mm ID x 42mm OD x 17.8mm W

RETAINER, needle

1шт.

6

3136515R91

BEARING

RETAINER, needle

1шт.

7

3055373R1

CARRIER

idler gear

1шт.

8

3055989R1

STUD

front

1шт.

9

933537R1

PLUG,M25, Conical

COVER, closing

1шт.

10

3055008R2

CRANKSHAFT BEARING,57.56mm ID x 63.1mm OD x 30mm W

BEARING, camshaft front

1шт.

11

3055009R2

BEARING LINER

BEARING, camshaft

2шт.

12

103883

PIPE PLUG,Slotted, Headless, 1/8" NPT

PLUG, PIPE, Slotted, Headless, 1/8" NPT

1шт.

13

141242

DOWEL

PIN, Dowel

1шт.

14

3144520R1

PLUG

slotted headless pipe

2шт.

15

3136004R1

COVER

closing

2шт.

16

3144520R1

PLUG

slotted headless pipe

2шт.

17

3136004R1

COVER

closing

2шт.

18

141284

PIN,25.4mm OD x 31.75mm L

Pin 1/2" x 1 1/8"

1шт.

19

3055007R1

BUSHING

dowel

2шт.

20

41-3044

PLUG,Exp, 2 3/4"

expansion

1шт.

21

933537R1

PLUG,M25, Conical

COVER, closing

2шт.

933573R1

PLUG,M32, Tapered

B 32-PHR

2шт.

22

3055270R1

STUD

rear

1шт.

23

3138701R91

SEAL

SEAL

1шт.

24

3055216R1

RETAINER

1шт.

179816

BOLT,Hex, 5/16" - 18 x 3/4", Gr 5

8шт.

9635082

NUT,5/16" - 18, Gr 5

1шт.

3218395R1

BELLEVILLE WASHER,8.199mm ID x 16mm OD x 0.9mm Thk

9шт.

25

3055215R1

GASKET

crankshaft seal retainer

1шт.

26

714868R1

SEALING STRIP

sealing

2шт.

27

3055214R1

SUPPORT

STRIP, crankcase sealing

1шт.

28

NLS

NO LONGER SERVICED

PIN, dowel

2шт.

29

141284

PIN,25.4mm OD x 31.75mm L

Pin 1/2" x 1 1/8"

1шт.

30

3144693R94

CRANKCASE

ASSY, consists of

1шт.

NSS

NOT SOLD SEPARAT

CRANKCASE

1шт.

103883

PIPE PLUG,Slotted, Headless, 1/8" NPT

PLUG, PIPE, Slotted, Headless, 1/8" NPT

3шт.

3144520R1

PLUG

4шт.

141242

DOWEL

PIN

4шт.

141284

PIN,25.4mm OD x 31.75mm L

Pin 1/2" x 1 1/8"

2шт.

172602

SUPPORT

1шт.

933537R1

PLUG,M25, Conical

COVER

2шт.

3136004R1

COVER

1шт.

3132885R1

BOLT

10шт.

3055173R1

PLUG

1шт.

3055270R1

STUD

1шт.

3055008R2

CRANKSHAFT BEARING,57.56mm ID x 63.1mm OD x 30mm W

BEARING

1шт.

3055009R2

BEARING LINER

BEARING

4шт.

3055007R1

BUSHING

2шт.

933573R1

PLUG,M32, Tapered

cup

2шт.

31

NSS

NOT SOLD SEPARAT

BEARING CAP, rear

1шт.

32

3055173R1

PLUG

1шт.

33

NLS

NO LONGER SERVICED

PIN, dowel

1шт.

34

NSS

NOT SOLD SEPARAT

CAP, bearing 2 and 4

1шт.

35

3138885R1

SCREW

crankshaft bearing cap

10шт.

36

NSS

NOT SOLD SEPARAT

CAP, bearing, front

1шт.

37

20990R1

PLUG

drain

1шт.

3218538R1

SHIM

CYLINDER PROTRUSION shim .05

1шт.

3218539R1

SHIM

CYLINDER PROTRUSION shim .10

1шт.

3218540R1

SHIM,112.06mm ID x 118.6mm OD x 0.25mm Thk

CYLINDER PROTRUSION shim.25

1шт.

3218541R1

SHIM

CYLINDER PROTRUSION shim .50

1шт.

3218542R1

SHIM

CYLINDER PROTRUSION shim .80

1шт.

130085C91

PACKAGE

KIT engine block heater, includes heater and cord

1шт.

130075C1

HEATER ASSY.

HEATER

1шт.

71150C1

CABLE

CORD

1шт.

Выбрано товаров: 66