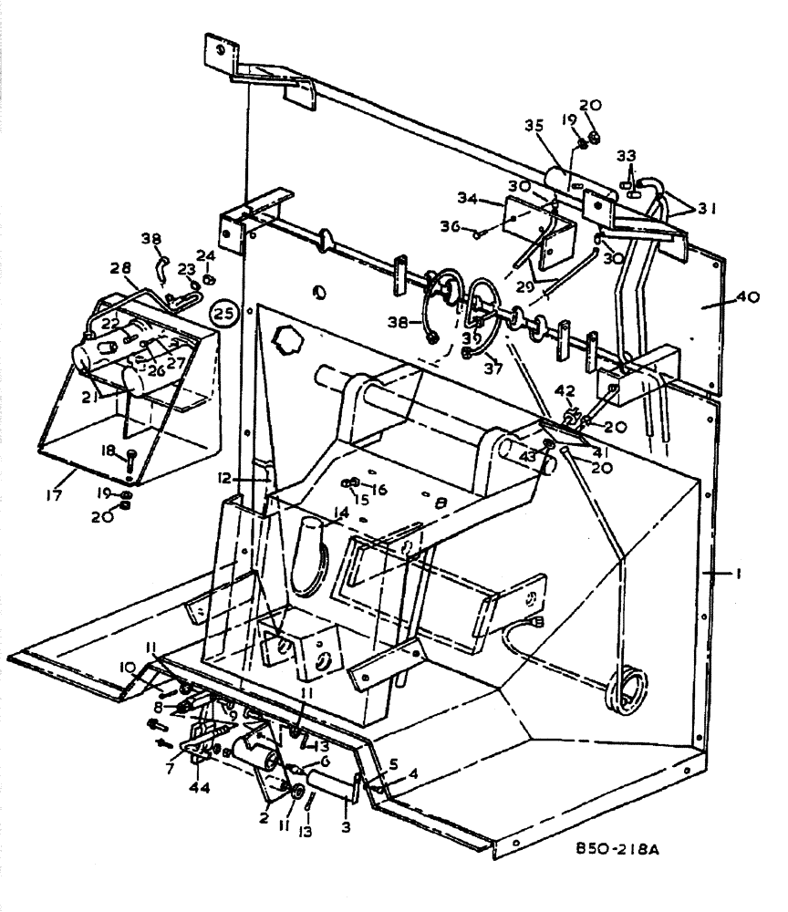
Запчасти Case IH 884 (04-014) - BRAKE RESERVOIR PLATE AND PIPES - DE-LUXE CAB (5.1) - BRAKES

Схема запчастей Case IH 884 - (04-014) - BRAKE RESERVOIR PLATE AND PIPES - DE-LUXE CAB (5.1) - BRAKES
28
34
30
4
27
7
6
14
16
5
43
25
44
20
41
17
11
30
29
31
13
40
12
21
15
10
33
35
36
42
11
38
2
24
26
19
20
37
18
3
23
19
13
20
9
20
1
38
22
39
8
FIT
1:1
100%

Артикул

Название

Примечание

Количество

1

3125565R1

PLATE

SPARE PART front lower

1шт.

2

1500690C1

ARM

clutch

1шт.

3

3125596R1

SHAFT

SPARE PART ARM clutch

1шт.

4

930242R1

BOLT,Hex, M6 x 1 x 12mm, Cl 8.8, Full Thd

Set

1шт.

5

174916

LOCK WASHER,Ext-Int Tooth, 1/4"

toothed, 1/4

1шт.

6

219-37

LUBE NIPPLE,45 Degree Elbow, 1/4" - 28 NPTF

1шт.

7

1500691C1

LEVER

clutch lower

1шт.

8

104038

ADJUSTABLE CLEVIS,3/8"-24 x 2 1/2"

1шт.

9

103496

CLEVIS PIN,3/8" x 1.060"

Rod end

1шт.

10

107762

WASHER,3/32" x 5/8"

1шт.

11

934488R1

LOCK WASHER,Ext Tooth, M8

washer, 5/16

1шт.

12

1500695C1

ARM, clutch upper

1шт.

13

3125529R1

PIN

cotter, 25 x 18

2шт.

14

3125599R1

SLEEVE

ARM clutch

1шт.

15

3125600R1

SCREW

SPARE PART M6 x 25 set

1шт.

16

30208R1

NUT,M6, Cl 10

M6

1шт.

17

3116929R1

BRACKET

brake CYL

1шт.

18

931618R1

BOLT,Hex, M8 x 1.25 x 16mm, Cl 8.8, Full Thd

3шт.

19

114605

LOCK WASHER,Ext Tooth, 5/16"

3шт.

20

30167R1

NUT,M8, Cl 10

3шт.

21

NSS

NOT SOLD SEPARAT

CYLINDER ASSEMBLY, brake

2шт.

22

181338

BOLT,Hex, 5/16" - 24 x 7/8", Gr 5

set 5/16 UNF x 7/8

4шт.

23

103320

LOCK WASHER,5/16"

4шт.

24

425-115

NUT,5/16"-24, G5

4шт.

25

530374R92

VALVE

equalizer

1шт.

26

179793

BOLT,Hex, 1/4" - 20 x 5/8", Gr 5, Full Thd

2шт.

27

103319

LOCK WASHER,1/4"

2шт.

28

530851R2

TUBE

equalizer L. H.

1шт.

28

530852R1

TUBE

equalizer R. H.

1шт.

29

66367C1

TUBE ASSY.,0.31" OD, 2.5" Length

PIPE feed

2шт.

30

537849R2

SCREEN

AND ORIFICE ASSEMBLY

2шт.

31

66372C1

HYDRAULIC HOSE,0.31" ID x 25.00"

TUBE, brake

2шт.

32

520894R1

SPARE PART CLIP

4шт.

33

537518R1

SCREEN

AND ORIFICE ASSEMBLY

2шт.

34

3125602R1

BRACKET

SPARE PART reservoir brake

1шт.

35

3125603R1

BRAKE FLUID TANK

1шт.

36

931618R1

BOLT,Hex, M8 x 1.25 x 16mm, Cl 8.8, Full Thd

2шт.

37

3125605R1

TUBE

CPTE, BRAKE R. H.

1шт.

38

3125604R1

TUBE

CPTE, BRAKE L. H.

1шт.

39

3125606R1

GROMMET

SPARE PART

2шт.

40

3125607R1

PLATE

SPARE PART front upper

1шт.

41

3125608R1

BRACKET

SPARE PART brake light switch

1шт.

42

3106565R91

SWITCH

stop light

1шт.

43

426897

JAM NUT,Jam, 3/4"-10, G5

lock, 3/4-10

1шт.

44

3125609R2

ARM

CPTE clutch consists of

1шт.

1500693C1

ARM CLUTCH welded

1шт.

1500694C1

ARM CLUTCH

1шт.

309302441R1

BOLT M8 x 30930244R1

1шт.

30167R1

NUT,M8, Cl 10

3шт.

114605

LOCK WASHER,Ext Tooth, 5/16"

1шт.

3125527R1

SET

SCREW M6

4шт.

30208R1

NUT,M6, Cl 10

M6

4шт.

174916

LOCK WASHER,Ext-Int Tooth, 1/4"

1/4

4шт.

3125601R1

BRACKET

SPARE PART safety start switch

1шт.

1500688C91

PACKAGE

CLUTCH PEDAL linkage improvement consists of

1шт.

1500689C91

ROD CLUTCH upper

1шт.

933348R1

WASHER,M10 x 20 x 2

3/8 dia

2шт.

3125529R1

PIN

cotter 2 5 dia

2шт.

1500690C1

ARM

CLUTCH

1шт.

3125567R1

BUSHING

SPARE PART BEARING

2шт.

1500691C1

LEVER

ROD CLUTCH lower

1шт.

933348R1

WASHER,M10 x 20 x 2

3/8 dia

2шт.

3125529R1

PIN

cotter 25 dia

2шт.

1500692C1

CLIP

2 5 dia R H

1шт.

3125609R2

ARM

CPTE CLUTCH

1шт.

104038

ADJUSTABLE CLEVIS,3/8"-24 x 2 1/2"

3/8 x 24

1шт.

114494

NUT,Jam, 3/8"-24, G5

1шт.

104038

ADJUSTABLE CLEVIS,3/8"-24 x 2 1/2"

3/8 x 24

1шт.

114494

NUT,Jam, 3/8"-24, G5

1шт.

103496

CLEVIS PIN,3/8" x 1.060"

Rod end

1шт.

Выбрано товаров: 70