Запчасти Case IH 884 (12-034) - SERVICE TOOLS Power

Схема запчастей Case IH 884 - (12-034) - SERVICE TOOLS Power
8
38
16
5
44
39
4
24
34
18
41
6
17
22
33
46
21
14
3
37
29
27
15
20
35
7
10
25
32
2
13
23
1
26
31
43
45
42
47
28
36
19
12
40
11
30
9
FIT
1:1
100%

Артикул

Название

Примечание

Количество

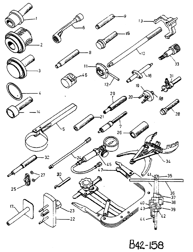
3055714R96

TOOL

SET, SERVICE, CONSISTS

1шт.

1

3055689R11

TOOL

DRIFT PUNCH-FOR CRANKSHAFT FRONT OIL SEAL

1шт.

2

3136331R1

TOOL

DRIFT PUNCH-FOR CRANKSHAFT FRONT OIL SEAL

1шт.

3

3055687R11

TOOL

DRIFT PUNCH-FOR OIL SEAL, 3055310R92

1шт.

4

3055709R1

DISC

SHIM, FOR DRIFT PUNCH -3055687R11

1шт.

4

3055710R1

SHIM

FOR DRIFT PUNCH -3055687R11

1шт.

5

3136279R1

TOOL

WRENCH -FOR OIL FILTER

1шт.

6

3055795R2

TOOL

WRENCH-CRANKED FOR CYL HEAD BOLTS

1шт.

6

3055794R2

TOOL

WRENCH-CRANKED FOR CYL HEAD NUT

1шт.

7

3132007R1

PLUG

SPARE PART GAUGE NOZZLE HOLDER SLEEVE

1шт.

8

3055679R1

TOOL

DRIFT PUNCH-FOR PISTON PIN, 3055217R1

1шт.

9

3055684R1

TOOL

DRIFT -FOR SEALING CAP 933537R1

1шт.

9

3055701R1

TOOL

DRIFT -FOR TAPER ROLLER BEARING

1шт.

9

3055703R1

TOOL

DRIFT -FOR TAPER ROLLER BEARING

1шт.

10

3055690R1

SPINDLE

CYLINDER SLEEVE PULLER, INCLUDES: NUT

1шт.

425-1516

JAM NUT,Jam, 1"-14, G5

HEX THICK

1шт.

11

3055693R1

PLATE

CYLINDER SLEEVE PULLER, INCLUDES: SCREW SET

1шт.

NLS

NO LONGER SERVICED

SCREW, SET, HEADLESS SLTD OVAL POINT

1шт.

12

2700167R1

PIN

SLEEVE PULLER JOINT

1шт.

13

3055691R1

TOOL

CYLINDER SLEEVE PULLER TRIPOD

1шт.

14

3055688R11

TOOL

DRIFT PUNCH -FOR EXPANSION PLUG

1шт.

15

3055694R1

TOOL

DRIFT PUNCH -FOR U-PLUG

1шт.

16

3055712R11

ADAPTER

COMPRESSION GAUGE

1шт.

17

3055704R11

BRACKET

PIPE, SPRING COMPRESSION

1шт.

18

2700159R1

SCREW

SPINDLE, PRESSURE

1шт.

19

2711375R1

PLATE

PULLER

1шт.

20

2711376R1

BOLT

INCLUDES: PIN

3шт.

102762

COTTER PIN

3шт.

21

3055699R1

TOOL

DRIFT PUNCH -FOR VALVE GUIDE, INCLUDES: TOOL - PULLER FOR CRANKSHAFT PULLEY

1шт.

3055707R91

TOOL

PULLER-FOR CRANKSHAFT PULLEY, CONSISTS OF: PLATE, SPINDLE AND BOLTS

1шт.

3055708R1

PLATE

1шт.

2700154R11

SPINDLE

1шт.

179825

BOLT,Hex, 5/16" - 18 x 1 7/8", Gr 5

2шт.

179826

BOLT,Hex, 5/16" - 18 x 2", Gr 5

2шт.

13-536

BOLT,Hex, 5/16" - 18 x 2-1/4", Gr 5

2шт.

22340R1

SCREW,Hex, 5/16"-18 x 2 7/8", G5

BOLT

2шт.

22

3055738R1

BUSHING

PLATE, DETACHING PULLER, INCLUDES: BOLTS

1шт.

179825

BOLT,Hex, 5/16" - 18 x 1 7/8", Gr 5

2шт.

179826

BOLT,Hex, 5/16" - 18 x 2", Gr 5

BOLT, 5/16-18 X 2-1/4 HEX HD

2шт.

22340R1

SCREW,Hex, 5/16"-18 x 2 7/8", G5

BOLT 5/16-18 X 2-7/8 HEX HD

2шт.

23

2700154R11

SPINDLE

PRESSURE PULLER

1шт.

24

3055700R1

TOOL

EXTENSION

1шт.

25

3132000R91

TOOL

WINDOW, TIMING ENGINE, CONSISTS OF: WASHERS, SCREWS, WINDOW AND GASKET

1шт.

3132001R1

WASHER

2шт.

3132002R1

BOLT,Fillister

SPARE PART SCREW

2шт.

3132003R11

WINDOW

1шт.

3132004R1

1шт.

26

3055702R1

BUSHING

FOR PACKING 3055285R92

1шт.

27

3132001R1

WASHER

ENGINE TIMING WINDOW

2шт.

28

3055695R1

TOOL

DRIFT PUNCH-FOR SEALING 933573R1

1шт.

28

3055698R1

TOOL

DRIFT PUNCH-FOR INSERT 3132005R1

1шт.

29

3132006R1

GUIDE

SPARE PART COUNTER NOZZLE HOLDER SLEEVE

1шт.

30

3055706R1

TOOL

HOOK WRENCH

1шт.

31

3144778R2

GAUGE ASSY.

INJ TIMING ADV AND FEED, INCLUDES: FLANGE

1шт.

3218090R1

FLANGE

SPARE PART INTERMEDIATE

1шт.

32

3055696R1

TOOL

DRIFT -FOR SLEEVE 3055344R1

1шт.

32

3136223R1

TOOL

DRIFT -FOR SLEEVE 3132025R1

1шт.

3132005R1

TOOL

DRIFT -FOR SLEEVE 3055406R1, PARTS ARE NOT INCLUDED IN SERVICE TOOL SETS

1шт.

33

3132291R1

TOOL

SPARE PART SOCKET, SCREW, BALANCE WEIGHT-CRANKSHAFT, PARTS ARE NOT INCLUDED IN SERVICE TOOL SETS

1шт.

34

2712136R91

EXPANDER

PISTON RING, PARTS ARE NOT INCLUDED IN SERVICE TOOL SETS

1шт.

3132120R91

TOOL KIT

SPARE PART EXHAUST VALVE SEAT, CONSISTS OF ITEMS 35 - 44 INCL, PARTS ARE NOT INCLUDED IN SERVICE TOOL SETS

1шт.

35

3132357R1

SHAFT

REAMER, PARTS ARE NOT INCLUDED IN SERVICE TOOL SETS

1шт.

36

3132356R1

REAMER

ROD, SHAFT, PARTS ARE NOT INCLUDED IN SERVICE TOOL SETS

1шт.

37

219755

BACK-UP RING

1-14 HEX JAM, PARTS ARE NOT INCLUDED IN SERVICE TOOL SETS

1шт.

38

3132355R1

SPACER

PARTS ARE NOT INCLUDED IN SERVICE TOOL SETS

1шт.

39

3132358R1

REAMER

TOOL, 0 40 OVERSIZE, PARTS ARE NOT INCLUDED IN SERVICE TOOL SETS

1шт.

39

3132359R1

TOOL

REAMER - 0 15 OVERSIZE, PARTS ARE NOT INCLUDED IN SERVICE TOOL SETS

1шт.

40

3132363R1

CUTTER

TOOL, REAMER TAPERED, PARTS ARE NOT INCLUDED IN SERVICE TOOL SETS

1шт.

41

426816

SCREW,Hex Soc Hd, 1/4"-20 x 3/4"

1/4-20 X 3/4 HEX SOC HD CAP, PARTS ARE NOT INCLUDED IN SERVICE TOOL SETS

1шт.

42

114507

JAM NUT,Jam, 5/8"-11, G5

Parts Are Not Included in Service Tool Sets

1шт.

43

932666R1

KEY

PARTS ARE NOT INCLUDED IN SERVICE TOOL SETS

1шт.

44

3132360R1

BUSHING

ADJUSTER, PARTS ARE NOT INCLUDED IN SERVICE TOOL SETS

1шт.

45

2712141R91

GAUGE

SPARE PART COMPRESSION, PARTS ARE NOT INCLUDED IN SERVICE TOOL SETS

1шт.

46

2712139R91

TOOL

SPARE PART COMPRESSOR, PISTON RING, PARTS ARE NOT INCLUDED IN SERVICE TOOL SETS

1шт.

47

2712138R91

COMPRESSOR

SPARE PART VALVE SPRING, PARTS ARE NOT INCLUDED IN SERVICE TOOL SETS

1шт.

3132743R95

TOOL KIT

CONSISTS OF: PUNCH, SHIMS, WRENCH, SPINDLE, PLATE, PINS, TRIPOD, ADAPTOR, PULLER, BOLTS, EXTENSION AND BUSHING, NOT ILLUSTRATED

1шт.

3136331R1

TOOL

PUNCH, NOT ILLUSTRATED

1шт.

3055687R11

TOOL

PUNCH, NOT ILLUSTRATED

1шт.

3055709R1

DISC

SHIM, NOT ILLUSTRATED

1шт.

3055710R1

SHIM

NOT ILLUSTRATED

1шт.

3055795R2

TOOL

WRENCH, NOT ILLUSTRATED

1шт.

3055690R1

SPINDLE

NOT ILLUSTRATED

1шт.

3055693R1

PLATE

NOT ILLUSTRATED

1шт.

2700167R1

PIN

NOT ILLUSTRATED

1шт.

3055691R1

TOOL

TRIPOD, NOT ILLUSTRATED

1шт.

3055712R11

ADAPTER

NOT ILLUSTRATED

1шт.

3055704R11

BRACKET

PIPE, NOT ILLUSTRATED

1шт.

2700159R1

SCREW

SPINDLE, NOT ILLUSTRATED

1шт.

2711375R11

PULLER, NOT ILLUSTRATED

1шт.

2711376R1

BOLT

NOT ILLUSTRATED

3шт.

102762

COTTER PIN

NOT ILLUSTRATED

1шт.

3055699R1

TOOL

PUNCH, NOT ILLUSTRATED

1шт.

3055700R1

TOOL

EXTENSION, NOT ILLUSTRATED

1шт.

3055702R1

BUSHING

NOT ILLUSTRATED

1шт.

3055696R1

TOOL

PUNCH, NOT ILLUSTRATED

1шт.

3136223R1

TOOL

PUNCH, NOT ILLUSTRATED

1шт.

3218536R91

REAMER

SPARE PART TOOL ASSY, REWORK CYLINDER SLEEVE COLLAR, INCLUDES: BLADE AND SHIMS, NOT ILLUSTRATED

1шт.

3218537R1

CUTTER

SPARE PART BLADE, NOT ILLUSTRATED

1шт.

3218538R1

SHIM

05 MM THICK, NOT ILLUSTRATED

1шт.

3218539R1

SHIM

1 MM THICK, NOT ILLUSTRATED

1шт.

3218540R1

SHIM,112.06mm ID x 118.6mm OD x 0.25mm Thk

25 MM THICK, NOT ILLUSTRATED

1шт.

3218541R1

SHIM

5 MM THICK, NOT ILLUSTRATED

1шт.

3218542R1

SHIM

8 MM THICK, NOT ILLUSTRATED

1шт.

Выбрано товаров: 103