Запчасти Case IH 884 (07-014) - REAR FRAME, COVER AND CONNECTIONS (04) - Drive Train

Схема запчастей Case IH 884 - (07-014) - REAR FRAME, COVER AND CONNECTIONS (04) - Drive Train
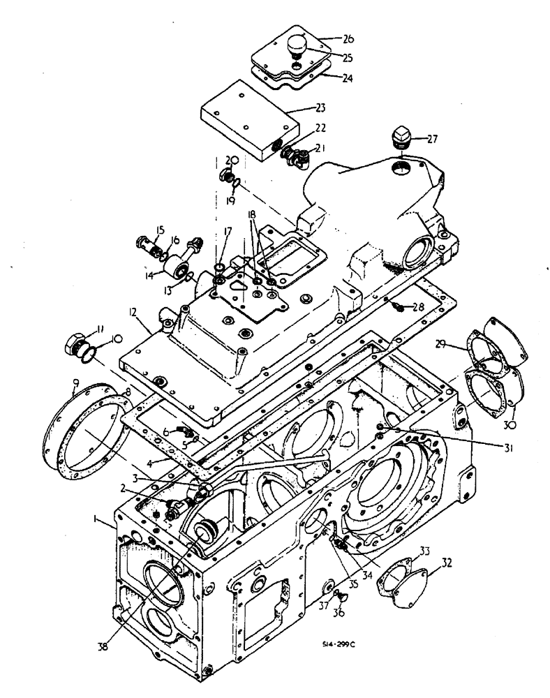
4
22
10
14
23
29
11
38
33
36
28
20
21
31
9
18
17
1
37
25
32
26
30
27
34
8
35
24
16
2
5
6
13
3
12
19
15
FIT
1:1
100%

Артикул

Название

Примечание

Количество

1

399848R71

FRAME ASSY

REAR ALSO INCLUDES BEARING 399820R91 OR 527746R91 AND 362251R91 IN RANGE TRANSMISSION, INCLUDES: PLUGS AND PINS

1шт.

327412R1

PLUG,Cup, 13/16"

13/16 CUP

1шт.

3113103R1

PLUG

3/4-14 AUTOMOTIVE HEX HD PIPE

2шт.

9409961

DRAIN PLUG,Sq Soc, 3/4"-14 NPTF

REAR FRAME FOR USE W/AUTO HITCH

1шт.

349373R1

PLUG

1-1/4 CUP

1шт.

19904R1

DOWEL,1/2" x 1"

2шт.

19875R1

DOWEL,5/8" x 1 1/2"

PIN, 5/8

1шт.

386194R1

PLUG,Cup, 3/4"

3/4 CUP

2шт.

512870R1

PLUG,Cup, 2 1/4"

2-1/4 CUP

1шт.

19846R1

DOWEL,1/2" x 1 1/4"

PIN, 1/2 X 1-1/4

1шт.

70129R1

PLUG,Cup, 2"

2 CUP

1шт.

23828R1

PLUG,Cup, 2 1/2"

2-1/2 CUP

1шт.

330222R1

PLUG,Cup, 1 7/8"

1-7/8 CUP

1шт.

151162R1

PLUG,Cup, 1 3/8"

1-3/8 CUP

1шт.

327413R1

PLUG

1-1/2 CUP

1шт.

2

9411131

TEE,3/4"-16, 37 Degree x 3/4"-18, O-Ring Run

3/4-16 C-Z 37 DEG HYD FLARED TUBE ADJ STR THD 90 DEG TRANSFER PUMP OUTLET TUBE

1шт.

3

68393C1

TUBE ASSY.

RETURN

1шт.

4

538649R92

GASKET KIT

PACKAGE, REAR FRAME COVER W/THREE SEALS 406734R1

1шт.

5

369751R1

O-RING,0.072" Thk x 0.351" ID, -904, Cl 6, 90 Duro

1/4 OD tube

1шт.

6

9410974

ELBOW,90 Degree, 7/16"-20, 37 Degree x 7/16"-20, O-Ring

7/16-20 C-Z 37 DEG HYD FLARED TUBE ADJ STR HD 90 DEG R H BRAKE TUBE NOT USED

1шт.

8

405739R2

GASKET

SIDE PTO COVER

1шт.

9

405738R1

COVER

SIDE PTO, INCLUDES: SCREWS

1шт.

179837

BOLT,Hex, 3/8" - 16 x 3/4", Gr 5

7шт.

10

296247R1

O-RING,16-1, 90 Duro, 1.171" ID x .116" Thk

1 OD TUBE

1шт.

11

9410363

PLUG

1-5/16-12 STR THD O-RING BOSS

1шт.

12

529381R94

COVER ASSY

REAR FRAME, INCLUDES: NUTS WASHERS, SCREWS, O-RING, STUDS AND PLUGS

1шт.

120377

NUT,3/8" - 16, Gr 5

4шт.

120382

LOCK WASHER,Helical Spring, 3/8"

4шт.

179847

BOLT,Hex, 3/8" - 16 x 2", Gr 5

1шт.

413-630

BOLT,Hex, 3/8" - 16 x 1-7/8", Gr 5

11шт.

179850

BOLT,Hex, 3/8" - 16 x 2 3/4", Gr 5

3/8-16 X 2-5/8 HEX HD CAP

2шт.

179886

BOLT,Hex, 1/2" - 13 x 1 5/8", Gr 5

1/2-13 X 1-5/8 HEX HD CAP

2шт.

413-830

BOLT,Hex, 1/2" - 13 x 1-7/8", Gr 5

1/2-13 X 1-7/8 HEX HD CAP

4шт.

444695

PLUG

3/8-18 AUTOM HEX SOC HD PIPE

1шт.

444697

PLUG,Hex Soc, 3/8"-18

3/8-18 AUTOM HEX SOC HD PIPE

1шт.

444698

PLUG

3/8-18 C-Z AUTOM HEX SOC HD PIPE

1шт.

386194R1

PLUG,Cup, 3/4"

PLUG, 3/4 CUP

1шт.

373553R1

PLUG,Cup, 7/8"

7/8 CUP

1шт.

41600D

PLUG,Cup, 1 1/8"

1-1/8 CUP

1шт.

24469R1

PLUG,Cup, 3 1/4"

3-1/4 CUP

2шт.

103321

LOCK WASHER,3/8"

14шт.

179883

BOLT,Hex, 1/2" - 13 x 1 1/4", Gr 5

3шт.

231-1408

LOCK NUT,1/2"-13, GB

1/2-13 NYLON INSERT

3шт.

536855R1

PLUG

3/4-16 C-Z STR HD O-RING BOSS

1шт.

570828R1

O-RING,0.087" Thk x 0.644" ID, -908, Cl 6, 90 Duro

1/2 OD TUBE

1шт.

531143R2

STUD

TOP COVER LONG

2шт.

531144R1

STUD

TOP COVER SHORT

2шт.

13

384376R1

O-RING,0.07" Thk x 0.926" ID, -21, Cl 6, 90 Duro

15/16 X 1-1/16 X 1/16

1шт.

14

66762C1

PIPE,0.625" OD, 3.5" Length

TUBE ASSY, INLET UNION

1шт.

15

66766C1

PLUG

INLET UNION

1шт.

16

364885R1

O-RING,0.097" Thk x 0.755" ID, -910, Cl 6, 90 Duro

5/8 OD TUBE

1шт.

17

21433R1

O-RING,0.103" Thk x 0.674" ID, -115, Cl 6, 90 Duro

11/16 X 7/8 X 3/32 AUXILIARY VALVE MANIFOLD

1шт.

18

352221R1

O-RING,0.103" Thk x 0.549" ID, -113, Cl 5, 75 Duro

9/16 X 3/4 X 3/32 AUXILIARY VALVE MANIFOLD

2шт.

19

570828R1

O-RING,0.087" Thk x 0.644" ID, -908, Cl 6, 90 Duro

1/2 OD TUBE

1шт.

20

9410359

PLUG

3/4-16 C-Z STR THD O-RING BOSS

1шт.

21

9410978

ELBOW,90 Degree, 7/8"-14, 37 Degree x 7/8"-14, O-Ring

7/8-14 C-Z 37 DEG HYD FLARED TUBE ADJ STR THD 90 DEG AUXILIARY VALVE MANIFOLD

1шт.

22

364885R1

O-RING,0.097" Thk x 0.755" ID, -910, Cl 6, 90 Duro

5/8 OD TUBE

1шт.

23

529382R1

MANIFOLD

AUX VALVE, INCLUDES: SCREWS

1шт.

179847

BOLT,Hex, 3/8" - 16 x 2", Gr 5

4шт.

24

399996R1

GASKET

LINKAGE ACCESS COVER

1шт.

25

65970C2

BREATHER ASSY.

HYD UNIT HOUSING

1шт.

26

65969C1

COVER

LINKAGE ACCESS, INCLUDES: SCREWS

1шт.

179791

BOLT,Hex, 1/4" - 20 x 1/2", Gr 5

5шт.

27

20953R1

DRAIN PLUG,Sq Hd, 1 1/4"-11 1/2 NPTF

1-3/4 -11 X 1/2 NPTE

1шт.

28

82301R1

BLEEDER,3/8" - 24 x 117mm

BRAKE BLEED

2шт.

28

3068777R1

SCREW

BRAKE BLEED OPTIONAL

1шт.

29

399843R2

GASKET

IPTO COVER, INCLUDES: SCREWS

2шт.

179837

BOLT,Hex, 3/8" - 16 x 3/4", Gr 5

6шт.

30

399842R1

COVER

REAR FRAME IPTO

2шт.

31

406734R1

SEAL

TEFLON

3шт.

32

528448R1

PLATE

PARKING BRAKE PIVOT HOLE BLANKING TRACTORS W/O HAND OPERATED DRUM BRAKE, INCLUDES: SCREWS AND WASHERS

1шт.

179837

BOLT,Hex, 3/8" - 16 x 3/4", Gr 5

3шт.

103321

LOCK WASHER,3/8"

3шт.

33

528449R1

GASKET

PIVOT HOLE BLANKING PLATE

1шт.

34

9410200

HYD CONNECTOR,7/16" - 20 JIC x 7/16" - 20 ORB

7/16-20 C-Z 37 DEG HYD FLARED TUBE SHORT SWIVEL L H BRAKE INLET TUBE, INCLUDES: TUBE

1шт.

35

369751R1

O-RING,0.072" Thk x 0.351" ID, -904, Cl 6, 90 Duro

1/4 OD tube

1шт.

36

9410356

PLUG

7/16-20 STR THD O-RING BOSS

1шт.

37

369751R1

O-RING,0.072" Thk x 0.351" ID, -904, Cl 6, 90 Duro

1/4 OD tube

1шт.

38

527748R1

PLUG

OIL RESERVOIR

1шт.

Выбрано товаров: 79