Запчасти Case IH 885 (5-176) - INTEGRAL HYDROSTATIC STEERING VALVE, DANFOSS OSPB 80 OR (05) - STEERING

Схема запчастей Case IH 885 - (5-176) - INTEGRAL HYDROSTATIC STEERING VALVE, DANFOSS OSPB 80 OR (05) - STEERING
15
16
13
20
25
11
3
18
19
7
9
5
24
23
17
6
2
5
4
14
10
8
22
12
1
21
FIT
1:1
100%

Артикул

Название

Примечание

Количество

67698C93

VALVE

- integral, power steering, Includes: seal and spring service kit and Ref. 1 thru 25

1шт.

1500443C91

SEAL KIT

KIT - service, seal and spring, Includes: Ref. 1 thru 7

1шт.

67698C94

PUMP

VALVE, new, to service this new valve use only Spring kit V5949636 and Seal kit B507433.

1шт.

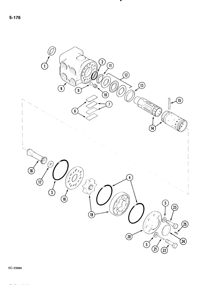
1

NSS

NOT SOLD SEPARAT

SEAL - dust

1шт.

2

NSS

NOT SOLD SEPARAT

O-RING

1шт.

This O-ring is no longer part of kit. It has been replaced by a lip seal.

1шт.

3

NSS

NOT SOLD SEPARAT

O-RING

1шт.

4

NSS

NOT SOLD SEPARAT

O-RING

2шт.

5

NSS

NOT SOLD SEPARAT

WASHER

7шт.

6

NSS

NOT SOLD SEPARAT

SPRING - flat, weak, blue

2шт.

7

NSS

NOT SOLD SEPARAT

SPRING - curved, weak, blue

2шт.

8

NSS

NOT SOLD SEPARAT

HOUSING - power steering valve

1шт.

9

3112270R1

BALL

- steel

1шт.

10

3112273R1

COVER

BUSHING - threaded

1шт.

11

NSS

NOT SOLD SEPARAT

RING - kin

1шт.

12

3234338R91

BEARING SET

- complete

1шт.

13

3112264R1

RING

1шт.

14

NSS

NOT SOLD SEPARAT

SPOOL - complete with sleeve

1шт.

15

3112269R1

PIN

- cross

1шт.

16

538915R1

DRIVE SHAFT

SHAFT - drive

1шт.

17

538916R1

SPACER

- drive shaft

1шт.

18

3112276R1

PLATE

- valve

1шт.

19

538918R1

ROTOR ASSY.

GEAR - rotor, complete

1шт.

20

1500444C1

CAP

COVER end

1шт.

20

3112273C1

COVER

end, new

1шт.

21

3112271R1

PIN, ROLL

PIN - roll

1шт.

22

3146907R1

BOLT,M8 x 1 x 35mm, Drilled

- hex, with bore

1шт.

23

3146908R1

BOLT,M8 x 1 x 35mm

- hex

6шт.

24

NSS

NOT SOLD SEPARAT

PLATE - rating

1шт.

25

NSS

NOT SOLD SEPARAT

SCREW - drive

2шт.

Выбрано товаров: 30