Запчасти Case IH 885 (5-178) - INTEGRAL HYDROSTATIC STEERING VALVE, DANFOSS OSPC 100 OR (05) - STEERING

Схема запчастей Case IH 885 - (5-178) - INTEGRAL HYDROSTATIC STEERING VALVE, DANFOSS OSPC 100 OR (05) - STEERING
23
17
22
7
10
13
34
20
24
4
1
35
27
5
8
28
15
2
31
14
30
6
33
32
5
29
18
19
21
3
24
11
9
16
25
26
12
FIT
1:1
100%

Артикул

Название

Примечание

Количество

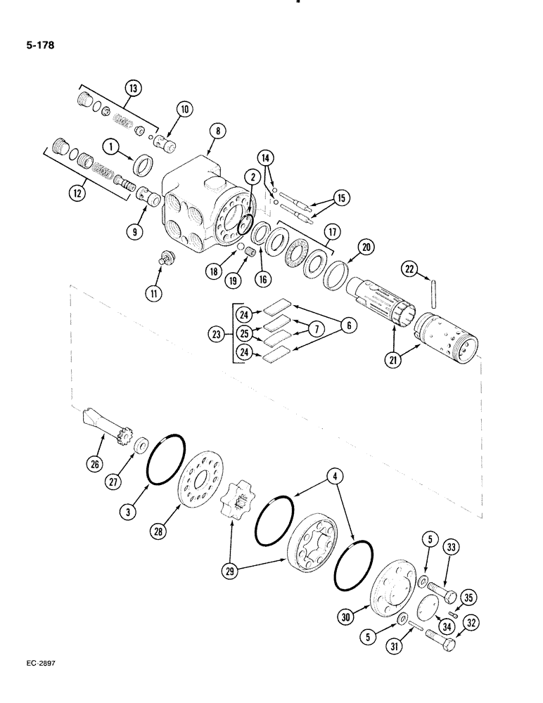
88107C91

PUMP

VALVE - integral, power steering, Includes:seal and spring service kit and Ref. 1 thru 35

1шт.

1500443C91

SEAL KIT

KIT - service, seal and spring, Includes: Ref. 1 - 7

1шт.

1

NSS

NOT SOLD SEPARAT

SEAL - dust

1шт.

2

NSS

NOT SOLD SEPARAT

O-RING

1шт.

3

NSS

NOT SOLD SEPARAT

O-RING

1шт.

4

NSS

NOT SOLD SEPARAT

O-RING

2шт.

5

NSS

NOT SOLD SEPARAT

WASHER

7шт.

6

NSS

NOT SOLD SEPARAT

SPRING - flat, weak, blue

2шт.

7

NSS

NOT SOLD SEPARAT

SPRING - curved, weak, blue

2шт.

8

NSS

NOT SOLD SEPARAT

HOUSING - power steering valve, Includes: Ref. 9 - 11

1шт.

9

NSS

NOT SOLD SEPARAT

SEAT - relief valve

1шт.

10

NSS

NOT SOLD SEPARAT

SEAT - dual shock valve

2шт.

11

NSS

NOT SOLD SEPARAT

VALVE - check

1шт.

12

1971688C1

VALVE

- relief, without seat

1шт.

13

NSS

NOT SOLD SEPARAT

VALVE - dual shock, without seat

2шт.

14

211-204

BALL

- steel, 3/16 inch

2шт.

15

1971684C1

BUSHING

- with pin

2шт.

16

NSS

NOT SOLD SEPARAT

RING - kin

1шт.

17

1272808C1

NEEDLE BEARING

BEARING - needle

1шт.

18

1272794C1

BALL

- steel, 8.5 mm diameter

1шт.

19

1272793C1

BUSHING

- threaded

1шт.

20

1272795C1

O-RING,39.6mm ID x 41mm OD x 4.5mm

- seal

1шт.

21

NSS

NOT SOLD SEPARAT

SPOOL - complete with sleeve

1шт.

22

1272796C1

CROSS PIN

1шт.

23

1272809C1

PACKAGE

KIT - spring, standard, grey, Includes: Ref. 24 and 25

1шт.

24

NSS

NOT SOLD SEPARAT

SPRING - flat, standard, grey

2шт.

25

NSS

NOT SOLD SEPARAT

SPRING - curved, standard, grey

4шт.

26

1272797C1

SHAFT

- cardan

1шт.

27

3216707R1

SPACER

1шт.

28

1346022C1

PLATE

- distributor, Replaces: 1272803C1

1шт.

29

NSS

NOT SOLD SEPARAT

GEAR - rotor, complete

1шт.

30

3112273C1

COVER

- end, Replaces: 1500444C1

1шт.

31

3112271R1

PIN, ROLL

PIN - roll

1шт.

32

1272791C1

SCREW

- hex, with bore

1шт.

33

814-8040

BOLT,Hex, M8 x 1.25 x 40mm, Cl 8.8

6шт.

34

NSS

NOT SOLD SEPARAT

PLATE - name

1шт.

35

NSS

NOT SOLD SEPARAT

SCREW - drive

2шт.

Выбрано товаров: 37