Запчасти Case IH 885 (6-220) - CLUTCH HOUSING AND CONNECTIONS (06) - POWER TRAIN

Схема запчастей Case IH 885 - (6-220) - CLUTCH HOUSING AND CONNECTIONS (06) - POWER TRAIN
8
22
3
2
10
2
24
13
6
7
14
5
9
15
21
23
12
1
20
19
2
25
17
6
13
4
18
12
11
16
FIT
1:1
100%

Артикул

Название

Примечание

Количество

1

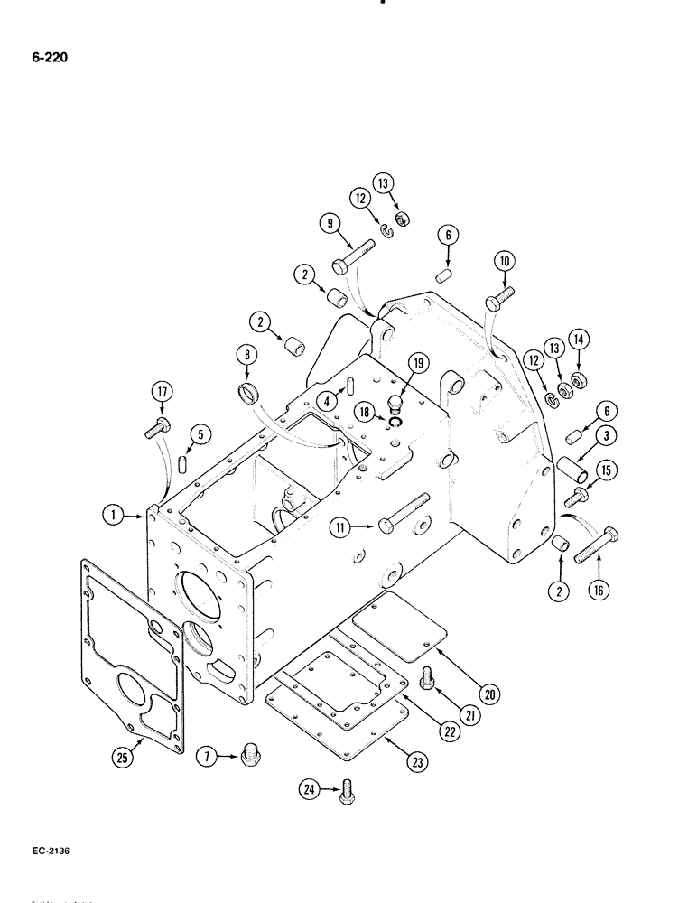
94294C91

HOUSING

- clutch, with bushing, dowels and plugs, Includes: Ref. 2 - 8

1шт.

2

530815R1

BUSHING,22.27mm ID x 25.46mm OD x 22.23mm L

3шт.

3

537099R1

NO LONGER SERVICED

BUSHING - left brake pedal pivot

1шт.

3

539834R1

BUSHING,22.35mm ID x 25.47mm OD x 68.07mm L

- left brake pedal pivot, Serial Range: (Optional-537099R1)

1шт.

4

19962R1

DOWEL,3/8" x 3/4"

PIN - dowel, 3/8 x 3/4 inch

1шт.

5

20556R1

DOWEL,1/2" x 3/4"

PIN - dowel, 1/2 x 3/4 inch

1шт.

6

19904R1

DOWEL,1/2" x 1"

PIN - dowel, 1/2 x 1 inch

2шт.

7

444836

PLUG,Hex Hd, 3/4"-14

- hex, 3/4 inch NPTF

1шт.

7

3113103R1

PLUG

- hex, 3/4 inch NPTF, Serial Range: (Optional-444836)

1шт.

8

327411R1

PLUG,Cup, 5/8"

- cup, 5/8 inch

1шт.

9

186295

BOLT,Hex, 1/2" - 13 x 5 1/2", Gr 5

- hex, 1/2 NC x 5-1/2 inch, grade 5

2шт.

10

179894

BOLT,Hex, 1/2" - 13 x 3 1/4", Gr 5

- hex, 1/2" NC x 3-1/4", grade 5

2шт.

11

187238

BOLT,Hex, 1/2" - 13 x 6", Gr 5

- hex, 1/2 NC x 6 inch, grade 5

1шт.

12

103323

LOCK WASHER,1/2"

WASHER, LOCK, 1/2"

2шт.

13

114505

JAM NUT,Jam, 1/2"-13, G5

2шт.

14

114505

JAM NUT,Jam, 1/2"-13, G5

1шт.

15

179887

CABLE

(thru spacer to housing) Hex, 1/2"-13 x 1 3/4", G5

4шт.

16

179895

BOLT,Hex, 1/2" - 13 x 3 1/2", Gr 5

- hex, 1/2 NC x 3-1/2 inch, grade 5 (Thru pan and spacer to clutch housing)

2шт.

17

340340R1

BOLT,Hex, 1/2" - 13 x 1 1/2", Gr 8

- hex, 1/2 NC x 1-1/2 inch, grade 8

9шт.

18

570828R1

O-RING,0.087" Thk x 0.644" ID, -908, Cl 6, 90 Duro

- 1/2 inch OD tube, class 6

1шт.

19

9410359

PLUG

- 0-ring boss, 1/2 inch OD tube

1шт.

20

399817R1

COVER

- clutch compartment

1шт.

21

179835

BOLT,Hex, 3/8" - 16 x 5/8", Gr 5, Full Thd

2шт.

22

402556R2

GASKET

- clutch housing bottom rear cover

1шт.

23

402182R1

COVER

- clutch housing bottom rear

1шт.

23

83013C2

LARGE PLATE

PLATE - core, with 2 speed power shift

1шт.

24

179837

BOLT,Hex, 3/8" - 16 x 3/4", Gr 5

11шт.

24

180124

BOLT,Hex, 3/8" - 16 x 1 1/4", Gr 5

- hex, 3/8 NC x 1-1/4 inch, grade 5, ZND, with 2 speed power shift

9шт.

24

113-233

BOLT,Hex, 3/8" - 16 x 1-3/4", Gr 5

- hex, 3/8"-16 NC x 1-3/4", grade 5, with 2 speed power shift

2шт.

25

399814R4

GASKET

- clutch housing to rear frame, Serial Range: -18001

1шт.

25

B501074

LOCTITE

GASKET - liquid, 160 ml, Start Serial: 18001

1шт.

Выбрано товаров: 31