Запчасти Case IH 885 (6-228) - TRANSMISSION RANGE SHIFT CONTROL, WITHOUT CAB (06) - POWER TRAIN

Схема запчастей Case IH 885 - (6-228) - TRANSMISSION RANGE SHIFT CONTROL, WITHOUT CAB (06) - POWER TRAIN
6
7
14
33
21
5
11
23
10
21
22
9
27
25
15
13
16
4
30
29
2
29
31
9
24
32
3
12
28
30
28
2
1
32
8
18
26
32
31
17
19
27
FIT
1:1
100%

Артикул

Название

Примечание

Количество

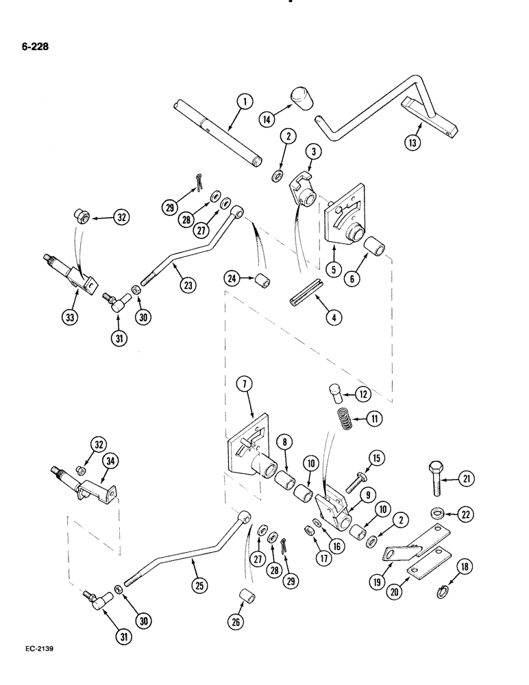
1

3129155R2

SHAFT

- idle, range shift lever, See Figure 6-226

1шт.

2

615192R1

WASHER

- flat, 0.906 x 1.25 x 0.027 inch

1шт.

3

98573C1

LEVER

GATE - shift

1шт.

4

617940R1

PIN,5/16" x 1 3/4", Coiled

1шт.

5

3129210R92

LEVER

range, rear, Includes: Ref. 6

1шт.

5

1536634C1

LEVER

range, rear, Includes: Ref. 6

1шт.

6

3129207R1

BUSHING,22.25mm ID x 25.48mm OD x 30mm L

- lever

1шт.

7

3129209R91

LEVER ASSY.

LEVER range, front, Includes: Ref. 8

1шт.

7

1536635C1

LEVER ASSY.

LEVER ASSEMBLY, Includes: Ref. 8

1шт.

8

3129207R1

BUSHING,22.25mm ID x 25.48mm OD x 30mm L

- lever

1шт.

9

3129214R92

HOUSING ASSY.

HOUSING - selector arm, Includes: Ref. 10

1шт.

10

530815R1

BUSHING,22.27mm ID x 25.46mm OD x 22.23mm L

2шт.

11

71486C1

SPRING

- compression

1шт.

12

22938R1

HEADED PIN,5/16" x 1/2"

PIN, HEADED, 5/16" x 1/2"

1шт.

13

3129268R2

LEVER ASSY.

LEVER - range shift

1шт.

14

1265216C1

BALL KNOB

KNOB - range shift lever

1шт.

15

1282929C1

BOLT,Hex, 3/8" - 16 x 6"

- Selector arm pivot

1шт.

16

95-11041

WASHER,3/8"

flat (0.406 x 0.812 x 0.051") 3/8"

1шт.

17

9413979

LOCK NUT,3/8"-16, GC

NUT - hex lock, 3/8 inch NC, grade 8

1шт.

18

454331R1

SNAP RING,#87, Ext

1шт.

19

1287659C1

SUPPORT

BRACKET - shift lever

1шт.

20

1287660C1

PLATE

- shim

1шт.

21

413-1024

BOLT,Hex, 5/8" - 11 x 1-1/2", Gr 5

- hex, 5/8 NC x 1-1/2 inch, grade 5

2шт.

22

492-11062

BEARING WASHER,5/8"

WASHER, LOCK, 5/8"

2шт.

23

3129232R91

ROD ASSY.

ROD range shift, rear, Includes: Ref. 24

1шт.

23

1536646C1

ROD ASSY.

ROD, Includes: Ref. 24

1шт.

24

3129156R1

BUSHING,9.58mm ID x 12.79mm OD x 12.7mm L

1шт.

25

1536648C1

ROD ASSY.

ROD - range shift, front, Replaces: 3129228R91, Includes: Ref. 26

1шт.

When 3129228R91 subs to 1536648C1, you must also sub over the ball joint and jamnut. Those part numbers are 1500497C1 ball joint and 1500536C1 jamnut. Both measure 7/16".

1шт.

26

3129156R1

BUSHING,9.58mm ID x 12.79mm OD x 12.7mm L

1шт.

27

83723R1

WAVE WASHER

- spring

2шт.

28

Q3641

WASHER

- plain, 0.406 x 0.625 x 0.054 inch

2шт.

29

103373

COTTER PIN,3/32" x 3/4"

Pin, Split (Cotter), 3/32" x 3/4"

2шт.

30

124925

JAM NUT,Jam, 3/8"-24, G5

2шт.

31

653867C1

BALL JOINT

JOINT - ball, 3/8 inch

2шт.

32

3048059R91

LOCK NUT

NUT - lock, 3/8 inch NF

2шт.

33

1289948C1

ARM

- range shift, outer rear, See Figure 6-238

1шт.

34

1289946C2

ARM

- range shift, outer front, See Figure 6-238

1шт.

Выбрано товаров: 0