Запчасти Case IH 885 (6-238) - RANGE SHIFT MECHANISM (06) - POWER TRAIN

Схема запчастей Case IH 885 - (6-238) - RANGE SHIFT MECHANISM (06) - POWER TRAIN
3
7
11
15
12
1
14
19
5
13
4
18
16
7
10
2
16
9
8
6
9
18
3
15
17
2
20
17
13
10
FIT
1:1
100%

Артикул

Название

Примечание

Количество

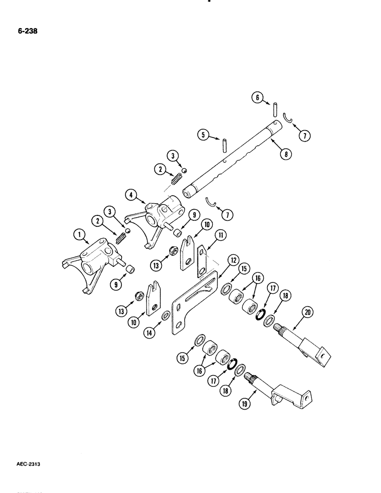
1

1286428C1

FORK

- front

1шт.

2

103062C1

SPRING

- poppet ball

2шт.

3

17013R1

BALL,13/32" Dia

2шт.

4

1286416C1

FORK

- rear

1шт.

5

20122R1

PIN,1/4" x 1 1/2", Coiled

1шт.

6

19885R1

PIN,1/4" x 1 3/8", Coiled

1шт.

7

148501C1

RING, SNAP

RING - retaining

2шт.

8

1286415C1

RAIL

- range shift fork

1шт.

9

1286423C1

BUSHING

- range shift pin

2шт.

10

1286421C1

ARM

- range shift, inner

2шт.

11

1286444C2

STRIP

PLATE - retainer

1шт.

12

1286419C1

PLATE, LOCKING

PLATE - interlock, range

1шт.

13

19605R1

LOCK NUT,1/2"-13, GB

NUT - lock, 1/2 inch NC, grade 5

2шт.

13

131-208

SPECIAL NUT,1/2"-13

NUT - lock, 1/2 inch NC (Optional to 19605R1)

2шт.

14

21018R1

WASHER

- flat, 0.781 x 1.5 x 0.027 inch

1шт.

15

21018R1

WASHER

- flat, 0.781 x 1.5 x 0.027 inch

1шт.

15

16066R1

WASHER

- flat, 0.781 x 1.5 x 0.054 inch

1шт.

16

359955R91

BEARING, NEEDLE,Needle, 19.04mm ID x 25.4mm OD x 15.76mm W

BEARING - needle

4шт.

17

65457C1

SEAL,19.04mm ID x 25.5mm OD x 3.17mm Thk

- oil

2шт.

18

21018R1

WASHER

- flat, 0.781 x 1.5 x 0.027 inch

1шт.

19

1289946C2

ARM

- range shift, outer front

1шт.

20

1289948C1

ARM

- range shift, outer rear

1шт.

Выбрано товаров: 0