Запчасти Case IH 885 (1-020) - PICTORIAL INDEX, AUXILIARY VALVES AND PIPING, WITHOUT CAB (00) - PICTORIAL INDEX

Схема запчастей Case IH 885 - (1-020) - PICTORIAL INDEX, AUXILIARY VALVES AND PIPING, WITHOUT CAB (00) - PICTORIAL INDEX
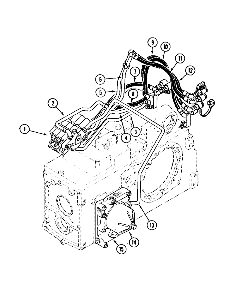
1
7
2
9
11
12
3
4
10
14
8
15
13
6
5
FIT
1:1
100%

Артикул

Название

Примечание

Количество

1

VALVE - control, double acting (P.I.N. 18001 and after), Pages 8-391, 395, 397, 399, 405

1шт.

1

VALVE - control, open center (Prior to P.I.N. 18001), Pages 8-383, 387, 389

1шт.

2

TUBE - auxiliary vlave return (P.I.N. 18001 and after), Page 8-391

1шт.

2

TUBE - auxiliary valve return (Prior to P.I.N. 18001), Page 8-385

1шт.

3

TUBE - raise, 1st bank front outlet (P.I.N. 18001 and after), Page 8-397

1шт.

3

TUBE - raise, 1st bank front outlet (Prior to P.I.N. 18001), Page 8-383

1шт.

4

TUBE - lower, 1st bank rear outlet (P.I.N. 18001 and after), Page 8-397

1шт.

4

TUBE - lower, 1st bank rear outlet (Prior to P.I.N. 18001), Page 8-383

1шт.

5

TUBE - raise, 2nd bank front outlet (P.I.N. 18001 and after), Page 8-397

1шт.

5

TUBE - raise, 2nd bank front outlet (Prior to P.I.N. 18001), Page 8-387

1шт.

6

TUBE - lower, 2nd bank rear outlet (P.I.N. 18001 and after), Page 8-397

1шт.

6

TUBE - lower, 2nd bank rear outlet (Prior to P.I.N. 18001), Page 8-387

1шт.

7

HOSE - 3rd bank rear outlet (P.I.N. 18001 and after), Page 8-399

1шт.

8

HOSE - 3rd bank front outlet (P.I.N. 18001 and after), Page 8-399

1шт.

9

HOSE - 1st bank front outlet to coupling (P.I.N. 18001 and after), Page 8-397

1шт.

9

HOSE - 1st bank front outlet to coupling, (Prior to P.I.N. 18001), Page 8-385

1шт.

10

HOSE - 1st bank rear outlet to coupling (P.I.N. 18001 and after), Page 8-397

1шт.

10

HOSE - 1st bank rear outlet to coupling (Prior to P.I.N. 18001), Page 8-385

1шт.

11

HOSE - 2nd bank front outlet to coupling (P.I.N. 18001 and after), Page 8-397

1шт.

11

HOSE - 2nd bank front outlet to coupling (Prior to P.I.N. 18001), Page 8-387

1шт.

12

HOSE - 2nd bank rear outlet to coupling (P.I.N. 18001 and after), Page 8-397

1шт.

12

HOSE - 2nd bank rear outlet to coupling (Prior to P.I.N. 18001), Page 8-387

1шт.

13

TUBE - multiple control valve by-pass, Page 8-369

1шт.

14

FILTER - oil, hydraulic, Page 8-361

1шт.

15

VALVE - multiple control, Pages 8-367, 371

1шт.

Выбрано товаров: 25