Запчасти Case IH 885 (7-344) - BRAKE CYLINDER (07) - BRAKES

Схема запчастей Case IH 885 - (7-344) - BRAKE CYLINDER (07) - BRAKES
15
7
12
13
2
6
14
10
16
1
9
3
5
11
4
8
FIT
1:1
100%

Артикул

Название

Примечание

Количество

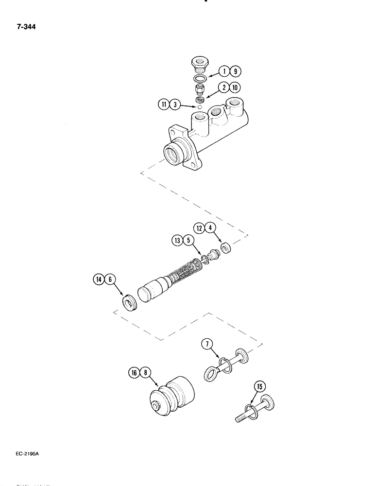
1287843C91

MASTER CYLINDER

CYLINDER brake master, without cab, Includes: master cylinder seals service kit and Ref. 1 thru 8

2шт.

1288228C1

REPAIR KIT

KIT - service, master cylinder seals, without cab, Includes: Ref. 1 thru 7

1шт.

1

NSS

NOT SOLD SEPARAT

GASKET

1шт.

2

NSS

NOT SOLD SEPARAT

SEAL - flow valve

1шт.

3

NSS

NOT SOLD SEPARAT

BALL

1шт.

4

NSS

NOT SOLD SEPARAT

SEAL - valve

1шт.

5

NSS

NOT SOLD SEPARAT

WASHER - spring

1шт.

6

NSS

NOT SOLD SEPARAT

SEAL - gland

1шт.

7

NSS

NOT SOLD SEPARAT

CIRCLIP

1шт.

8

1288242C1

BELLOWS

BOOT - dust, brake cylinder, without cab

1шт.

1287734C91

MASTER CYLINDER

CYLINDER - brake master, with cab, Includes: master cylinder seals service kit and Ref. 9 thru 16

1шт.

1288229C1

KIT

KIT - service, master cylinder seals, with cab, Includes: Ref. 9 thru 15

1шт.

9

NSS

NOT SOLD SEPARAT

GASKET

1шт.

10

NSS

NOT SOLD SEPARAT

SEAL - flow valve

1шт.

11

NSS

NOT SOLD SEPARAT

BALL

1шт.

12

NSS

NOT SOLD SEPARAT

SEAL - valve

1шт.

13

NSS

NOT SOLD SEPARAT

WASHER - spring

1шт.

14

NSS

NOT SOLD SEPARAT

SEAL - gland

1шт.

15

NSS

NOT SOLD SEPARAT

CIRCLIP

1шт.

16

85109C1

BELLOWS

COVER - dust, with cab

1шт.

Выбрано товаров: 20