Запчасти Case IH 885 (9-512) - SEAT SUSPENSION UNIT, BOSTROM, WITHOUT CAB (09) - CHASSIS/ATTACHMENTS

Схема запчастей Case IH 885 - (9-512) - SEAT SUSPENSION UNIT, BOSTROM, WITHOUT CAB (09) - CHASSIS/ATTACHMENTS
31
19
15
8
29
9
14
16
3
24
4
1
12
6
11
28
13
27
21
23
25
5
22
16
20
2
5
9
7
26
18
15
30
11
10
17
32
FIT
1:1
100%

Артикул

Название

Примечание

Количество

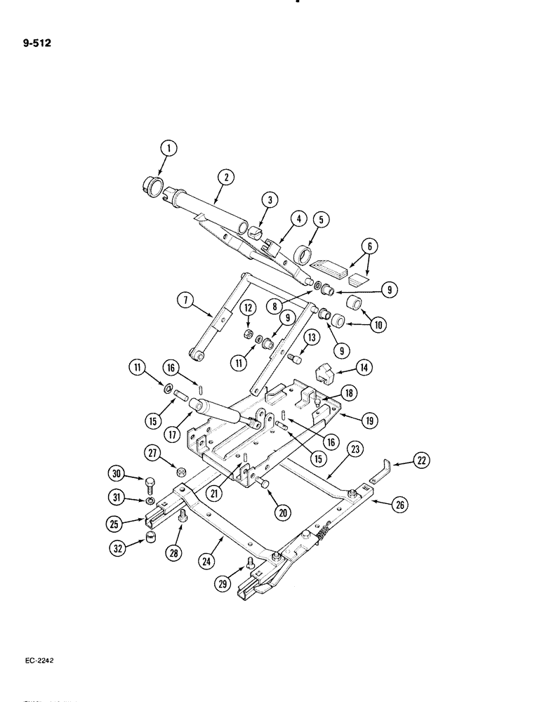
3121421R92

SEAT

- deluxe suspension, PVC, See Figure 9-510, Includes: Ref. 1 - 32 and slotted spring pin

1шт.

1

3123316R1

BUSHING

BEARING

1шт.

2

3123315R1

LEVER

- center

1шт.

3

3220529R1

RETAINER

1шт.

4

3220519R1

STOP

- limit

2шт.

5

3109331R1

FLANGED BEARING

BEARING

1шт.

6

3129922R1

BAR

- torsion (Set of 5)

1шт.

7

3220517R1

ARM

LEVER - outer

1шт.

8

538565R1

WASHER

4шт.

9

3123319R1

BUSHING

BEARING

4шт.

10

3123320R1

ROLLER BEARING

4шт.

11

934309R1

LOCK WASHER,M8

WASHER - lock, M8

4шт.

12

829-1308

NUT,M8, Cl 10

2шт.

13

3123321R1

PIVOT PIN

PIN - pivot

2шт.

14

3220516R1

STOP

BUMPER - rubber

1шт.

15

538578R1

PIN

- damper

2шт.

16

538579R1

PIN, ROLL

PIN - roll

2шт.

17

3123329R1

SHOCK ABSORBER

DAMPER - complete

1шт.

18

3123308R1

BUMPER

BUTTON - bumper

2шт.

19

3220524R1

PLATE

- base

1шт.

20

3123318R1

PIVOT PIN

PIN - pivot

2шт.

21

3125165R1

PIN, ROLL

PIN - roll, 3 mm

2шт.

22

3123376R1

BRACKET

- stop

1шт.

23

3123306R1

BRACKET

STRAP - mounting, rear

1шт.

24

3123305R1

BRACKET

STRAP - mounting, front

1шт.

25

3123304R1

RAIL

- slide, right, free

1шт.

26

3123303R1

RAIL

- slide, left, adjustable

1шт.

27

43362

NUT,M8 x 1.25, Cl 10

- lock, M8

4шт.

28

30001R1

BOLT,Hex, M8 x 1.25 x 16mm, Cl 10.9, Full Thd

- hex, M8 x 16 mm, class 10.9

2шт.

29

931237R1

HEX SOC SCREW,Flat Hd, CSK, M8 x 20mm, Cl 8.8

- countersunk, hex socket, M8 x 20 mm, class 8.8

4шт.

30

3123563R1

SCREW

- fillister, cross recess, 5/16 x 1-1/2 inch

4шт.

31

3123564R1

LOCK WASHER

WASHER - lock, 5/16 inch

4шт.

32

3123562R1

SPACER

- seat

4шт.

17084R1

LOCK PIN,1/8" x 1 1/4", Slotted

PIN, , Not illustrated 1/8" x 1 1/4", Slotted

2шт.

Выбрано товаров: 34