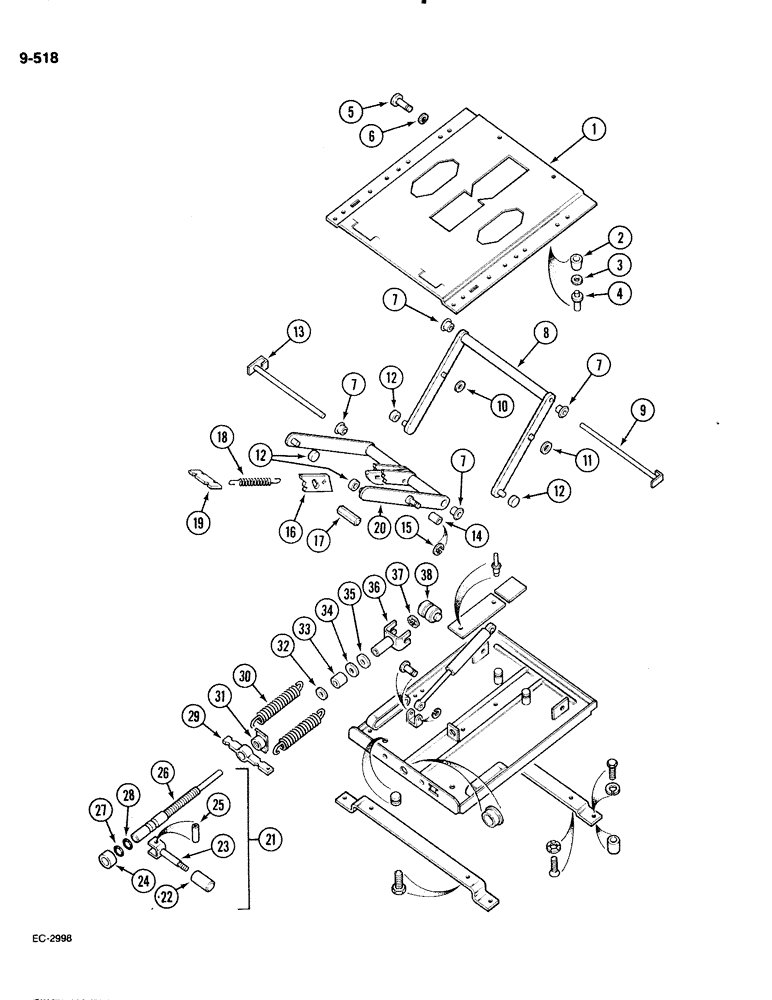
Запчасти Case IH 885 (9-518) - SEAT SUSPENSION UNIT, GRAMMER, PRIOR TO P.I.N. 18001 (09) - CHASSIS/ATTACHMENTS

Схема запчастей Case IH 885 - (9-518) - SEAT SUSPENSION UNIT, GRAMMER, PRIOR TO P.I.N. 18001 (09) - CHASSIS/ATTACHMENTS
30
18
10
3
14
32
36
22
24
13
12
31
5
11
20
38
4
26
8
1
27
19
28
6
9
16
29
7
21
35
15
7
37
25
17
7
34
2
33
12
12
23
7
FIT
1:1
100%

Артикул

Название

Примечание

Количество

3121423R92

SEAT

suspension, PVC, See Figure 9-516, Includes: Ref. 1 thru 38 in this figure and parts in Figure 9-520

1шт.

1

3125991R91

SEAT CARRIER

PLATE - suspension, upper, Includes: Ref. 2 thru 6

1шт.

2

3229885R1

STOP

PAD - rubber

2шт.

3

3129000R1

WASHER

2шт.

4

3125993R1

RETAINER

PIN

2шт.

5

3225345R1

BOLT,Hex

PIN - headed (Shock absorber retaining)

1шт.

6

30338R1

CIRCLIP,M5

RING - retaining, external, 3.34 mm

1шт.

7

3225373R1

BUSHING

4шт.

8

3125780R1

FRAME

- outside scissors

1шт.

9

3225304R1

PIN

- upper

1шт.

10

3225365R1

WASHER

2шт.

11

905174R1

WASHER,M13

- flat, 13 mm

2шт.

12

3225310R1

ROLLER

4шт.

13

3225305R1

PIN

- lower

1шт.

14

3225360R1

BUSHING

2шт.

15

934901R1

E-RING,M10

RING - retaining, external, 7.63 mm

2шт.

16

3225303R1

RATCHET

CAM - height adjustment

2шт.

17

3225320R1

PIN

- roll

1шт.

18

3225307R1

SPRING

2шт.

19

3225306R1

RETAINER

- spring

1шт.

20

3125781R1

FRAME

- inside scissors

1шт.

21

3225295R91

SPINDLE

- adjustable, complete, Includes: Ref. 22 thru 28

1шт.

22

3223481R1

HANDLE

- adjusting rod

1шт.

23

3223482R1

FORK

ROD - adjusting

1шт.

24

3225348R1

STOP

- rubber

1шт.

25

934903R1

GROOVED PIN,M5 x 28

PIN - grooved, 5 x 28 mm

1шт.

26

3225294R1

PIN

SPINDLE - pin

1шт.

27

3225324R1

O-RING

- rubber (Black)

1шт.

28

3225323R1

O-RING

- rubber (Red)

1шт.

29

3125778R1

RETAINER

- spring

1шт.

30

3125779R1

SPRING

2шт.

31

3225317R1

NUT,Weld, M12

- special, includes plate

1шт.

32

934673R1

WASHER,M8.4 x 25 x 2

- plain, 8 mm

1шт.

33

3225318R1

BEARING, BALL

BEARING - needle

1шт.

34

3225319R1

WASHER

1шт.

35

3225298R1

RUBBER WASHER

- rubber

1шт.

36

3225302R1

FORK

1шт.

37

30338R1

CIRCLIP,M5

RING - retaining, external, 3.34 mm

1шт.

38

3225301R1

NEEDLE BEARING

- treble

1шт.

Выбрано товаров: 39