Запчасти Case IH 885 (2-046) - CYLINDER BLOCK AND RELATED PARTS (CONTD) (02) - ENGINE

Схема запчастей Case IH 885 - (2-046) - CYLINDER BLOCK AND RELATED PARTS (CONTD) (02) - ENGINE
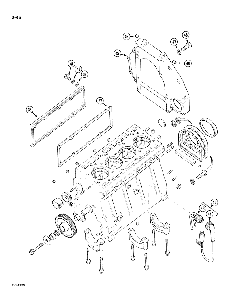
39
40
44
42
47
46
45
37
46
38
44
48
41
FIT
1:1
100%

Артикул

Название

Примечание

Количество

37

3055393R4

GASKET,1.5mm Thk

- side cover, See Figure 2-066

1шт.

38

3132155R2

COVER

- cylinder block side

1шт.

39

3055574R1

WASHER,8.5mm ID x 19mm OD x 2.5mm Thk

- flat, 5/16 inch

10шт.

40

3050129R1

LOCK WASHER

WASHER - lock, 5/16 inch

10шт.

41

179814

SPACER

- hex, 5/16 NC x 5/8 inch, grade 5

10шт.

42

130085C91

PACKAGE

KIT - engine heater, Includes: Ref. 43 and 44

1шт.

43

130075C1

HEATER ASSY.

HEATER - engine

1шт.

44

71150C1

CABLE

WIRE - engine heater

1шт.

45

3218638R92

PLATE ASSY.

HOUSING - flywheel, Includes: Ref. 46

1шт.

46

3136060R2

BUSHING

2шт.

47

3050128R1

LOCK WASHER

- Lock

4шт.

48

179885

BOLT,Hex, 1/2" - 13 x 1 1/2", Gr 5

4шт.

Выбрано товаров: 12