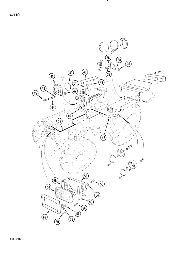
Запчасти Case IH 885 (4-110) - LIGHTING AND CONNECTIONS, WITHOUT CAB, FLAT TOP FENDERS (CONTD) (04) - ELECTRICAL SYSTEMS

Схема запчастей Case IH 885 - (4-110) - LIGHTING AND CONNECTIONS, WITHOUT CAB, FLAT TOP FENDERS (CONTD) (04) - ELECTRICAL SYSTEMS
54
60
59
57
36
51
45
39
37
38
47
44
49
58
46
50
42
56
41
56
53
43
48
55
62
52
40
61
FIT
1:1
100%

Артикул

Название

Примечание

Количество

36

401471R1

POST

- combination light

1шт.

37

180118

BOLT,Hex, 3/8" - 16 x 5/8", Gr 5

- hex, 3/8 NC x 5/8 inch, grade 5

3шт.

38

120382

LOCK WASHER,Helical Spring, 3/8"

WASHER, LOCK, 3/8"

3шт.

39

120377

NUT,3/8" - 16, Gr 5

3шт.

40

A42294

SEALED BEAM UNIT

LAMP - flood, sealed beam, Replaces: 390756R91

2шт.

41

3121674R1

HOUSING

- headlight unit

2шт.

42

537014R1

INSERT

- headlight housing

8шт.

43

528533R1

SPRING

- mounting

8шт.

44

21870R1

WASHER

- plain, 0.266 x 0.750 x 0.054 inch

8шт.

45

436740

SCREW,Slotted Pan Hd, #10-24 x 2"

- pan head slotted, No. 10 x 2 inch

8шт.

46

3123680R3

HARNESS

fender, right

1шт.

46

1536337C1

HARNESS

wire, right hand

1шт.

47

3123679R3

HARNESS

fender, left

1шт.

47

1536336C1

HARNESS

wire, left hand

1шт.

48

3123182R2

CABLE SHEATH

CONDUIT - fender, right, without ROPS

1шт.

48

3123179R1

CABLE SHEATH

CONDUIT - fender, left, without ROPS

1шт.

49

24388R1

SELF-TAP SCREW,Cross Pan Hd, #10 x 3/8"

SCREW, SELF TAPPING, Cross Pan Hd, #10 x 3/8"

4шт.

50

1280346C2

CONDUIT

CHANNEL - convolute conduit, with ROPS

1шт.

51

362120R1

CLAMP,9.53mm ID, 10.32mm Bolt Hole, P Type

CLIP - harness, with ROPS

6шт.

52

1500563C95

HARNESS

- main, without oil pressure gauge and ammeter

1шт.

52

1332880C1

HARNESS

- main, with oil pressure gauge and ammeter

1шт.

53

K304824

SUPPORT

HOUSING - headlight

2шт.

54

K617503

NUT

- nylon

4шт.

55

K603641

SCREW

- adjusting

4шт.

56

K304832

MOLDING

- rubber

4шт.

57

A139458

LAMP

- head, vertical low, Replaces: K300280

2шт.

58

K658240

SPRING

- Lamp retaining

4шт.

59

94353C1

BRACKET

- spring

4шт.

60

99997C1

SELF-TAP SCREW,Cross Pan Hd, #10-24 x 3/4"

SCREW - pan, No. 10 x 3/4 inch, Polyseal

4шт.

61

26303R1

HARDWARE,#10-24

NUT - hex, No. 10

4шт.

62

K304831

RUBBER INSULATOR

SHROUD - headlight, lined with adhesive foam, Serial Range: -18001

2шт.

62

99791C2

GUARD

SHROUD - headlight, lined with adhesive foam, Start Serial: 18001

2шт.

Выбрано товаров: 32