Запчасти Case IH 885 (4-116) - CHASSIS WIRING AND SWITCHES, WITH CAB (04) - ELECTRICAL SYSTEMS

Схема запчастей Case IH 885 - (4-116) - CHASSIS WIRING AND SWITCHES, WITH CAB (04) - ELECTRICAL SYSTEMS
23
2
5
25
23
20
13
27
33
17
22
15
32
7
35
34
8
9
10
19
1
31
16
36
12
11
29
18
6
26
14
4
3
24
28
30
21
FIT
1:1
100%

Артикул

Название

Примечание

Количество

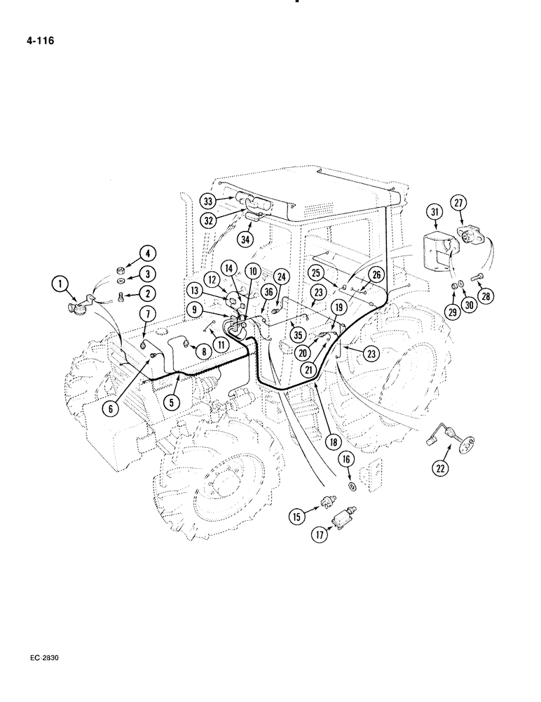
1

1536115C1

HORN

Replaces: 3121205R91

1шт.

2

413-412

BOLT,Hex, 1/4" - 20 x 3/4", Gr 5

2шт.

3

120392

WASHER,1/4", SAE

- plain, 0.281 x 0.625 x 0.051 inch

2шт.

4

3119440R1

LOCK NUT

- self-locking, 1/4 inch NC

2шт.

5

92109C2

HARNESS

- front, 25A in-line fuse, Serial Range: -22025

1шт.

5

92348C1

HARNESS

- front, 30A circuit breaker, Start Serial: 22025

1шт.

6

3224405R91

RESTRICTION SWITCH

SWITCH - air cleaner restriction indicator

1шт.

7

3127956R1

TEMPERATURE SENDER

TRANSMITTER - water temperature, Icknield

1шт.

8

91450C1

SWITCH, PRESSURE

SWITCH - engine oil pressure

1шт.

9

3399527R2

CONNECTOR, ELEC

CONNECTOR - bulkhead, See Figure 4-126

1шт.

10

403069R1

CIRCUIT-BREAKER,30A

BREAKER - circuit, 30 amp, See Figure 4-126

1шт.

11

1500152C1

CABLE ASSY.

CABLE - earth, Serial Range: cab-skid

1шт.

12

91850C4

HARNESS

- instrument panel

1шт.

13

NSS

NOT SOLD SEPARAT

BLOCK - fuse, See Figure 4-126

1шт.

14

NSS

NOT SOLD SEPARAT

BLOCK - mounting, relay, See Figure 4-126

1шт.

15

3114409R92

NEUTRAL START SWITCH

SWITCH - plunger, neutral starting, without 2 sps

1шт.

16

Q3476

WASHER

- flat, 0.594 x 0.938 x 0.21 inch

1шт.

17

3114409R92

NEUTRAL START SWITCH

SWITCH - plunger, neutral starting, without 2SPS, use mounting bracket 3129802R1, See Figure 6-214

1шт.

17

1964885C2

SWITCH

- plunger, fine thread, four prong, 2SPS neutral starting, use mounting bracket 1970883C1, See Figure 6-214

1шт.

17

83907C2

SWITCH

- plunger, coarse thread, four prong, 2SPS neutral starting, use mounting bracket 3129802R1, See Figure 6-214

1шт.

18

245662C5

HARNESS

- cab, Serial Range: -22025

1шт.

18

1328852C2

HARNESS

- cab, Start Serial: 22025

1шт.

19

1500156C2

CABLE - flying lead, park brake switch

1шт.

20

92161C2

PARK BRAKE SWITCH

SWITCH - plunger, handbrake warning

1шт.

21

1500157C1

CABLE

- flying lead, park brake ground

1шт.

22

1500494C91

FUEL GAUGE

TRANSMITTER - sender, fuel level, See Figure 3-100

1шт.

23

1500495C1

HARNESS

- diff lock/fuel tank sender

1шт.

24

3147137R1

SWITCH

SWITCH - differential lock

1шт.

25

91919C3

HARNESS

- 7 pin socket

1шт.

26

92114C1

CABLE

- flying lead, 7 pin socket

1шт.

27

121645C1

MULTIPOLE CONNECTOR,7 Pin

CONNECTOR - 7 Pin

1шт.

28

931417R1

BOLT,Hex, M6 x 1 x 25mm, Cl 8.8, Full Thd

2шт.

29

30208R1

NUT,M6, Cl 10

- hex, 6 mm, class 10

2шт.

30

933833R1

LOCK WASHER,M6

WASHER - lock, 6 mm

2шт.

31

98052C1

SUPPORT ASSY.

SUPPORT - 7 pin socket

1шт.

32

245493C4

WIRE HARNESS

HARNESS air conditioning

1шт.

32

1987425C1

HARNESS

wire, new

1шт.

33

1280294C92

HEATER

BLOWER - H.V.A.C., See Figure 9-498

1шт.

34

3401302R93

WIPER MOTOR

MOTOR - windshield wiper, See Figure 9-506

1шт.

35

82634C1

CABLE

- 4 wheel drive solenoid, See Figure 4-130

1шт.

36

92118C1

CABLE

- 4WD solenoid to bulkhead, See Figure 4-130

1шт.

5322297C1

SENSOR tachometer, new, Hall, used with digital dash

1шт.

1537128C1

ADAPTER

tachometer, new, used with sensor for new digital dash

1шт.

1537129C1

EXTENSION

ASSEMBLY tachometer, new, used with sensor with digital dash

1шт.

1536980C1

SUPPORT

MOUNTING sensor, ground speed, tachometer, new

1шт.

1536981C1

SENSOR

ground speed, tachometer, new

1шт.

Выбрано товаров: 46