Запчасти Case IH 885 (08-042) - STARTER MOTOR -BOSCH- (06) - ELECTRICAL

Схема запчастей Case IH 885 - (08-042) - STARTER MOTOR -BOSCH- (06) - ELECTRICAL
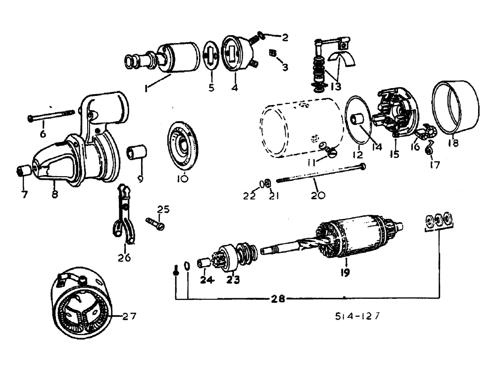
11
12
9
24
25
5
14
8
27
20
17
6
7
22
1
23
19
15
26
4
13
16
3
28
18
10
2
21
FIT
1:1
100%

Артикул

Название

Примечание

Количество

529965R91

STARTER MOTOR

BOSCH - 4PS

1шт.

1

3113013R91

RELAY

ASSY

1шт.

2

NSS

NOT SOLD SEPARAT

WASHER, RELAY COVER

2шт.

3

3132763R1

TERMINAL CONNECTOR

PLATE, RELAY COVER

4шт.

4

NSS

NOT SOLD SEPARAT

COVER, RELAY, INCLUDES: SCREW, NUTS AND WASHERS

1шт.

931342R1

SCREW,Slotted Cheese, M4 x 0.7 x 6mm, Cl 8.8

RELAY COVER

1шт.

100016

NUT,M10 x 1.5, Cl 8

Relay Cover

2шт.

934075R1

LOCK WASHER,M10

Relay Cover

2шт.

5

NSS

NOT SOLD SEPARAT

RING, PACKING RELAY COVER

1шт.

6

931100R1

SCREW,M6 x 50mm, Cl 4.8

DRIVE END

2шт.

7

3113008R1

BUSHING

BEARING

1шт.

8

3113007R91

DRIVE ASSY.

END

1шт.

9

3132441R1

BUSHING

BEARING

1шт.

10

3132440R1

SUPPORT

INTERMEDIATE

1шт.

11

3078334R1

SCREW

RETAINER COIL BODY

4шт.

12

3132450R1

O-RING

COMMUTATOR END

1шт.

13

3132464R91

TERMINAL CONNECTOR

SET, TERMINAL PARTS

1шт.

14

3132446R1

BUSHING

BEARING COMMUTATOR END

1шт.

15

3113011R91

FRAME ASSY

COMMUTATOR END

1шт.

16

3078754R91

COMMUTATOR BRUSH

CARBON SET

1шт.

17

3132448R1

VALVE SPRING

CARBON BRUSH

2шт.

18

3132449R1

COVER

END

1шт.

19

3132444R1

X

ARMATURE ASSY, ROTATING

1шт.

20

3132759R1

BOLT

PIN, THREADED HOUSING, INCLUDES: WASHER LOCK

1шт.

933987R1

LOCK WASHER,M6

1шт.

21

3113009R1

WASHER

1шт.

22

3132760R1

BUSHING

RING, PACKING

1шт.

23

3113010R91

DRIVE

ASSY

1шт.

24

3132443R1

BUSHING

1шт.

25

3132758R1

SCREW

ENGAGING LEVER

1шт.

26

3132432R1

LEVER

ENGAGING, INCLUDES: WASHER LOCK, AND NUT, HEX

1шт.

933983R1

LOCK WASHER,M6

1шт.

43362

NUT,M8 x 1.25, Cl 10

1шт.

27

3078072R91

KIT

COIL, MAIN FIELD -COILS 1 TO 4

1шт.

28

3132465R91

PACKAGE

SET, ROTATING ARMATURE PARTS

1шт.

Выбрано товаров: 0