Запчасти Case IH 895 (6-004) - CLUTCH HOUSING (06) - POWER TRAIN

Схема запчастей Case IH 895 - (6-004) - CLUTCH HOUSING (06) - POWER TRAIN
18
19
7
8
10
3
25
6
24
23
25
19
1
16
4
12
20
2
21
13
14
2
11
13
12
5
2
6
17
11
FIT
1:1
100%

Артикул

Название

Примечание

Количество

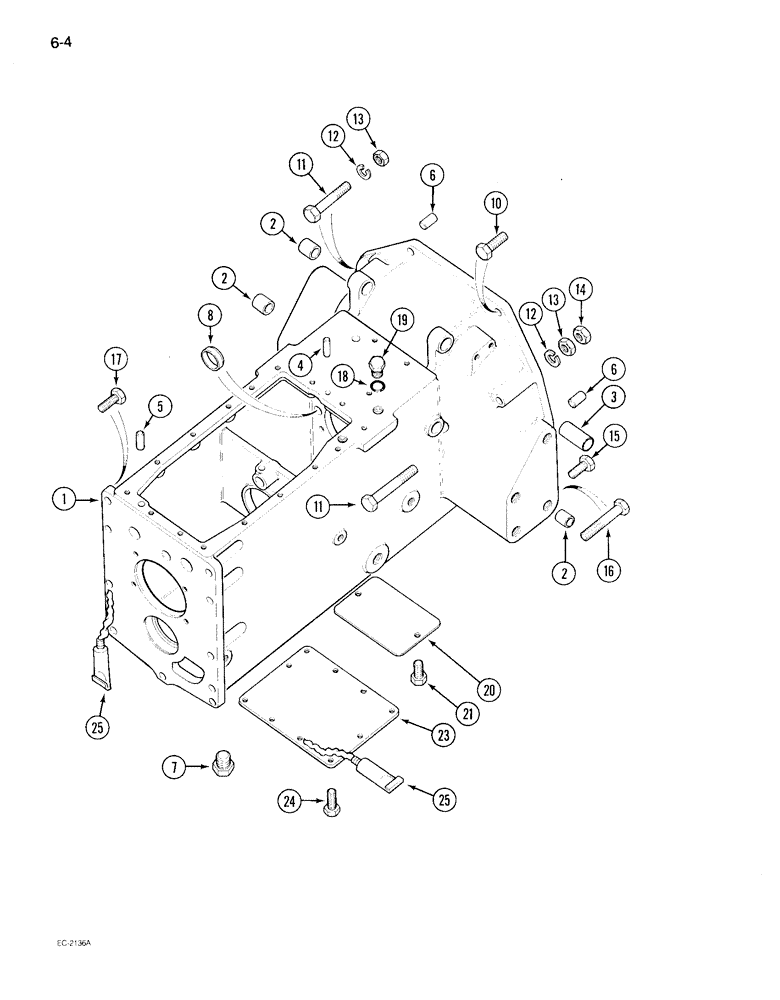
1

94294C92

HOUSING

ASSEMBLY - clutch (Without creeper attachment)

1шт.

1

1343325C1

HOUSING

ASSEMBLY - clutch (With creeper attachment)

1шт.

2

530815R1

BUSHING,22.27mm ID x 25.46mm OD x 22.23mm L

- clutch and brake shaft

3шт.

3

539834R1

BUSHING,22.35mm ID x 25.47mm OD x 68.07mm L

- left brake pedal pivot

1шт.

4

19962R1

DOWEL,3/8" x 3/4"

PIN - dowel, 3/8 x 3/4 inch

1шт.

5

20556R1

DOWEL,1/2" x 3/4"

PIN - dowel, 1/2 x 3/4 inch

1шт.

6

19904R1

DOWEL,1/2" x 1"

PIN - dowel, 1/2 x 1 inch

2шт.

7

444836

PLUG,Hex Hd, 3/4"-14

- hex, 3/4 inch PT

1шт.

7

3113103R1

PLUG

- hex, 3/4 inch PT, Serial Range: (Optional-444836)

1шт.

8

327411R1

PLUG,Cup, 5/8"

- cup, 5/8 inch (Order 347822R1)

1шт.

10

13-852

BOLT,Hex, 1/2" - 13 x 3-1/4", Gr 5

2шт.

11

13-896

BOLT,Hex, 1/2" - 13 x 6", Gr 5

2шт.

12

92-11050

LOCK WASHER,1/2"

WASHER, LOCK, 1/2"

2шт.

13

425-108

NUT,1/2" - 13, Gr 5

NUT, , Hex 1/2"-13, G5

2шт.

14

25-148

JAM NUT,Jam, 1/2"-13, G5

- hex jam, 1/2 inch NC

1шт.

15

413-828

BOLT,Hex, 1/2" - 13 x 1-3/4", Gr 5

(Thru spacer to clutch housing) Hex, 1/2"-13 x 1 3/4", G5

4шт.

16

13-856

BOLT,Hex, 1/2" - 13 x 3-1/2", Gr 5

(Thru pan and spacer to clutch housing) Hex, 1/2"-13 x 3 1/2", G5

2шт.

17

26-824

BOLT,Hex, 1/2" - 13 x 1-1/2", Gr 8

9шт.

18

237-6008

O-RING,0.087" Thk x 0.644" ID, -908, Cl 6, 90 Duro

8-1, 90 Duro, .644" ID x .087" Thk

1шт.

19

9410359

PLUG

- hex, 3/4-16 inch O-ring boss

1шт.

20

399817R1

COVER

- clutch compartment

1шт.

21

13-610

BOLT,Hex, 3/8" - 16 x 5/8", Gr 5, Full Thd

2шт.

23

1536388C1

COVER

- clutch housing bottom rear (Without pressure regulator valve)

1шт.

23

83013C2

LARGE PLATE

PLATE - core (With pressure regulator valve) (See Figures 8-14, 8-16, 8-18)

1шт.

24

13-612

BOLT,Hex, 3/8" - 16 x 3/4", Gr 5, Full Thd

Used with cover 1536388C1 Hex, 3/8"-16 x 3/4", G5, Full Thd

11шт.

25

B17501

LOCTITE

SEALANT - gasket maker No. 515, 6 ml tube

1шт.

Выбрано товаров: 26