Запчасти Case IH 895 (8-06) - OIL COOLER SYSTEM, TRACTOR WITH CAB (08) - HYDRAULICS

Схема запчастей Case IH 895 - (8-06) - OIL COOLER SYSTEM, TRACTOR WITH CAB (08) - HYDRAULICS
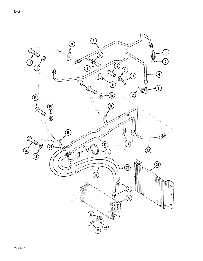
2
17
15
11
5
6
7
10
20
12
1
23
15
1
16
16
21
4
9
20
5
18
2
22
15
24
13
6
25
8
19
21
14
3
16
26
21
14
FIT
1:1
100%

Артикул

Название

Примечание

Количество

1

218-5106

90 ELBOW,90 Degree Elbow, 3/4" - 16 Male JIC x 3/4" - 16 Male ORB

- 90 degree, 3/4-16 inch flare x adj. O-ring boss

2шт.

2

237-6008

O-RING,0.087" Thk x 0.644" ID, -908, Cl 6, 90 Duro

8-1, 90 Duro, .644" ID x .087" Thk

2шт.

3

1500138C1

TUBE ASSY.,8 mm OD, 589.5, 138 mm Length

TUBE ASSEMBLY - oil cooler return, rear

1шт.

4

1281684C1

HYD TUBE

TUBE ASSEMBLY - oil cooler supply, rear

1шт.

5

3125239R1

COLLAR

CLAMP - hose, worm drive

2шт.

6

1500540C1

HOSE

- lubrication

1шт.

7

88117C1

PIPE,60 mm L

TUBE - lubricator inlet (See Fig. 6-8)

1шт.

8

1500148C1

CLAMP

- tube

1шт.

9

602836C1

CLAMP

- tube

1шт.

10

492-11038

LOCK WASHER,3/8"

1шт.

11

13-652

BOLT,Hex, 3/8" - 16 x 3-1/4", Gr 5

- hex, 3/8 NC x 3-1/4 inch

1шт.

12

99477C2

PIPE

TUBE ASSEMBLY - oil cooler return, front

1шт.

13

99476C2

PIPE

TUBE ASSEMBLY - oil cooler supply, front

1шт.

14

529644R11

CLAMP

ASSEMBLY - tube

1шт.

15

892-11006

LOCK WASHER,M6

WASHER, LOCK, M6

1шт.

16

13-410

BOLT,Hex, 1/4" - 20 x 5/8", Gr 5, Full Thd

1шт.

17

98937C1

SUPPORT

BRACKET ASSEMBLY - front

1шт.

18

529644R11

CLAMP

- tube

1шт.

19

533959R1

CABLE TIE,.135" x 11"

STRAP - cable

5шт.

19

22-824

CABLE TIE,3/16" x 7 1/4"

STRAP - tie, 7 inch long

1шт.

20

NSS

NOT SOLD SEPARAT

HOSE - oil cooler, 650 mm (Cut from 3125980RX)

2шт.

20

3125980RX

LARGE HOSE

HOSE - rubber, 1/2 inch ID, bulk length

1шт.

21

274085R91

HOSE CLAMP,#10, 0.56/1.06 Type F Worm

CLAMP - hose, No. 10, type F

4шт.

22

1536991C2

COOLER, OIL

COOLER - oil with air conditioning

1шт.

23

1536993C1

THUMB SCREW,Winged, 5/16" - 18 x 12.70mm

- thumb, 5/16 inch NC

4шт.

24

493-81008

LOCK WASHER,Int Tooth, 5/16"

WASHER - internal tooth lock, 5/16 inch

4шт.

25

495-11034

WASHER,5/16", SAE

5/16" SAE (flat, 11/32 x 11/16 x 1/16")

4шт.

26

1536379C2

COOLER, OIL

COOLER - oil,stud mounted without air conditioning

1шт.

Выбрано товаров: 28