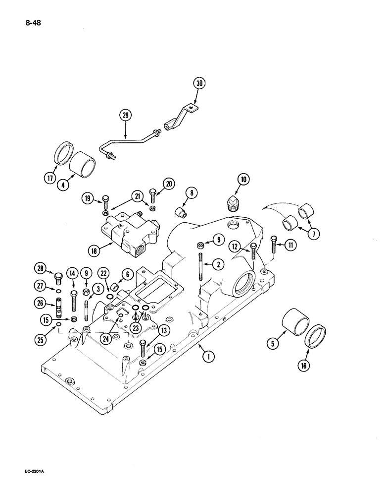
Запчасти Case IH 895 (8-48) - DRAFT CONTROL, HYDRAULIC HOUSING (08) - HYDRAULICS

Схема запчастей Case IH 895 - (8-48) - DRAFT CONTROL, HYDRAULIC HOUSING (08) - HYDRAULICS
12
2
26
5
9
15
30
13
27
6
18
20
15
10
1
29
11
14
28
21
23
22
9
25
3
7
8
16
17
4
19
24
FIT
1:1
100%

Артикул

Название

Примечание

Количество

1

406003R32

HOUSING ASSY.

HOUSING ASSEMBLY - hydraulic unit, Includes: Refs. 1 - 8

1шт.

2

531143R2

STUD

- top cover, long

2шт.

3

531144R1

STUD

- top cover, short

2шт.

4

399992R1

BUSHING

- rockshaft, right

1шт.

4

1500447C1

BUSHING

- rockshaft, right (Oversize)

1шт.

5

527749R1

BUSHING,63.52mm ID x 66.67mm OD x 50.8mm L

- rockshaft, left

1шт.

5

1500532C1

BUSHING

- rockshaft, left (Oversize)

1шт.

6

376011R1

BUSHING

- quadrant shaft

1шт.

7

273279R91

BUSHING

BEARING - sensing shaft

2шт.

8

399993R1

BUSHING

- eccentric shaft

1шт.

9

425-106

NUT,3/8"-16, Cl 5

4шт.

10

20953R1

DRAIN PLUG,Sq Hd, 1 1/4"-11 1/2 NPTF

PLUG - automotive square, 1-1/4 inch PT (Without breather) (See Fig. 6-36), Start Serial: JJE0011772

1шт.

10

1537543C1

ADAPTER

PLUG - automotive square, 1-1/4 inch PT (With breather) (See Fig. 6-36), Serial Range: -JJE0011772

1шт.

11

13-830

BOLT,Hex, 1/2" - 13 x 1-7/8", Gr 5

4шт.

12

413-826

BOLT,Hex, 1/2" - 13 x 1-5/8", Gr 5

- hex, 1/2 NC x 1-5/8 inch

2шт.

13

13-630

BOLT,Hex, 3/8" - 16 x 1-7/8", Gr 5

- hex, 3/8 NC x 1-7/8 inch

11шт.

14

13-644

BOLT,Hex, 3/8" - 16 x 2-3/4", Gr 5

- hex, 3/8 NC x 2-3/4 inch

2шт.

14

413-632

BOLT,Hex, 3/8" - 16 x 2", Gr 5

- hex, 3/8 NC x 2 inch

1шт.

15

92-11038

LOCK WASHER,3/8"

WASHER, LOCK, 3/8"

14шт.

16

380212R91

OIL SEAL

SEAL - oil rockshaft left (Order A58223)

1шт.

17

380770R91

OIL SEAL

SEAL - oil rockshaft, right

1шт.

18

59098C93

VALVE

ASSEMBLY - unloading and flow control (See Fig. 8-52)

1шт.

19

413-620

BOLT,Hex, 3/8" - 16 x 1-1/4", Gr 5

- hex, 3/8 NC x 1-1/4 inch

2шт.

20

13-636

BOLT,Hex, 3/8" - 16 x 2-1/4", Gr 5

2шт.

21

92-11038

LOCK WASHER,3/8"

WASHER, LOCK, 3/8"

4шт.

22

238-6115

O-RING,0.103" Thk x 0.674" ID, -115, Cl 6, 90 Duro

1шт.

23

238-6113

O-RING,0.103" Thk x 0.549" ID, -113, Cl 6, 90 Duro

2шт.

24

59099C1

O-RING,2.39mm Thk x 6.6mm ID

- sealing

1шт.

25

238-6110

O-RING,0.103" Thk x 0.362" ID, -110, Cl 6, 90 Duro

1шт.

26

400095R92

VALVE, CUSHION

VALVE ASSEMBLY - safety, 2500 psi

1шт.

27

237-6008

O-RING,0.087" Thk x 0.644" ID, -908, Cl 6, 90 Duro

8-1, 90 Duro, .644" ID x .087" Thk

1шт.

28

536855R1

PLUG

- O-ring boss, 3/4 inch NF

1шт.

29

1537329C1

PIPE

TUBE ASSEMBLY - brake bleed

1шт.

30

1537326C1

SUPPORT

BRACKET ASSEMBLY - bleed tube

1шт.

Выбрано товаров: 34