Запчасти Case IH 895 (8-58) - DRAFT CONTROL, EXTERNAL LEVERS AND LINKAGE, WITH CAB (08) - HYDRAULICS

Схема запчастей Case IH 895 - (8-58) - DRAFT CONTROL, EXTERNAL LEVERS AND LINKAGE, WITH CAB (08) - HYDRAULICS
16
10
3
28
5
9
15
8
34
28
29
6
35
18
34
1
34
22
17
34
21
24
21
21
23
36
6
25
24
14
5
26
25
2
6
23
20
3
34
4
13
24
19
11
12
34
38
5
3
8
27
37
FIT
1:1
100%

Артикул

Название

Примечание

Количество

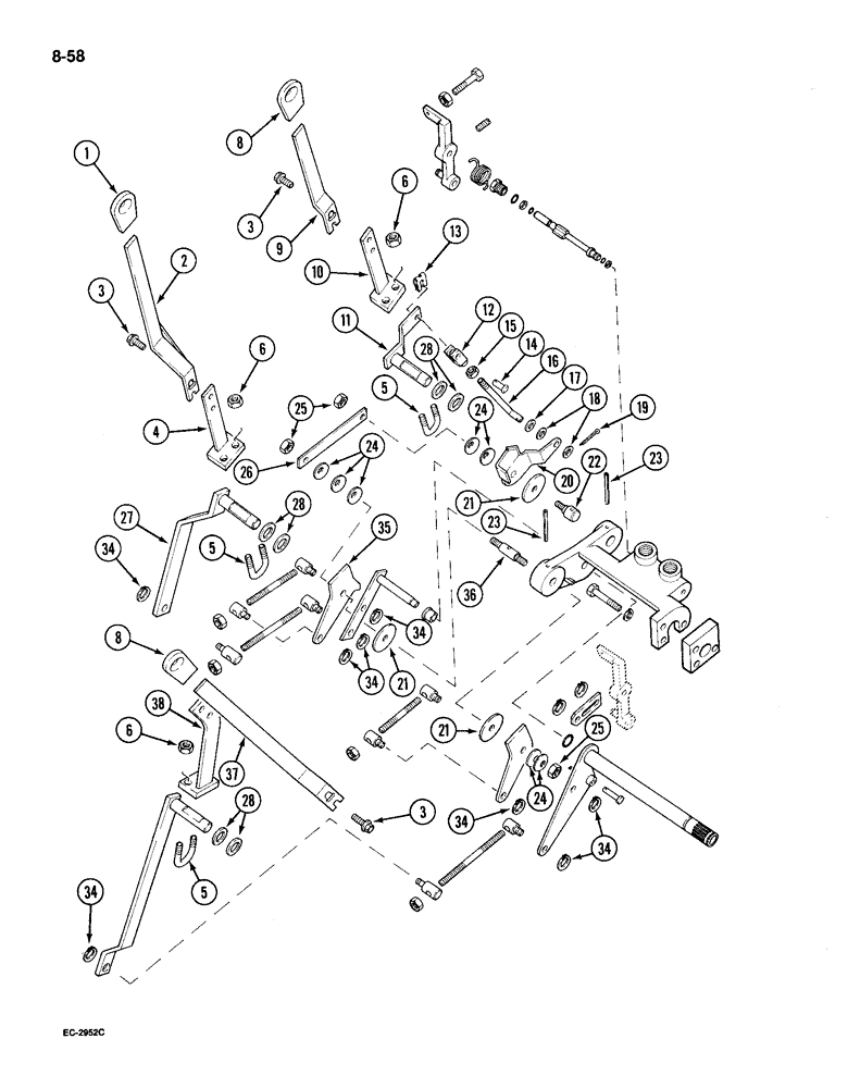
1

3129746R2

BUTTON

KNOB - control

1шт.

2

1500630C1

LEVER

- draft control upper

1шт.

3

80353C1

BOLT

- hex, 6 mm - 1.00 x 12 mm

6шт.

3

80354C1

BOLT

- hex, 6 mm - 1.00 x 12 mm (Optional to 80353 C1)

6шт.

4

3129749R1

LEVER ASSY.

LEVER - lower, draft control

1шт.

5

3129349R1

U-BOLT,M8 x 1.25 x 36.25mm

BOLT - U-type, 8 mm

3шт.

6

832-41308

NUT,M8 x 1.25, Cl 10

- hex, self-locking, 8 mm - 1.25, class 10

6шт.

8

3399915R2

BUTTON

KNOB - control

2шт.

9

3129763R1

LEVER

- raise response

1шт.

10

3129764R1

LEVER ASSY.

LEVER - lower, raise response

1шт.

11

3129751R1

LEVER ASSY.

SHAFT ASSEMBLY - raise response

1шт.

12

3234763R1

ADJUSTABLE CLEVIS,M6

CLEVIS - 6 mm x 24 mm

1шт.

13

3129997R1

CLIP

- clevis

1шт.

14

3129996R1

CLEVIS PIN

PIN - clevis

1шт.

15

829-1406

NUT,Hex, M6 x 1, Cl 10.9

1шт.

16

3129769R1

STEM

LINK - connecting, raise response

1шт.

17

3129768R1

WASHER

RING - self locking

1шт.

18

895-11006

WASHER,6.6mm ID x 12mm OD x 1.6mm Thk

2шт.

19

732-1612

COTTER PIN,M1.6 x 12

PIN - cotter, 1.6 x 12 mm

1шт.

20

3129765R1

LEVER

- bellcrank, raise response

1шт.

21

380421R2

FRICTION WASHER

WASHER - friction, sensitivity control

3шт.

22

527919R1

BOLT

BOLT - Flow lever pivot

1шт.

23

19716R1

PIN,4.75mm OD x 44.45mm L, Coiled

2шт.

24

536847R1

BELLEVILLE WASHER

WASHER - belleville

7шт.

25

231-1446

NUT,3/8" - 16, Gr 5

NUT, LOCK, 3/8"-16, GB

3шт.

26

536849R1

PLATE

- outer retaining

1шт.

27

3129752R1

SHAFT ASSY.

SHAFT ASSEMBLY - pivot

1шт.

28

3129414R1

SPACER

- pivot shaft

1шт.

34

204502R1

SNAP RING,#43, Ext

8шт.

35

3118009R1

LEVER

- draft control

1шт.

36

400081R1

BOLT,3/8" - 16 x 72.90mm, HT

- Hitch control lever pivot

1шт.

37

3129733R1

LEVER

- position control

1шт.

38

3129735R1

LEVER ASSY.

LEVER - lower, position control

1шт.

Выбрано товаров: 33