Запчасти Case IH 995 (1-10[1]) - PICTORIAL INDEX, MAIN HYDRAULICS, TRACTOR WITHOUT CAB (00) - PICTORIAL INDEX

Схема запчастей Case IH 995 - (1-10[1]) - PICTORIAL INDEX, MAIN HYDRAULICS, TRACTOR WITHOUT CAB (00) - PICTORIAL INDEX
5
6
11
3
8
7
10
9
1
4
FIT
1:1
100%

Артикул

Название

Примечание

Количество

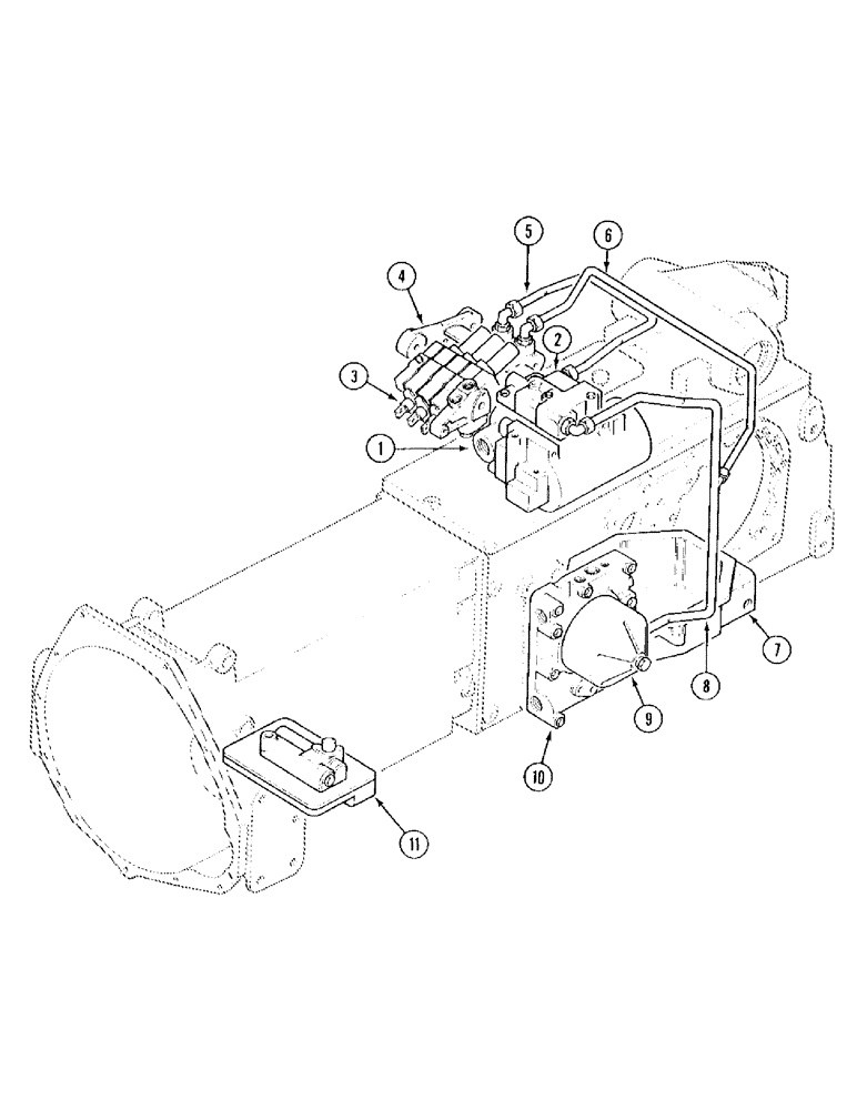
1

Draft Control Cylinder and Valve, Page 8-49

1шт.

2

Unloading and Flow Control Valve, Page 8-51

1шт.

3

Remote Auxiliary Control Valves, Pages 8-27, 31, 33, 37

1шт.

4

Hitch Control Shaft Support, Page 8-45

1шт.

5

Variable Flow Tube, Page 8-45

1шт.

6

Variable Flow Supply Tube, Page 8-45

1шт.

7

Transfer Gear Drop Box, Pages 6-97, 99

1шт.

8

Draft Control Pressure Tube, Page 8-45

1шт.

9

Hydraulic Oil Filter, Page 8-3

1шт.

10

Multiple Control Valve, Pages 8-9, 11

1шт.

11

Pressure Regulator Valve (2 Speed Power Shift), Pages 8-13, 23

1шт.

11

Pressure Regulator Valve (MFD Tractor without 2 speed power shift), Pages 8-17, 25

1шт.

Выбрано товаров: 12