Запчасти Case IH 995 (1-28) - PICTORIAL INDEX, TRACTOR WITH CAB, REMOTE AUXILIARY CONTROL VALVES (00) - PICTORIAL INDEX

Схема запчастей Case IH 995 - (1-28) - PICTORIAL INDEX, TRACTOR WITH CAB, REMOTE AUXILIARY CONTROL VALVES (00) - PICTORIAL INDEX
11
3
13
8
10
6
5
9
1
7
4
12
2
FIT
1:1
100%

Артикул

Название

Примечание

Количество

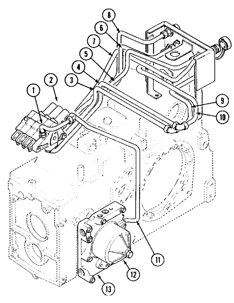
1

Remote Auxiliary Valve Return Tube, Page 8-29

1шт.

2

Remote Auxiliary Control Valves, Pages 8-29, 35, 43

1шт.

3

1st Bank Rear Port to Coupling Front Tube, Page 8-35

1шт.

4

1st Bank Front Port to Coupling Front Tube, Page 8-35

1шт.

5

2nd Bank Rear Port to Coupling Tube, Page 8-35

1шт.

6

2nd Bank Front Port to Coupling Tube, Page 8-35

1шт.

7

3rd Bank Rear Port to Coupling Tube, Page 8-35

1шт.

8

3rd Bank Front Port to Coupling Tube, Page 8-35

1шт.

9

1st Bank Rear Port to Coupling Rear Tube, Page 8-35

1шт.

10

1st Bank Front Port to Coupling Rear Tube, Page 8-35

1шт.

11

Multiple Control Valve By-Pass Tube, Page 8-9

1шт.

12

Hydraulic Oil Filter, Page 8-3

1шт.

13

Multiple Control Valve, Pages 8-9, 11

1шт.

Выбрано товаров: 13