Запчасти Case IH 995 (8-48) - DRAFT CONTROL, CYLINDER AND VALVE ASSEMBLY (08) - HYDRAULICS

Схема запчастей Case IH 995 - (8-48) - DRAFT CONTROL, CYLINDER AND VALVE ASSEMBLY (08) - HYDRAULICS
5
17
10
6
6
22
9
8
31
29
33
37
35
39
26
27
11
15
40
23
19
16
38
3
36
25
34
14
20
2
30
4
28
11
41
13
21
32
7
24
FIT
1:1
100%

Артикул

Название

Примечание

Количество

NSS

NOT SOLD SEPARAT

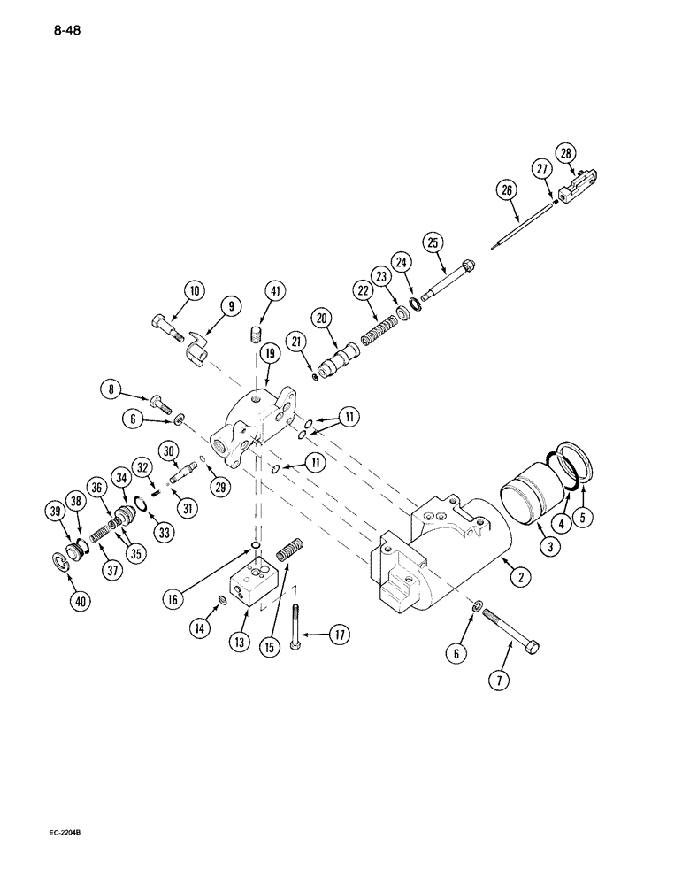
CYLINDER ASSEMBLY - draft control, with valve assembly (Order component parts), Includes: Ref. 2 - 41

1шт.

399885R21

CYLINDER ASSY.

CYLINDER ASSEMBLY - draft control, Includes: Ref. 2 - 5

1шт.

2

NSS

NOT SOLD SEPARAT

CYLINDER - draft control (Order 399885R21)

1шт.

3

399886R1

PISTON ASSY.,88.87mm Bore, 43.78mm Rod, 71.12mm W

PISTON ASSEMBLY - draft control cylinder

1шт.

4

238-6338

O-RING,0.21" Thk x 3.1" ID, -338, Cl 6, 90 Duro

1шт.

5

375936R1

BACK-UP RING

WASHER - piston, O-ring back-up

1шт.

6

92-11038

LOCK WASHER,3/8"

WASHER, LOCK, 3/8"

3шт.

7

13-672

BOLT,Hex, 3/8" - 16 x 4-1/2", Gr 5

- hex, 3/8 NC x 4-1/2 inch

2шт.

8

413-620

BOLT,Hex, 3/8" - 16 x 1-1/4", Gr 5

- hex, 3/8 NC x 1-1/4 inch

1шт.

9

399889R1

ARM ASSY.

ARM - draft retarding

1шт.

10

399892R1

BOLT,Shldr, Hex, 3/8" - 16 x 2.25"

- Retarding arm shoulder

1шт.

11

238-6113

O-RING,0.103" Thk x 0.549" ID, -113, Cl 6, 90 Duro

3шт.

60651C91

VALVE

ASSEMBLY - action control, Includes: Ref. 13 - 15

1шт.

13

NSS

NOT SOLD SEPARAT

BODY - action control valve (Order valve assembly 60651C91)

1шт.

14

392320R1

SNAP RING,#31, Ext, E-Type

Ring, Retaining, #31, Ext, E-Type

1шт.

15

547499R1

SPRING

- spool return

1шт.

16

238-6014

O-RING,0.07" Thk x 0.489" ID, -14, Cl 6, 90 Duro

1шт.

17

13-432

BOLT,Hex, 1/4" - 20 x 2", Gr 5

2шт.

399893R92

VALVE

ASSEMBLY - draft control, Includes: Ref. 19 - 40

1шт.

19

399894R1

BODY

ASSEMBLY - draft control valve, with spool, Includes: Ref. 20

1шт.

20

NSS

NOT SOLD SEPARAT

SPOOL - main control (Order body assembly 399894R1)

1шт.

21

376771R1

RING, SNAP

RING - retaining, main valve tube

1шт.

22

395005R2

SPRING

- main valve

1шт.

23

376759R1

RETAINER

- main valve spring

1шт.

24

303322R1

SNAP RING,1.00", Int, #100

- Retaining, 1.111 inch 1.00", Int, #100

1шт.

25

376756R12

HYD CYL SLEEVE

TUBE ASSEMBLY - main valve actuating

1шт.

26

376763R1

ROD

- drop valve actuating

1шт.

27

378101R1

SET SCREW,Hex Soc, #8-36 x 1/4"

SCREW - drop valve adjusting

1шт.

28

527617R1

ARM ASSY.

ARM ASSEMBLY - main valve

1шт.

29

406183R1

O-RING,0.07" Thk x 0.301" ID, -11, 80 Duro

- 5/16 x 7/16 x 1/16 inch

1шт.

30

392041R2

VALVE

- drop valve adjusting

1шт.

31

17006R1

BALL

- steel, 3/16 inch diameter

1шт.

32

376765R1

SPRING

- pilot valve

1шт.

33

406184R1

O-RING,0.139" Thk x 0.984" ID, -214, 70 Duro

- 1 x 1-1/4 x 1/8 inch

1шт.

34

376766R1

VALVE POPPET

VALVE - drop poppet

1шт.

35

376767R1

BACK-UP RING,9.91mm ID x 12.5mm OD x 1.32mm Thk

- drop poppet valve inner O-ring

2шт.

36

406182R1

O-RING,1.78mm Thk x 9.25mm ID, 80 Duro

- 3/8 x 1/2 x 1/16 inch

1шт.

37

376768R1

SPRING

- drop poppet valve

1шт.

38

238-6024

O-RING,0.07" Thk x 1.114" ID, -24, Cl 6, 90 Duro

1шт.

39

376770R1

PLUG

- drop poppet valve

1шт.

40

58102R1

SNAP RING,1.312", Int, #131

Drop valve 1.312", Int, #131

1шт.

41

444697

PLUG,Hex Soc, 3/8"-18

- hex socket, 3/8 inch PT

1шт.

Выбрано товаров: 42