Запчасти Case IH 995 (9-028) - SEAT DECK, TRACTOR WITHOUT CAB (09) - CHASSIS/ATTACHMENTS

Схема запчастей Case IH 995 - (9-028) - SEAT DECK, TRACTOR WITHOUT CAB (09) - CHASSIS/ATTACHMENTS
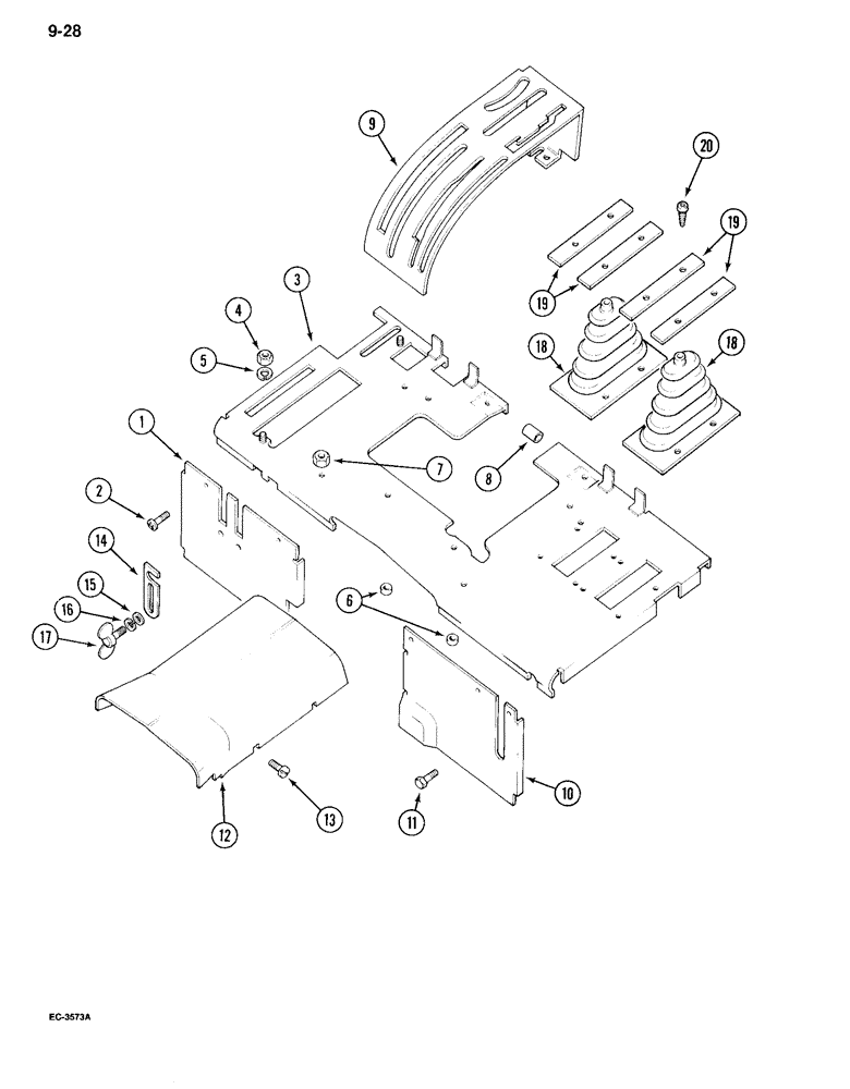
9
20
3
12
10
18
13
14
2
1
19
6
4
8
15
11
7
5
16
17
19
18
FIT
1:1
100%

Артикул

Название

Примечание

Количество

1

94161C1

PROTECTION PLATE

CHANNEL ASSEMBLY - rear vertical, right

1шт.

2

470-12510

SCREW,Slotted Pan Hd, 1/4"-20 x 5/8"

- machine, pan head slotted, 1/4 NC x 5/8 inch

2шт.

3

99656C2

PLATFORM ASSY.

PLATFORM ASSEMBLY - seat

1шт.

4

425-115

NUT,5/16"-24, G5

- hex, 5/16 inch NF

5шт.

5

492-11031

LOCK WASHER,5/16"

WASHER, LOCK, 5/16"

5шт.

6

401941R1

SPACER

- short

2шт.

7

425-146

JAM NUT,3/8" - 16, Gr 5

- hex jam, 3/8 inch NC

2шт.

8

3125820R1

SLEEVE

- PVC

6шт.

9

1536841C1

HOUSING

ASSEMBLY - hitch control lever

1шт.

10

528638R2

PROTECTION PLATE

CHANNEL ASSEMBLY - rear vertical, left

1шт.

11

628-6016

BOLT,Hex, M6 x 16mm, Cl 10.9, Full Thd

- hex, 6 x 16 mm

3шт.

12

66290C1

COVER

- clutch housing

1шт.

13

470-1256

SCREW,Slotted Pan Hd, 1/4"-20 x 3/8"

- machine, pan head slotted, 1/4 NC x 3/8 inch

4шт.

14

3125862R1

PLATE

- lockout, auxiliary valve lever

1шт.

15

495-11041

WASHER,0.406" ID x 0.812" OD x 0.065" W

(Flat, 13/32 x 13/16 x 1/16") 3/8", SAE

1шт.

16

492-11038

LOCK WASHER,3/8"

1шт.

17

164603C1

THUMB SCREW,3/8" - 16 x 5/8"

SCREW - wing, adjusting

1шт.

18

1502031C2

BELLOWS

BOOT - gear shift lever

2шт.

19

1502032C1

STRIP

- boot retainer

4шт.

20

260-14412

SELF-TAP SCREW,Cross Pan Hd, #8 x 3/4"

SCREW - panhead, 8 - 18 x 3/4 inch

8шт.

Выбрано товаров: 20