Запчасти Case IH 995 (2-32) - VALVE MECHANISM (02) - ENGINE

Схема запчастей Case IH 995 - (2-32) - VALVE MECHANISM (02) - ENGINE
17
5
1
3
6
10
4
14
13
9
15
16
11
2
17
7
5
6
FIT
1:1
100%

Артикул

Название

Примечание

Количество

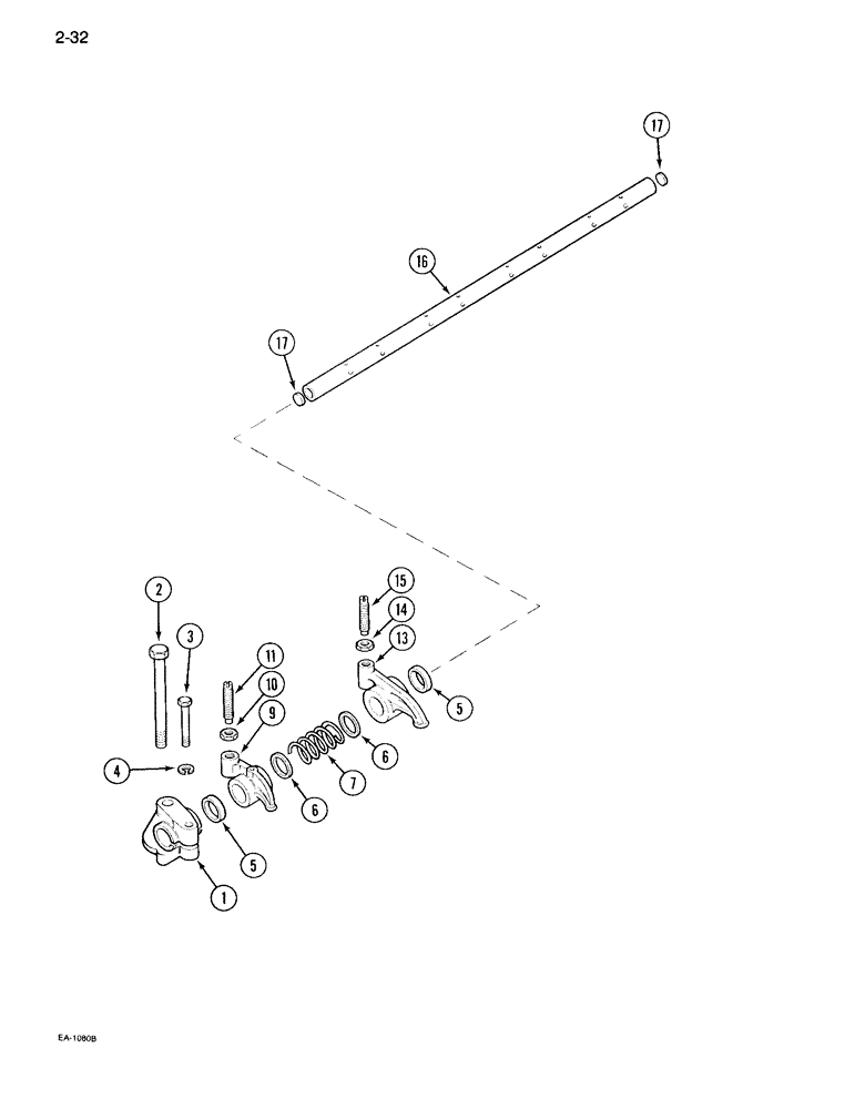
1

3055077R6

SUPPORT

BRACKET - rocker arm shaft

5шт.

2

13-852

BOLT,Hex, 1/2" - 13 x 3-1/4", Gr 5

5шт.

3

13-524

BOLT,Hex, 5/16" - 18 x 1-1/2", Gr 5

- hex, 5/16 NC x 1-1/2"

5шт.

4

3050129R1

LOCK WASHER

WASHER - lock, 5/16 inch

5шт.

5

3055068R1

BUSHING,22mm ID x 30mm OD x 6.8mm L

- distance

7шт.

6

3055669R1

THRUST WASHER

- thrust, rocker arm

8шт.

7

3055075R2

SPRING

- rocker arm

4шт.

3132293R92

ROCKER

KIT - service, exhaust rocker arm, Includes: Ref. 9 - 11

4шт.

9

NSS

NOT SOLD SEPARAT

ARM - rocker, exhaust

1шт.

10

3132138R1

NUT

- adjusting, rocker arm

1шт.

11

3132137R1

ADJUSTMENT SCREW

Rocker arm

1шт.

3132292R92

ROCKER

KIT - service, intake rocker arm, Includes: Ref. 13 - 15

4шт.

13

NSS

NOT SOLD SEPARAT

ARM - rocker, intake

1шт.

14

3132138R1

NUT

- adjusting, rocker arm

1шт.

15

3132137R1

ADJUSTMENT SCREW

Rocker arm

1шт.

16

3055070R31

SHAFT

- rocker arm, Includes: Ref. 17

1шт.

17

933565R1

PLUG,M14, Conical

- cup

2шт.

Выбрано товаров: 17