Запчасти Case IH 995 (2-36) - CYLINDER BLOCK FRONT COVER (02) - ENGINE

Схема запчастей Case IH 995 - (2-36) - CYLINDER BLOCK FRONT COVER (02) - ENGINE
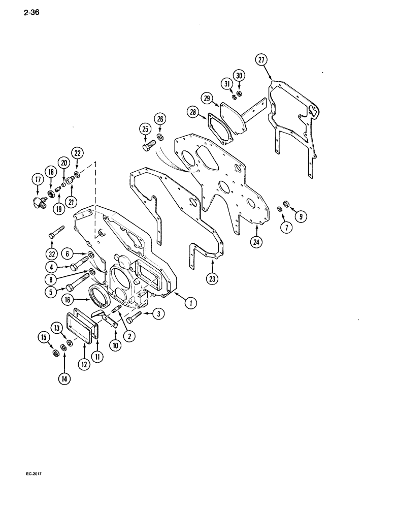
20
1
16
27
14
11
19
15
6
13
17
29
26
23
31
32
8
18
5
22
30
2
28
4
3
24
10
9
7
12
25
21
FIT
1:1
100%

Артикул

Название

Примечание

Количество

1

3136057R14

COVER ASSY

COVER ASSEMBLY - cylinder block front, Includes: Ref. 2

1шт.

2

3055242R1

STUD

- front cover

4шт.

3

13-532

BOLT,Hex, 5/16" - 18 x 2", Gr 5

9шт.

4

13-536

BOLT,Hex, 5/16" - 18 x 2-1/4", Gr 5

2шт.

5

13-540

BOLT,Hex, 5/16" - 18 x 2-1/2", Gr 5

2шт.

6

3050129R1

LOCK WASHER

WASHER - lock, 5/16 inch

4шт.

7

3218395R1

BELLEVILLE WASHER,8.199mm ID x 16mm OD x 0.9mm Thk

Lock (5/16") M8.2 ID x 16 OD x .9 Thk

6шт.

8

92-11031

LOCK WASHER,5/16"

WASHER, LOCK, 5/16"

2шт.

9

9635082

NUT,5/16" - 18, Gr 5

- hex, 5/16 inch NC

6шт.

10

3136325R2

INDICATOR

- timing

1шт.

11

3138640R1

GASKET

- injection pump cover

1шт.

12

3055140R1

COVER

- injection pump

1шт.

Part of crankcase gaskets service kit

1шт.

13

95-81067

WASHER,0.34" ID x 0.56" OD x 0.06" Thk

- flat, 5/16 inch

4шт.

14

492-11031

LOCK WASHER,5/16"

WASHER, LOCK, 5/16"

4шт.

15

9635082

NUT,5/16" - 18, Gr 5

- hex, 5/16 inch NC

4шт.

16

3228133R93

SEAL KIT

KIT - service, crankshaft oil seal (See Figure 2-46)

1шт.

17

3055982R93

DRIVE, ANGLE

ELBOW - drive angle

1шт.

18

3132116R1

NUT

- hex, 18 mm

1шт.

19

3056986R1

SUPPORT

COUPLING - drive, angle

1шт.

20

3052295R91

SEAL,6mm ID x 16mm OD x 7mm Thk

SEAL - oil, radial lip

1шт.

Part of crankcase gaskets service kit

1шт.

21

3055983R1

REDUCER FITTING

SPACER - drive angle

1шт.

22

3051337R1

SEALING RING,M18 x 24mm OD x 1.5mm Thk

Packing M18 x 24 x 1.5

1шт.

23

3055994R3

GASKET

- crankcase front cover

1шт.

24

3055996R11

PLATE ASSY.

PLATE ASSEMBLY - front cover

1шт.

25

113-118

BOLT,Hex, 5/16" - 18 x 5/8", Gr 5

7шт.

26

3050129R1

LOCK WASHER

WASHER - lock, 5/16 inch

7шт.

27

3055239R3

GASKET

- front plate

1шт.

Part of crankcase gaskets service kit

1шт.

28

3132541R2

GASKET

- closing cover

1шт.

Part of crankcase gaskets service kit

1шт.

29

3136049R1

COVER ASSY

COVER - with fuel filter bracket

1шт.

30

9635082

NUT,5/16" - 18, Gr 5

- hex, 5/16 inch NC

4шт.

31

92-11031

LOCK WASHER,5/16"

WASHER, LOCK, 5/16"

3шт.

31

3218395R1

BELLEVILLE WASHER,8.199mm ID x 16mm OD x 0.9mm Thk

Lock (5/16") M8.2 ID x 16 OD x .9 Thk

1шт.

32

13-536

BOLT,Hex, 5/16" - 18 x 2-1/4", Gr 5

4шт.

REF

INSTRUCTION

KIT - service, crankcase gaskets, Includes: Ref. 12, 20, 27 and 28 (See Figure 2-58)

1шт.

Выбрано товаров: 38