Запчасти Case IH B275 (113) - HYDRAULIC ATTACHMENTS, DOUBLE ACTING REMOTE CONTROL PACKAGE (07) - HYDRAULIC SYSTEM

Схема запчастей Case IH B275 - (113) - HYDRAULIC ATTACHMENTS, DOUBLE ACTING REMOTE CONTROL PACKAGE (07) - HYDRAULIC SYSTEM
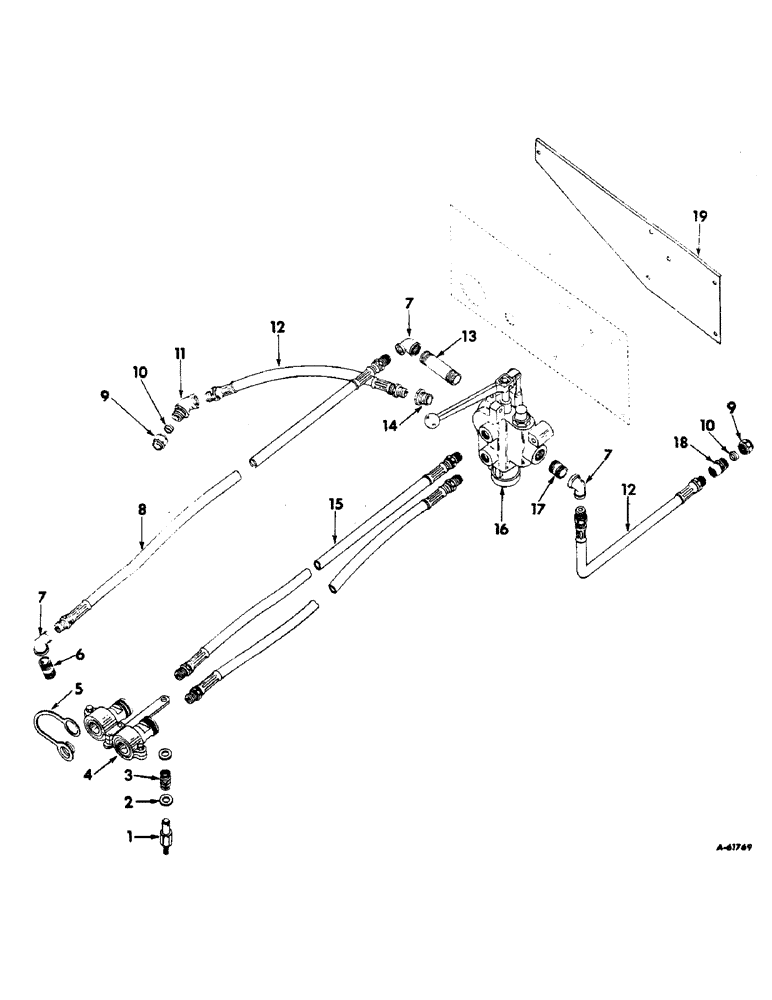
18
9
3
10
9
7
6
10
17
13
12
15
19
8
5
7
4
7
16
1
12
2
14
11
FIT
1:1
100%

Артикул

Название

Примечание

Количество

375379R91

DOUBLE ACTING REMOTE CONTROL, package, Comprising

1шт.

1

376456R1

PIN, breakaway coupling

1шт.

108635

PIN,1/8" x 1 1/8"

Split (Cotter), 1/8" x 1 1/8"

1шт.

2

395-11053

WASHER,0.53" ID x 1.06" OD x 0.1" Thk

plain, 17/32" I.D. x 1-1/16" O.D. x 13 ga.

2шт.

3

353213R2

SPRING

breakaway coupling bracket

1шт.

4

374778R91

COUPLING, breakaway, cpte. (See detail list)

1шт.

5

373220R1

PLUG

CAP, dust, coupling

2шт.

6

190717

PIPE,Nipple, 3/4" NPT x 2"

NIPPLE, pipe, 3/4" x 2"

1шт.

7

192651

ELBOW, pipe, reducing, 90 degrees, Serial Range: 3/4"-1/2"

3шт.

8

366831R91

HOSE

valve to reservoir, 1/2" I.D. x 33" long

1шт.

9

375459R1

NUT, coupling and elbow

2шт.

10

375458R1

SLEEVE, coupling and elbow

2шт.

11

375460R1

ELBOW, Hi-Seal, 1/2" tube to 1/2" pipe

1шт.

12

360448R91

HOSE

pressure line to valve, 1/2" I.D. x 14" long

2шт.

13

219341

SPEED GOVERNOR

NIPPLE, pipe, 3/4" x 3-1/2"

1шт.

14

144034

ADAPTER,3/4" NPT Male x 1/2" NPT Fem

BUSHING, reducing, pipe, 3/4 to 1/2"

1шт.

15

355543R91

HOSE

valve to self sealing coupling, 1/2" I.D. x 37-1/2" long

2шт.

16

375453R91

VALVE, Gresen, Spye, cpte.

1шт.

180132

BOLT,Hex, 3/8" - 16 x 2 1/4", Gr 5

hex-hd., 3/8" x 2-1/4"

1шт.

113-257

BOLT,Hex, 3/8" - 16 x 2-1/2", Gr 5

hex-hd., 3/8" x 2-1/2"

2шт.

120377

NUT,3/8" - 16, Gr 5

3шт.

103321

LOCK WASHER,3/8"

WASHER, LOCK, 3/8"

3шт.

120394

WASHER,3/8", SAE

WASHER, plain, 13/32" I.D. x 13/16" O.D. x 16 ga.

3шт.

17

NLS

NO LONGER SERVICED

NIPPLE, pipe, 3/4 X 1-3/8"

1шт.

18

375457R1

COUPLING, Hi-Seal, 1/2" tube to 1/2" pipe

1шт.

19

375452R1

STIFFENER, scuttle panel

1шт.

114381

NUT, square, 1/4"

3шт.

271126

SPINDLE

SCREW, cap, cr. rec., washer hd., 1/4 x 3/4"

3шт.

Выбрано товаров: 0