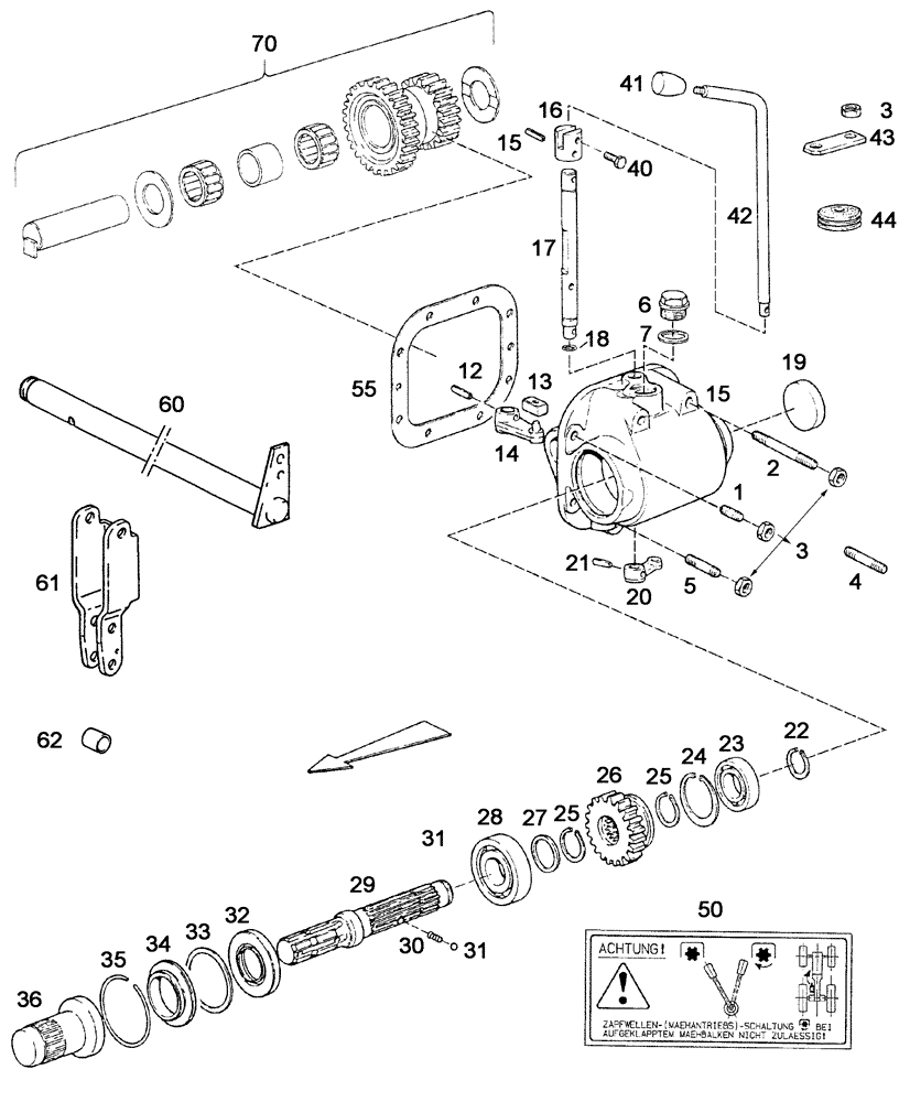
Запчасти Case IH C55 (06-07[01]) - P.T.O. CONTROL, MID-MOUNTED MOWER (06) - POWER TRAIN

Схема запчастей Case IH C55 - (06-07[01]) - P.T.O. CONTROL, MID-MOUNTED MOWER (06) - POWER TRAIN
62
17
1
2
32
43
13
3
24
55
33
12
60
25
21
6
35
27
23
31
40
34
61
50
22
4
36
42
26
30
31
3
70
29
20
25
7
5
15
28
14
15
19
41
44
16
18
FIT
1:1
100%

Артикул

Название

Примечание

Количество

1-33-127-002

PTO

POWER TAKE OFF , Besteht aus/Consists of/Compose de/Bestående af/È composto da 1 - 36

1шт.

133700272075

PTO

POWER TAKE OFF , Besteht aus/Consists of/Compose de/Bestående af/È composto da 13 - 36

1шт.

1

190003813628

STUD

M12x30-8.8

4шт.

2

190003813681

STUD

M12x105-10.9

2шт.

3

337475

NUT,M12, Cl 10

6шт.

3

190003871344

NUT

M12-10

3шт.

4

190003813155

STUD

M12x60-8.8

1шт.

5

190003813647

STUD

M12x55-10.9

1шт.

6

190003962051

DRAIN PLUG

C-M30x1,5

1шт.

7

190003098086

SEAL

A30x36-CU

1шт.

12

190003909628

ROLL PIN

6x28

2шт.

13

1288270047

SLIPPER

1шт.

14

133700270076

LEVER

1шт.

15

133700270280

HOUSING

1шт.

16

133700270098

SLEEVE

1шт.

17

133700270276

SHAFT

1шт.

18

1288730061

O-RING

2шт.

19

190003989286

PLUG

60/8-ST

1шт.

20

133700270007

LEVER

1шт.

21

190003909661

ROLL PIN

6x24

1шт.

22

190003933200

SNAP RING

30x1,5

1шт.

23

190003311518

BALL BEARING

1шт.

24

190003934360

LOCKING RING

72x2,5

1шт.

25

190003933251

SNAP RING

35x1,5

2шт.

26

133700270074

GEAR

20 T

1шт.

27

1292220091

WASHER, THRUST

1шт.

28

190003311521

BEARING

1шт.

29

133700270073

PTO

POWER TAKE OFF

1шт.

30

1206240018

COMPRESSION SPRING

1шт.

31

190003330148

BALL

Ø 8,0mm

1шт.

32

190003078425

GASKET

1шт.

33

1397270071

WASHER

0,1 mm

1шт.

33

1397270072

WASHER

0,5 mm

1шт.

34

133700270112

BUSHING

1шт.

35

190003936074

LOCK WASHER

B80

1шт.

36

1288270096

PROTECTIVE COVER

1шт.

40

120100

BOLT,M6 x 20mm, Cl 8.8

1шт.

41

1280570036

GRIP

1шт.

42

1-33-127-003

CONTROL LEVER

1шт.

43

133700272072

SHIN

1шт.

44

1882270056

BELLOWS

1шт.

50

1-35-178-101

DECAL

1шт.

55

133700270047

SEAL

0,1mm

1шт.

55

133700270048

SHIM

0,2mm

1шт.

60

133700350250

SHAFT

1шт.

61

153700340009

BRAKE LEVER

1шт.

62

133700350253

SPACER

1шт.

70

ANTRIEB/DRIVE/COMMANDE-ENTRAINEMENT/DREV/AZIONAMENTO/COMANDO - Siehe Zapfwelle/See power-take-off/Voir prise de force/Se kraftudtag/Vedere presa di forza

1шт.

Выбрано товаров: 48